GM Service Manual Online
For 1990-2009 cars only
Makes
🢒
Saturn
🢒
2007
🢒
ION
🢒 Ignition Controls - Ignition System
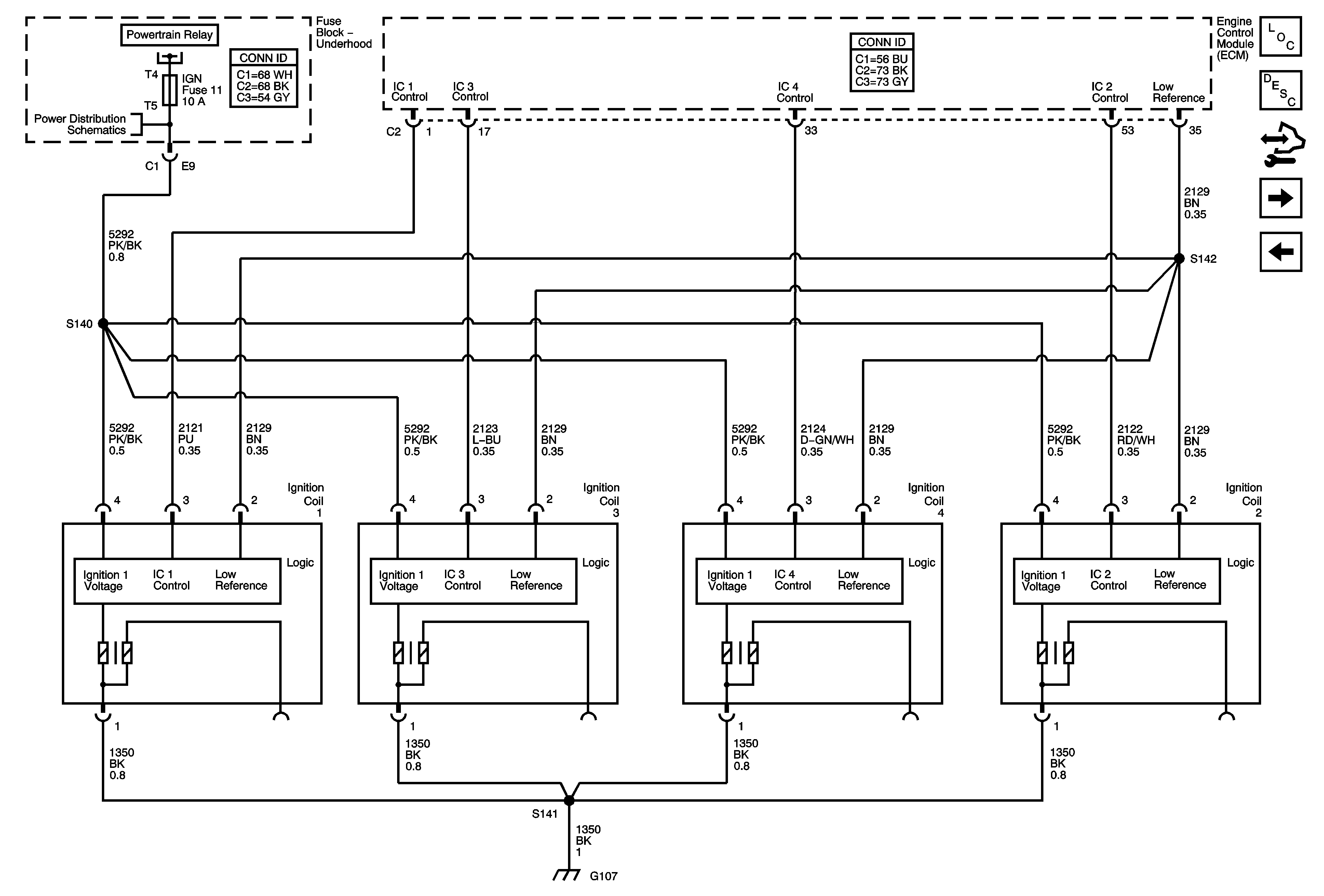
Ignition Controls - Ignition System
Ignition Controls - Ignition System
Master Electrical Component List
Electronic Ignition (EI) System Description
Control Module References
Ignition Controls - Sensors
Engine Data Sensors - APP and TAC
Power, Ground, MIL, and Serial Data
AIR PUMP RLY, ECM/ETC, EMISS, IGN, and INJECTOR Fuse, AIR SOLENOID, POWERTRAIN Relays - 2.2L