GM Service Manual Online
For 1990-2009 cars only
Makes
🢒
Saturn
🢒
2007
🢒
ION
🢒 Fuel Controls
Fuel Controls
Fuel Controls
Master Electrical Component List
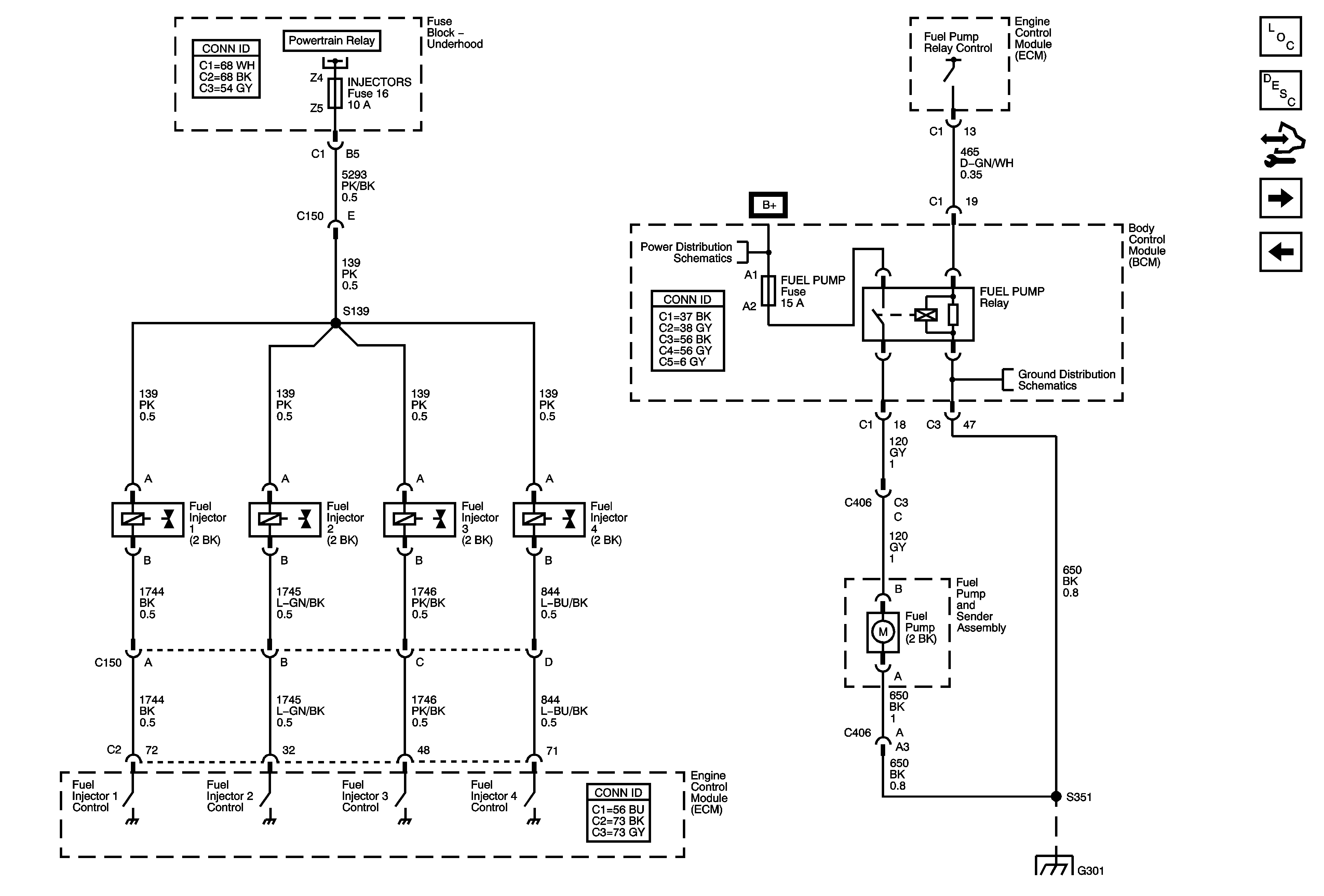
Fuel System Description (RPO NT7)
Control Module References
EVAP Controls
Secondary Air Injection System - NU6
Power, Ground, MIL, and Serial Data
BCM, ELECT, CLUSTER/AOS, EPS (60A), FUEL PUMP, HVAC, IGN SW, IP BATT 2, RUN (IGN3), and STOP Fuses, RUN and Fuel Pump Relays
G301
G301