GM Service Manual Online
For 1990-2009 cars only

2.4L

2.4L


Object Number: 1769053  Size: FS
Master Electrical Component List
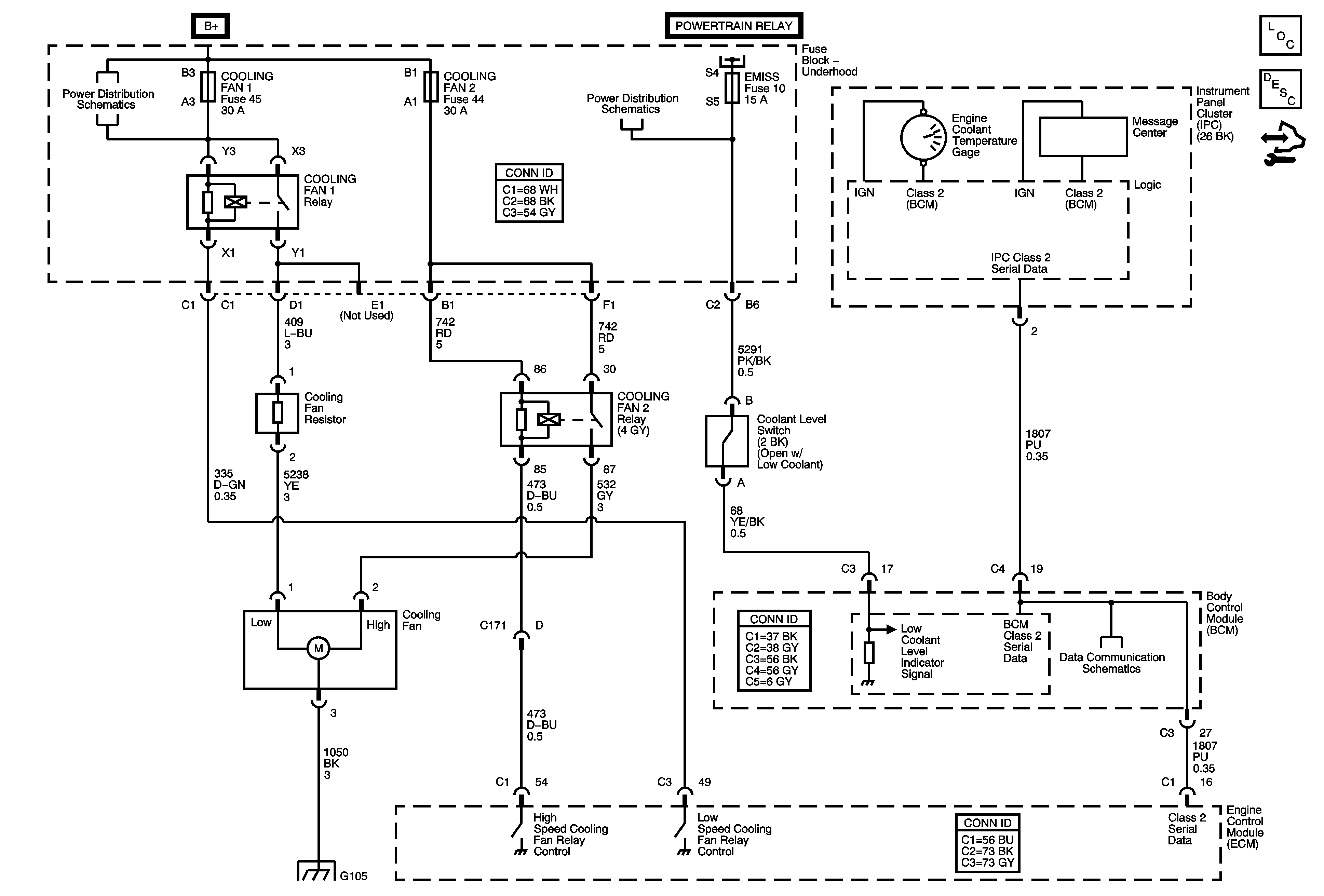
Cooling Fan Description and Operation
Control Module References
B+ Bus
Power, Ground, MIL, and Serial Data
COOLING FAN 2, ECM/ETC, EMISS, IGN, and INJECTORS Fuses, POWERTRAIN Relay - 2.4L
Power, Ground, Class 2, and Low Speed GMLAN
G103, G105 - 2.2L, 2.4L, G109