GM Service Manual Online
For 1990-2009 cars only

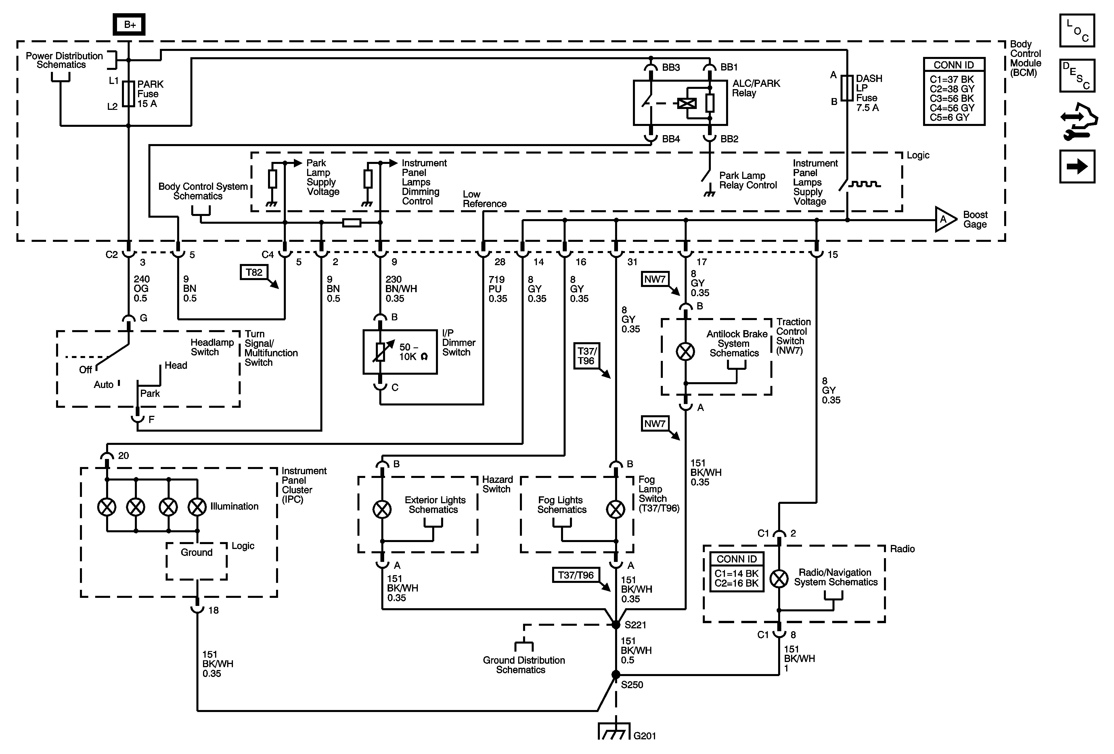
Turn Signal/Multifunction Switch, Instrument Panel Cluster, I/P Dimmer Switch, Hazard Switch, Fog Lamp Switch, Traction Control Switch, and Radio

Turn Signal/Multifunction Switch, IPC, I/P Dimmer Switch, Hazard Switch, Fog Lamp Switch, Traction Control Switch, and Radio


Object Number: 1769100  Size: FS
Master Electrical Component List
Interior Lighting Systems Description and Operation
Control Module References
Shift Indicator Module, Boost Gage, A/T Shift Indicator, and HVAC Control Assembly
BCM (PWR), DASH, IP BATT 1, IP BATT 1A, LIGHTER, ONSTAR, PARK PWR OUTLET, PWR WINDOWS, RADIO (BATT 1), RADIO (ACCY), SUNROOF, and WIPER SW Fuses
Shift Indicator Module, Boost Gage, A/T Shift Indicator, and HVAC Control Assembly
Traction Control, DLC, and Indicators
G201
Ground/Powers, Signals, and References
G201