GM Service Manual Online
For 1990-2009 cars only
Makes
🢒
Saturn
🢒
2007
🢒
ION
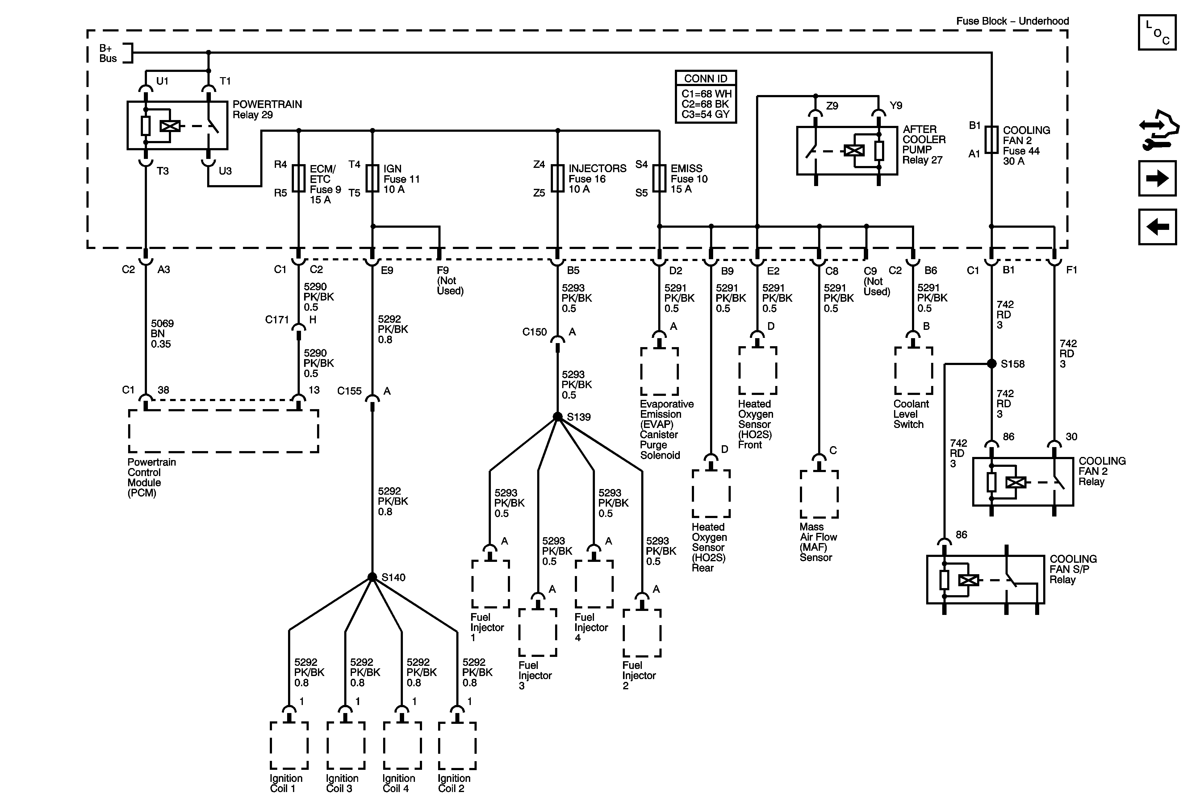
🢒 Cooling Fan, ECM/ETC, EMISS, INJECTORS, IGN Fuses, AFTER COOLER PUMP, and POWERTRAIN Relays - 2.0L
Cooling Fan, ECM/ETC, EMISS, INJECTORS, IGN Fuses, AFTER COOLER PUMP, and POWERTRAIN Relays - 2.0L
Cooling Fan, ECM/ETC, EMISS, INJECTORS, and IGN Fuses, AFTER COOLER PUMP and POWERTRAIN RELAYS - 2.0L
Master Electrical Component List
Control Module References
COOLING FAN 2, ECM/ETC, EMISS, IGN, and INJECTORS Fuses, POWERTRAIN Relay - 2.4L
AIR PUMP RLY, ECM/ETC, EMISS, IGN, and INJECTOR Fuse, AIR SOLENOID, POWERTRAIN Relays - 2.2L
B+ Bus