GM Service Manual Online
For 1990-2009 cars only

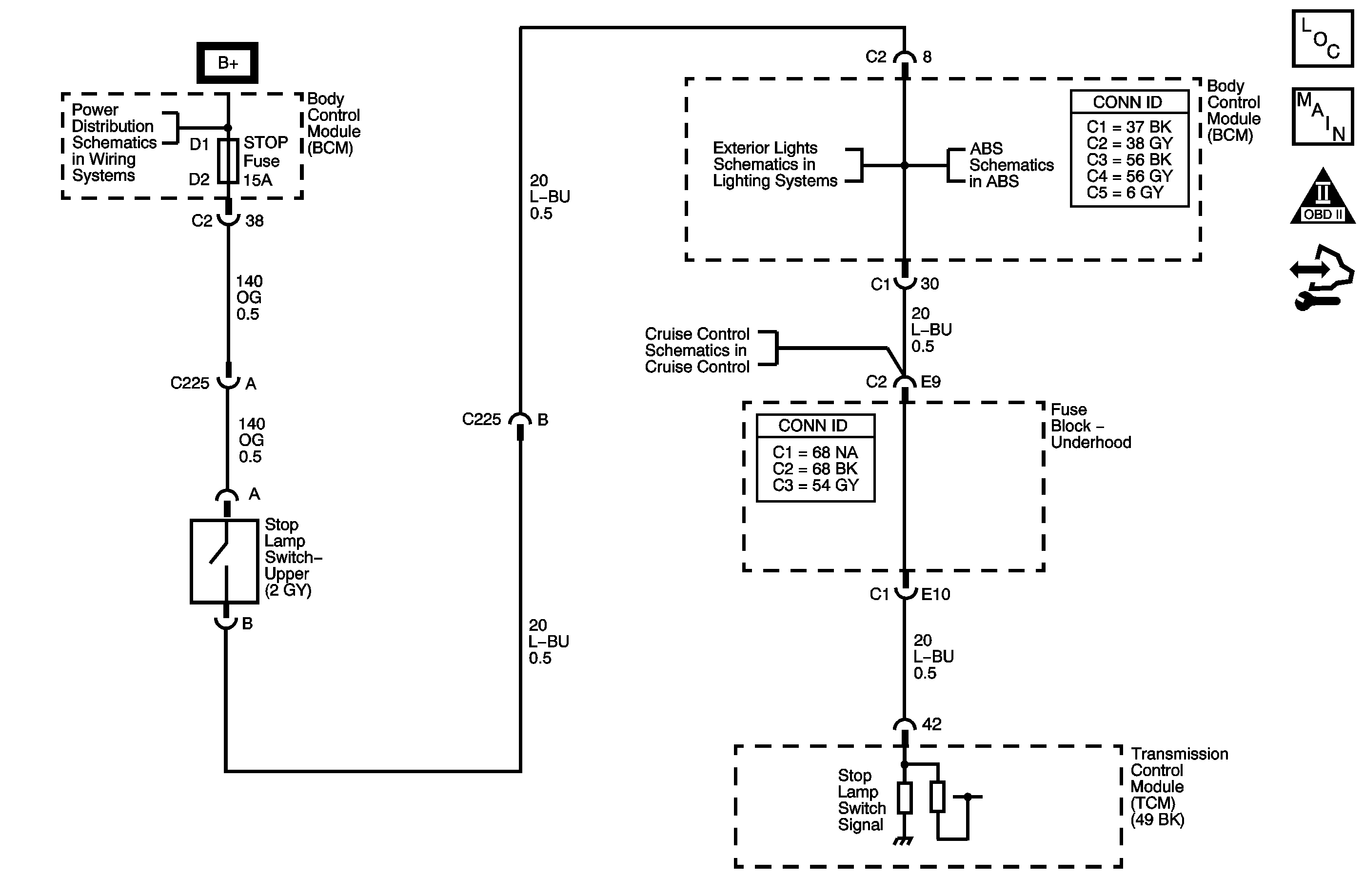
Object Number: 1503847  Size: MF
Master Electrical Component List
Automatic Transmission Controls Schematics
OBD II Symbol Description Notice
Control Module References

Circuit Description

The brake switch indicates brake pedal status to the transmission control module (TCM). The normally-closed brake switch supplies ignition voltage to the TCM. Applying the brake pedal opens the switch, interrupting voltage to the TCM. Releasing the brake pedal resumes voltage to the TCM.

When the TCM detects an open brake switch, stuck OFF, during decelerations, then DTC P0719 sets. DTC P0719 is a type C DTC.

DTC Descriptor

This diagnostic procedure supports the following DTC:

DTC P0719 Brake Switch Circuit Low Voltage

Conditions for Running the DTC

    • No OSS DTCs P0722 or P0723.
    • DTC P0719 has not passed this key cycle.

Conditions for Setting the DTC

DTC P0719 sets if the TCM detects an open brake switch or circuit and the following conditions occur 8 times:

  1. The vehicle speed is greater than 32 km/h (20 mph) for 6 seconds.
  2. Then, the vehicle speed is 8-32 km/h (5-20 mph) for 6 seconds.
  3. Then, the vehicle speed is less than 8 km/h (5 mph) for 2 seconds.

Action Taken When the DTC Sets

    • The TCM does not request the engine control module (ECM) to illuminate the malfunction indicator lamp (MIL).
    • The TCM records the operating conditions when the Conditions for Setting the DTC are met. The TCM stores this information as Failure Records.
    • The TCM stores DTC P0719 in TCM history.

Conditions for Clearing the DTC

    • A scan tool can clear the DTC.
    • The TCM clears the DTC from TCM history if the vehicle completes 40 warm-up cycles without a non-emission related diagnostic fault occurring.
    • The TCM cancels the DTC default actions when the fault no longer exists and the DTC passes.

Test Description

The numbers below refer to the step numbers on the diagnostic table.

  1. Disconnecting the brake switch connector jumping the circuit, and observing a status change, isolates the brake switch as the source of the DTC.

  2. If the ignition 1 voltage circuit shorts to ground, the ERLS fuse opens.

  3. If the brake switch is properly adjusted, then the brake switch must be replaced.

  4. Replace the TCM only after you have completed the preceding diagnostic steps.

Step

Action

Yes

No

1

Did you perform the Diagnostic System Check - Vehicle?

Go to Step 2

Go to Diagnostic System Check - Vehicle

2

  1. Install a scan tool.
  2. Turn ON the ignition, with the engine OFF.
  3. Important: Before clearing the DTC, use the scan tool in order to record the Failure Records. Using the Clear Info function erases the Failure Records from the TCM.

  4. Record the DTC Failure Records.
  5. Clear the DTC.
  6. Select Brake Switch on the scan tool.
  7. Disconnect the brake switch connector.
  8. Using the J-35616 connector test adapter kit, install a fused jumper wire between the ignition 1 voltage circuit and the TCC brake/cruise control release signal circuit of the brake switch connector.

Did the brake switch status change from Open to Closed?

Go to Step 5

Go to Step 3

3

  1. Remove the STOP fuse.
  2. Inspect the fuse for an open.

Refer to Circuit Protection - Fuses .

Is the fuse open?

Go to Step 4

Go to Step 6

4

Important: The condition that affects this circuit may exist in other connecting branches of the circuit. Refer to Power Distribution Schematics for complete circuit distribution.

Test the ignition 1 voltage circuit of the brake switch for a short to a ground.

Refer to Testing for Short to Ground and Wiring Repairs .

Did you find and correct the condition?

Go to Step 9

--

5

  1. Inspect the brake switch for proper adjustment.
  2. Adjust the brake switch as necessary.

Refer to Stop Lamp Switch Adjustment .

Did the brake switch require adjustment?

Go to Step 9

Go to Step 7

6

  1. Test the ignition 1 voltage circuit of the brake switch for an open.
  2. Test the signal circuit of the TCC brake/cruise control release switch for an open.

Refer to Testing for Continuity and Wiring Repairs .

Did you find and correct a condition?

Go to Step 9

Go to Step 8

7

Replace the brake switch.

Refer to Stop Lamp Switch Replacement .

Did you complete the replacement?

Go to Step 9

--

8

Replace the TCM.

Refer to Control Module References for replacement, setup, and programming.

Did you complete the replacement?

Go to Step 9

--

9

Perform the following procedure in order to verify the repair:

  1. Select DTC.
  2. Select Clear Info.
  3. Operate the vehicle under the following conditions:
  4. • Turn ON the ignition, with the engine OFF.
    • Apply and hold the brake pedal.
    • The TCM must receive 12 volts, brake switch closed, on the circuit for 5 seconds.
  5. Select Specific DTC.
  6. Enter DTC P0719.

Has the test run and passed?

Go to Step 10

Go to Step 2

10

With the scan tool, observe the stored information, capture info and DTC info.

Does the scan tool display any DTCs that you have not diagnosed?

Go to Diagnostic Trouble Code (DTC) List - Vehicle

System OK