GM Service Manual Online
For 1990-2009 cars only

Object Number: 891650  Size: MF

Circuit Description

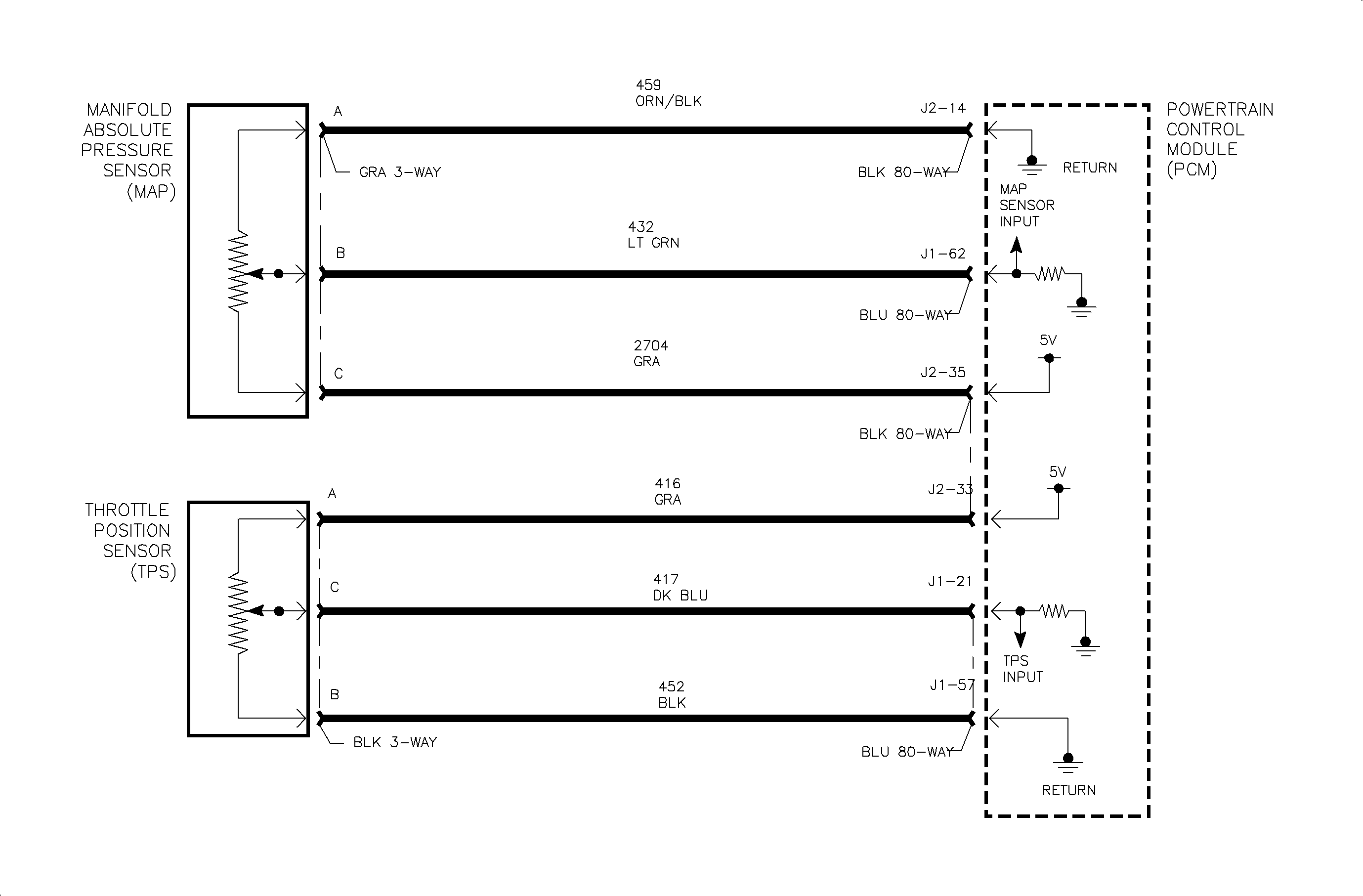
The PCM has internal tables that compare MAP sensor values with TP sensor values. The manifold absolute pressure (MAP) sensor is a transducer that varies resistance according to changes in intake manifold pressure (vacuum). The voltage ranges from 1-1.5 volts at idle (low pressure/high vacuum) to 4.5-4.8 volts at wide open throttle (high pressure/low vacuum). The throttle position (TP) sensor is a potentiometer that varies resistance according to changes in throttle plate position. The voltage ranges from 0.35 (=/-0.2) volts at 0% throttle to over 4.65 volts at wide open throttle. DTC P0105 sets when the two values are out of the calibrated range from the table values.

Conditions for Setting the DTC

DTC P0105 will set if MAP sensor voltage or TP sensor voltage is out of range for 14 seconds when:

    • Engine run time is greater than 40 seconds
    • Engine speed is between 600 and 6375 RPM
    • Engine speed change is less than 50 RPM
    • IAC change is less than 5 counts
    • TP angle change is less than 2%
    • TCC PWM change is less than 1.3% (auto only)
    • No cam, CKP, ECT, EVAP leak, fuel injector, fuel tank pressure, fuel trim, idle speed, MAP, misfire, 02S-1, TP P0446, P0502 or P1441 DTCs have been set.

DTC P0105 diagnostic runs continuously once the above conditions have been met.

P0105 is a (type B) DTC.

Diagnostic Aids

If DTC P0453 is also set, a short to voltage on the five volt reference circuit may exist.

Refer to "5 Volt Reference Circuit Error Diagnosis" in this section.

This DTC will set if either MAP or TP is out of range. To distinguish which one has failed, review failure record information and attempt to duplicate the conditions.

Check the PCM and the MAP/TP sensors for corrosion in the connectors.

Use the scan tool to monitor the TP sensor as the accelerator pedal is slowly depressed. The voltage should change smoothly from 0.35 volts at 0% throttle, to 4.65 volts at wide open throttle (+/- 0.2 volts).

Important: Inaccurate readings will occur if resistance measurements are taken on a MAP sensor. The MAP sensor contains an internal amplifier circuit that requires applied voltage to function properly.