GM Service Manual Online
For 1990-2009 cars only

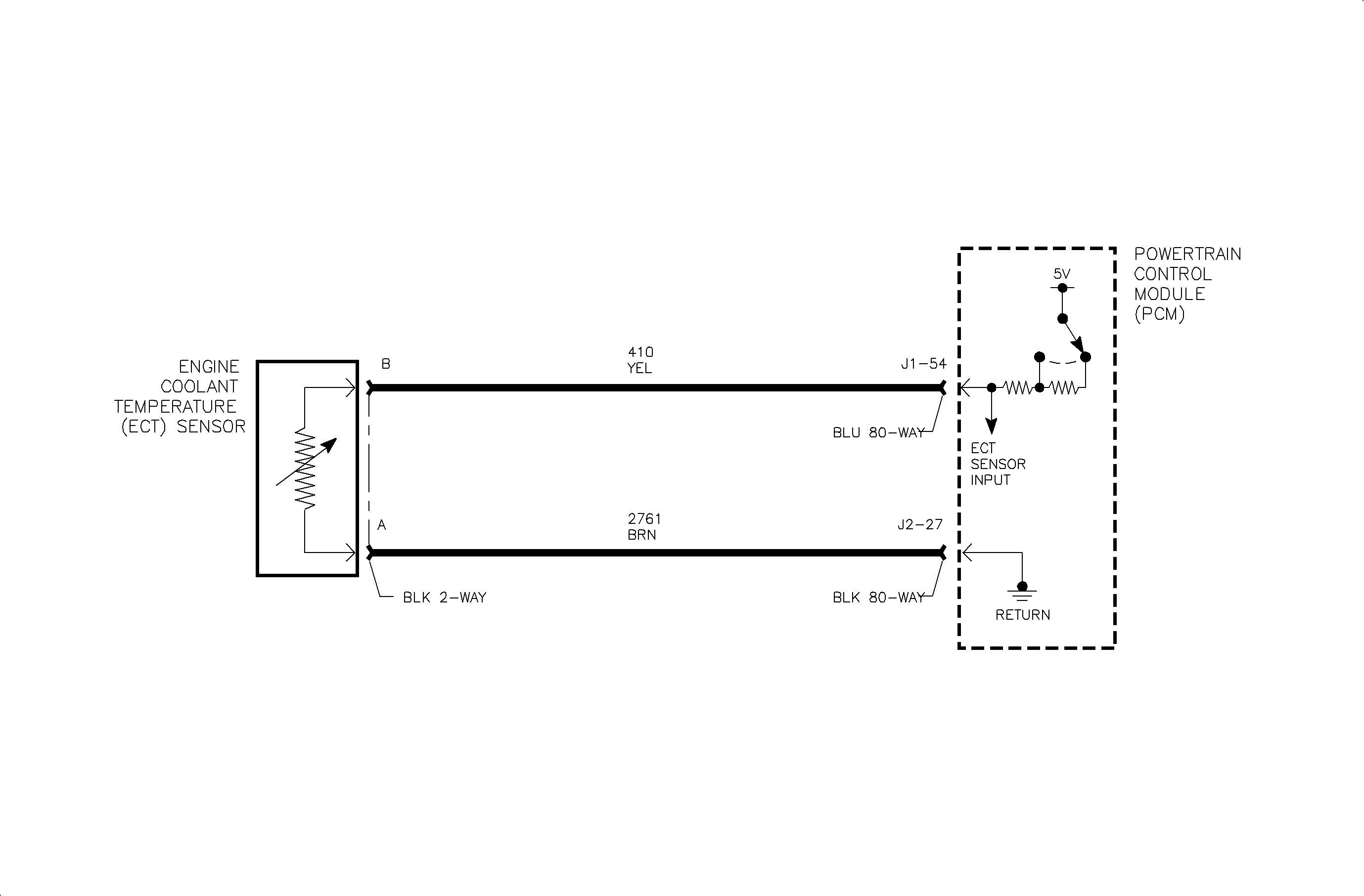
Object Number: 891610  Size: MF

Circuit Description

The engine coolant temperature (ECT) sensor is a thermistor that varies resistance according to changes in engine coolant temperature. The PCM supplies a five volt reference through a pull-up resistor(s) to the sensor, which is connected to ground. When the sensor is cold it has a high resistance (high signal voltage at PCM). As the sensor temperature increases, temperature. DTC P0125 sets when the calculated accumulated airflow exceeds the predicted accumulated airflow when then engine coolant temperature has reached a calibrated temperature. More air will flow through a cold engine then when the engine is warm.

Conditions for Setting the DTC

DTC P0125 will set if the calculated accumulated airflow has been exceeded (based on predicted airflow) when ECT sensor temperature has reached 40°C (104°F) when:

    • Vehicle has traveled greater than 0.8 km (0.5 miles) when vehicle speed is above 40 km/h (25 mph)
    • Calculated average air flow is greater than 20 grams/second
    • Engine run time is between 30 seconds and 30 minutes
    • Startup ECT is less than 35°C (95°F)
    • No CKP, ECT, EVAP leak, fan control, fuel injector, fuel tank pressure, fuel trim, IAT, knock, MAP, misfire, 02S-1, TP, VSS P0420, P0446, or P1441 DTCs have been set.
    • P0125 is a (type B) DTC

Diagnostic Aids

DTC P0125 indicates lower than normal engine coolant temperature, which most likely was NOT caused by a short/open or intermittent short/open in the ECT wiring.

Possible causes of low engine coolant temperature:

    • Thermostat stuck open
    • Cooling fan always On
    • Very low ambient temperatures
    • Corrosion in connector or resistance in wiring
    • Skewed sensor.

Refer to ECT General Description for a Temperature vs. Resistance chart.