GM Service Manual Online
For 1990-2009 cars only
Makes
🢒
Saturn
🢒
2001
🢒
L100/L200/LW200
🢒
HVAC
🢒
HVAC Systems - Manual
🢒 HVAC Component Views
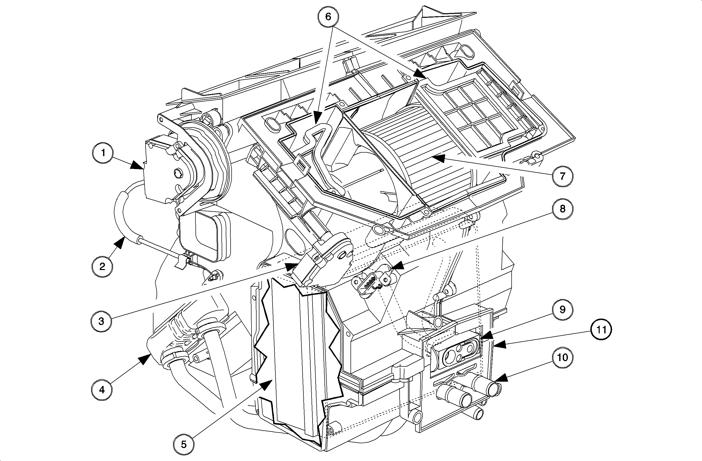
(1)
Mode Actuator And Cams
(2)
Temperature Cable and Lever
(3)
Recirculation Actuator
(4)
Heater Core
(5)
Evaporator Core Access Panel
(6)
Recirculation Doors
(7)
Blower Motor
(8)
Blower Motor Resistor Card
(9)
TXV
(10)
Heater Core Pipes