GM Service Manual Online
For 1990-2009 cars only
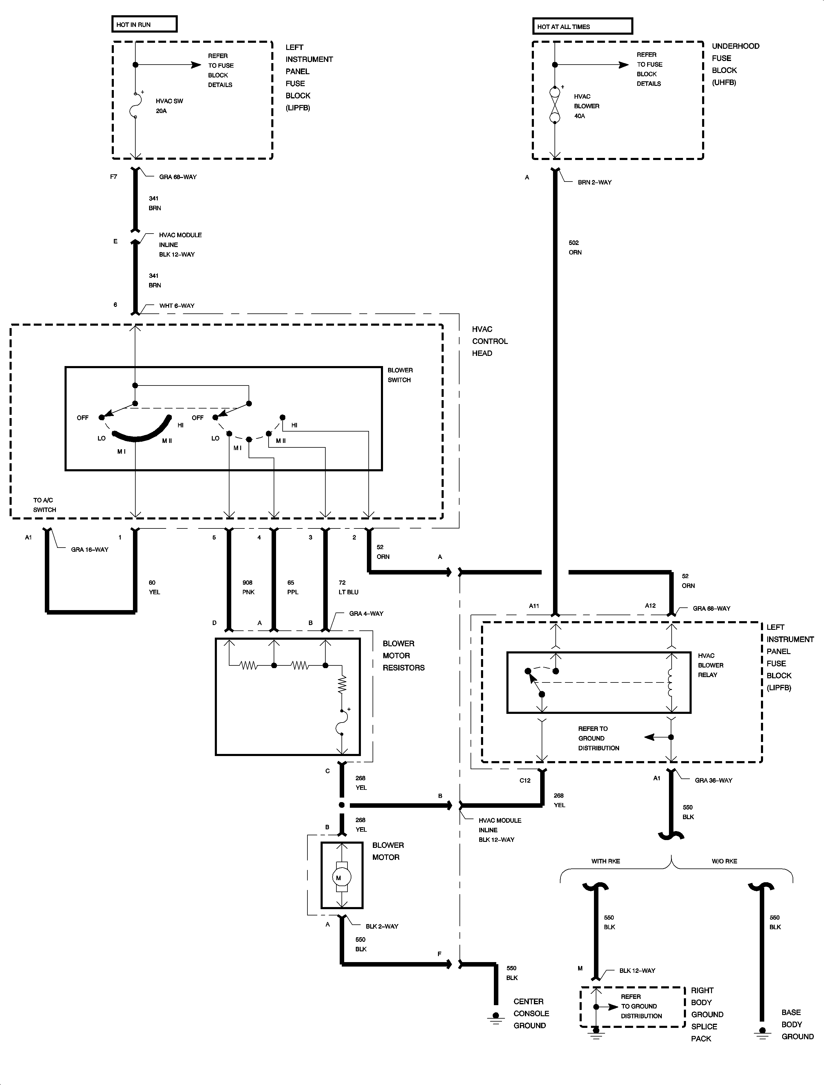
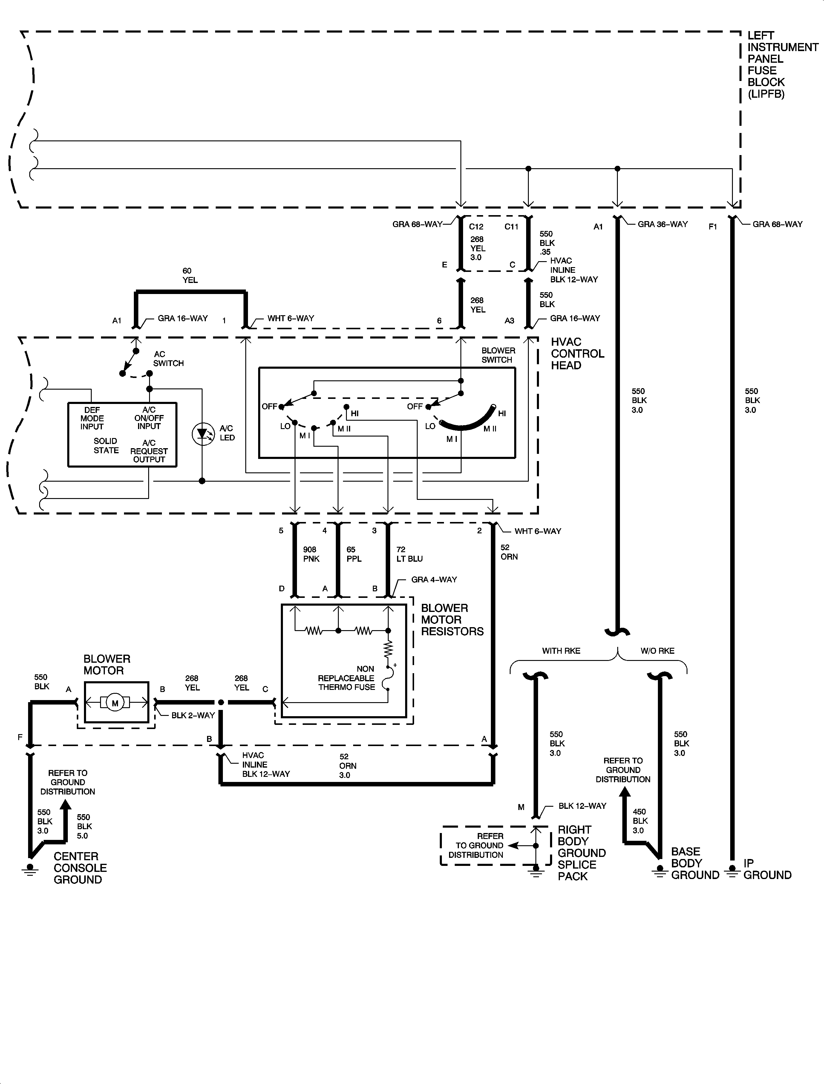
Figure 1:

(1 of 7) - Blower Controls


Object Number: 886551  Size: FP
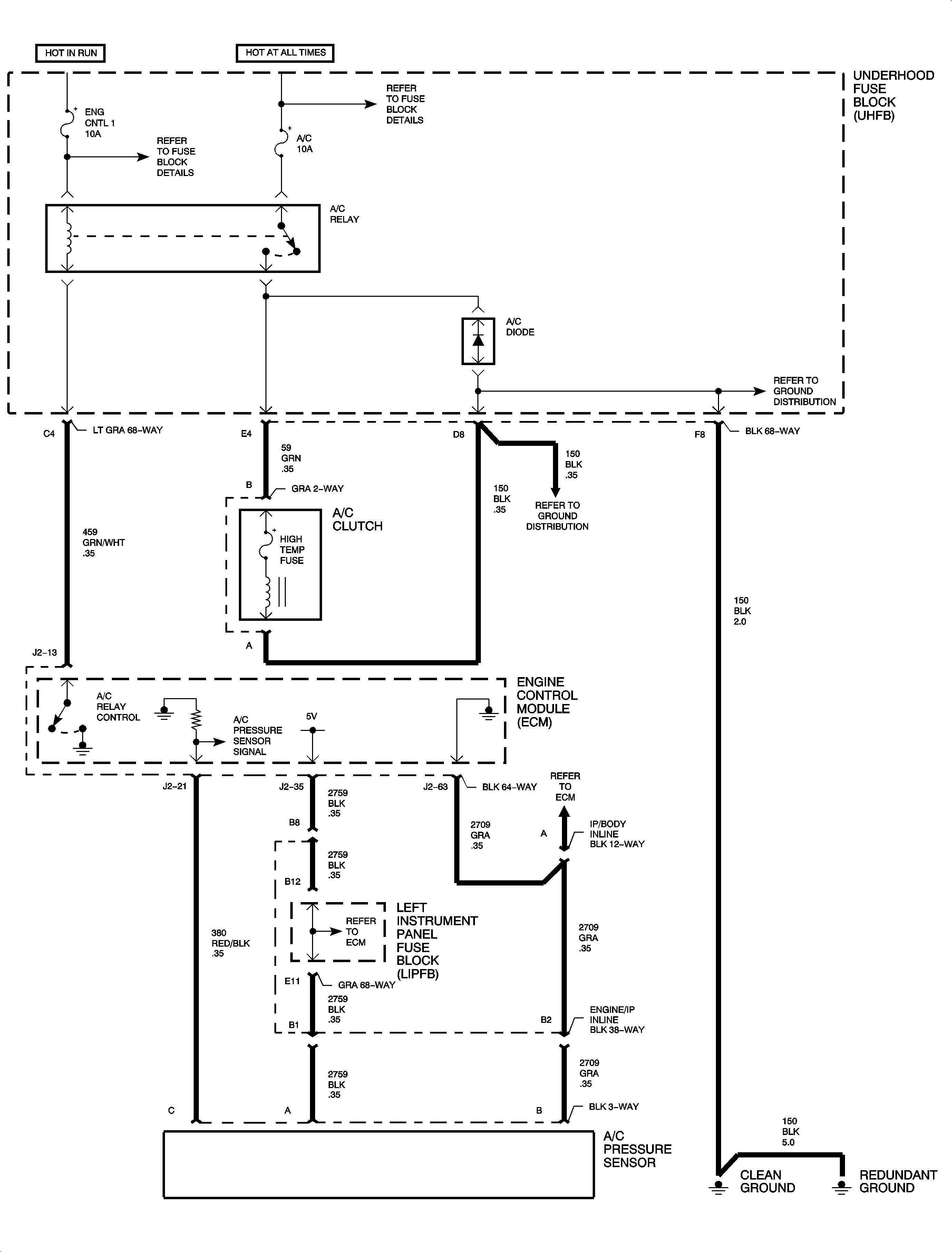
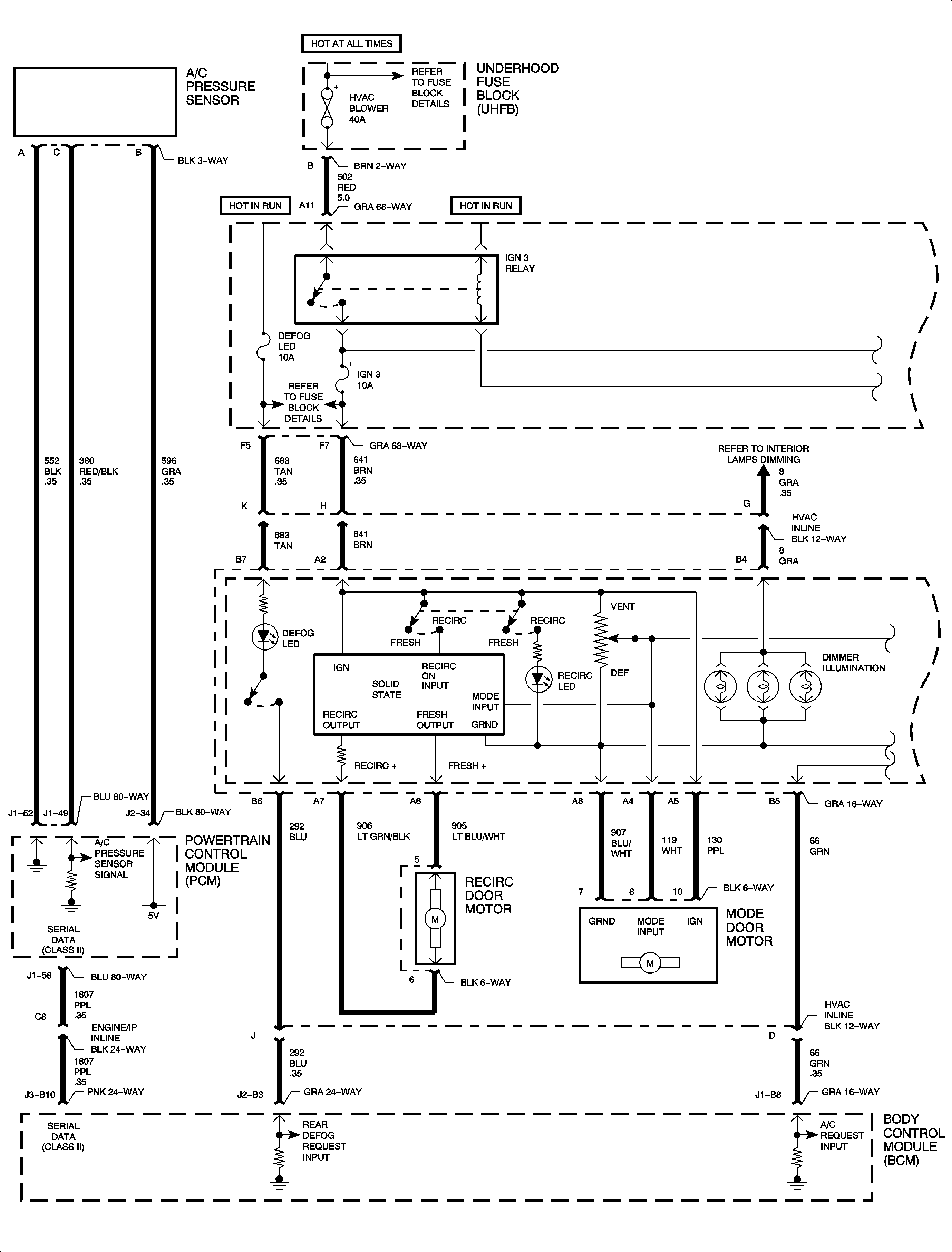
Figure 2:

(2 of 7) - L61


Object Number: 889071  Size: FP
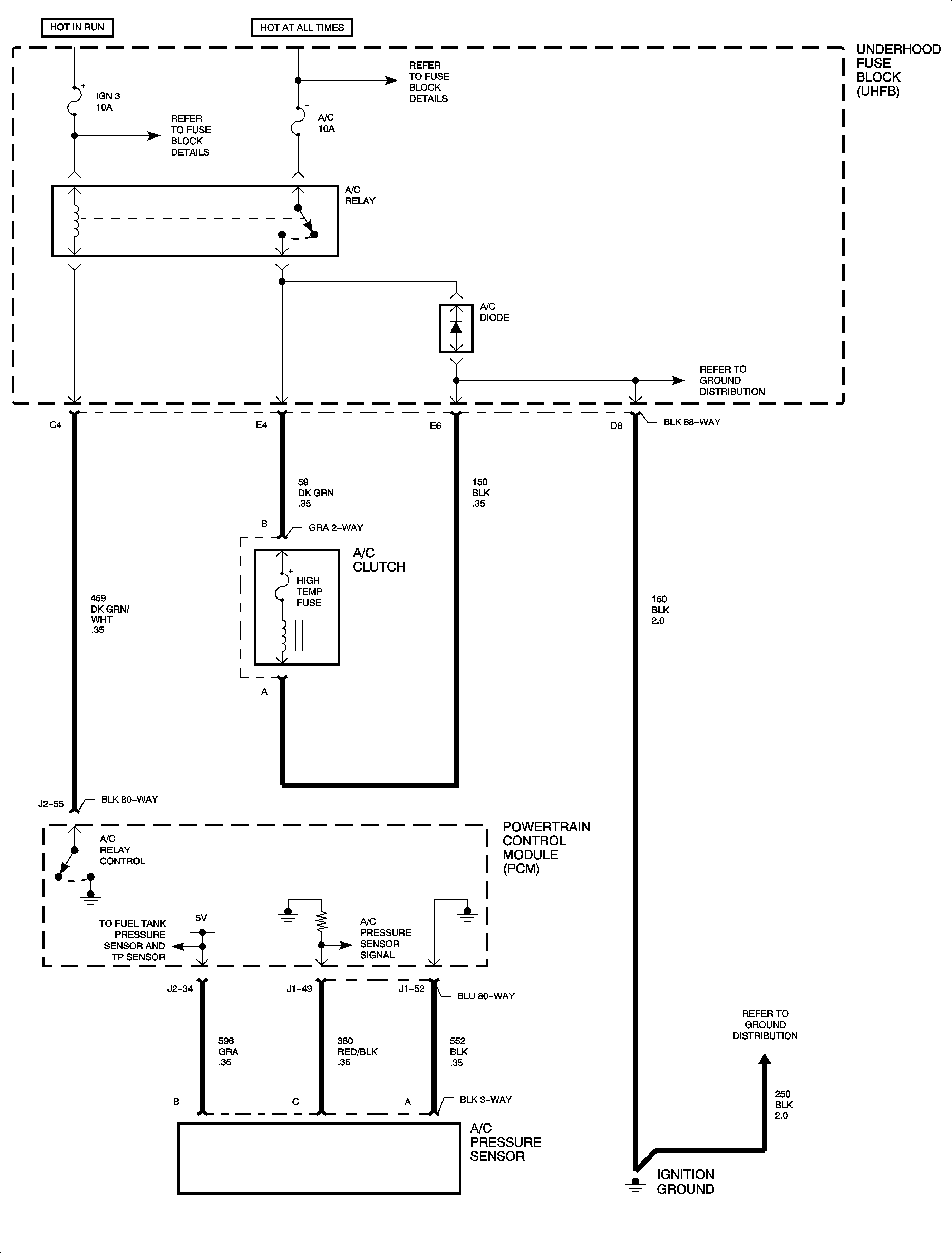
Figure 3:

(3 of 7) - L61


Object Number: 889073  Size: FP
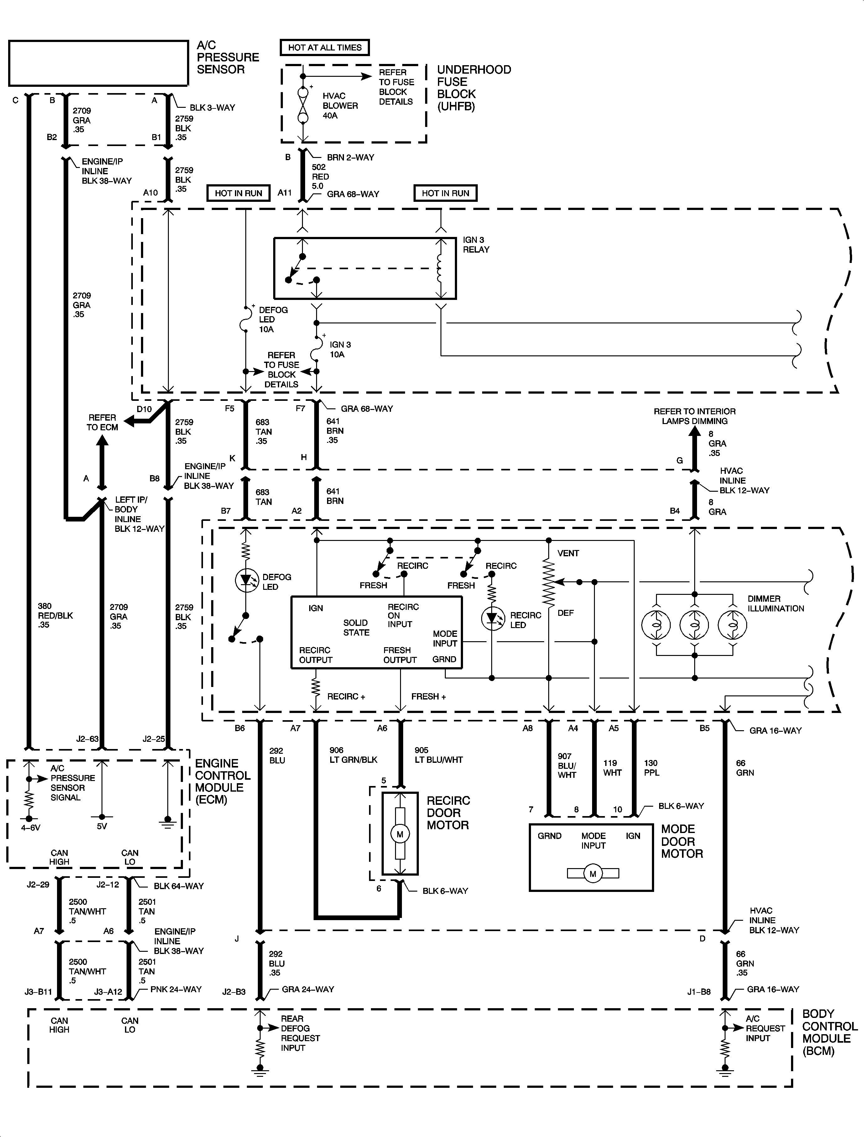
Figure 4:

(4 of 7) - L61


Object Number: 889074  Size: FP
Figure 5:

(5 of 7) - L81


Object Number: 889072  Size: FP
Figure 6:

(6 of 7) - L81


Object Number: 889073  Size: FP
Figure 7:

(7 of 7) - L81


Object Number: 889075  Size: FP