GM Service Manual Online
For 1990-2009 cars only

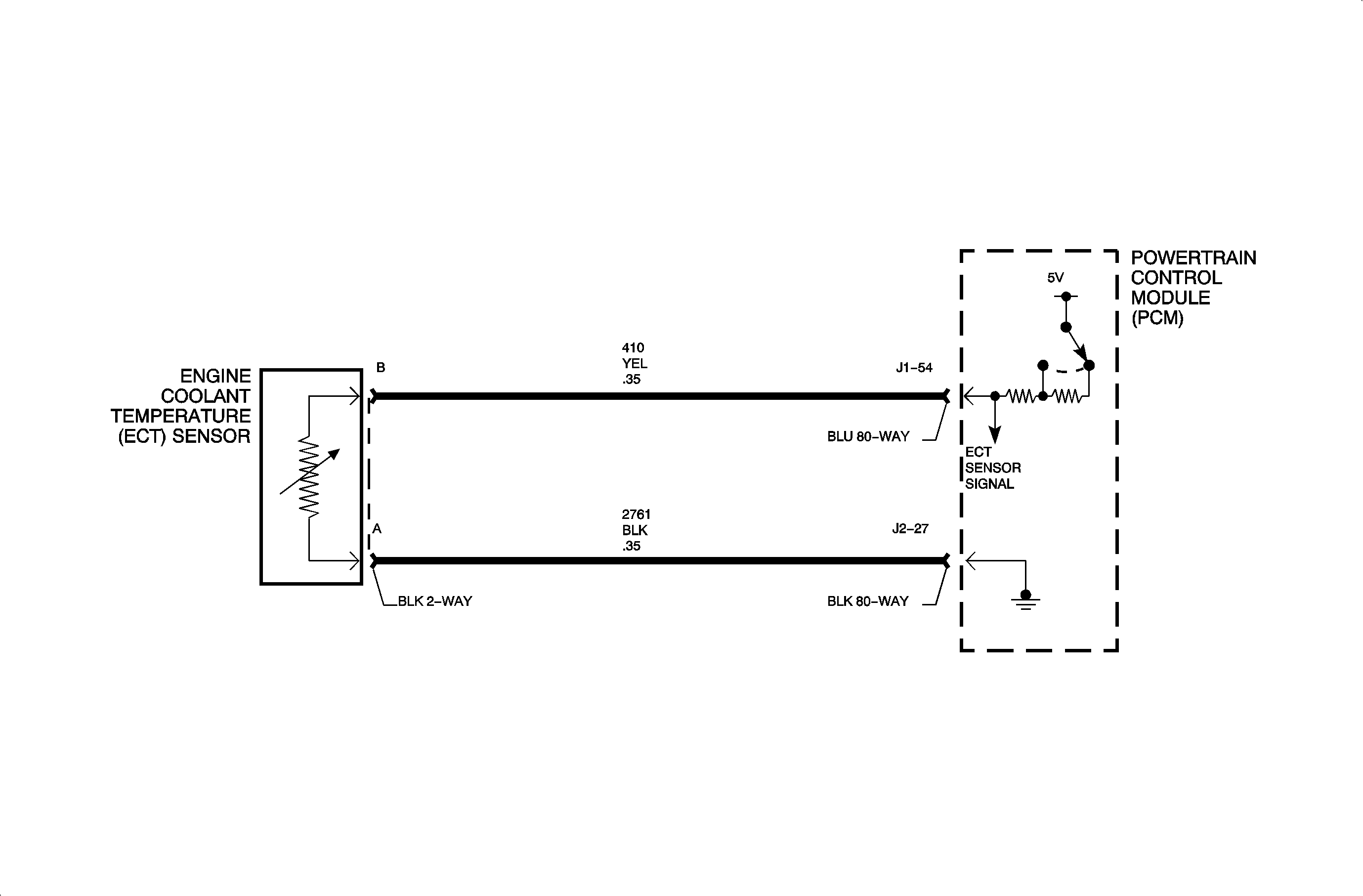
Object Number: 889650  Size: MF

The engine coolant temperature (ECT) sensor is a thermistor that varies resistance according to changes in engine coolant temperature. The PCM supplies a 5 volt reference through a pull-up resistor to the sensor, which is connected to ground. When the sensor is cold, it has high resistance, high signal voltage at the PCM. As the sensor temperature increases, its resistance decreases, lower signal voltage at the PCM. The PCM uses the signal voltage to determine engine coolant temperature. DTC P0117 sets when the ECT sensor signal voltage at the PCM is below the calibrated voltage value, over the calibrated temperature value.

Conditions for Setting the DTC

DTC P0117 will set if ECT sensor temperature is over 138°C (280°F) when:

    • The condition exists for longer than 6 seconds.
    • Engine run time is greater than 2 minutes and 8 seconds.

DTC P0117 diagnostic runs continuously once the above conditions have been met.

P0117 is a type B DTC.

Diagnostic Aids

To locate an intermittent problem, use the scan tool to monitor the ECT temperature with the ignition ON and the engine OFF. Wiggling the wires while watching for a change in ECT temperature may locate the area where a short to ground in the wiring could lie.

Engine coolant leaking from the sensor into the sensor connector will cause a shorted condition across the sensor terminals resulting in an elevated temperature.

The coolant temperature gage will read COLD if DTC P0117 is active.

The PCM will command the cooling fans ON if DTC P0117 is active.

Important: The PCM uses a different 5 volt pull-up resistor network when the ECT reaches 49°C (121°F). Make sure the reading is normal below and above this temperature.

Refer to ECT General Description for a Temperature vs. Resistance chart.


Object Number: 889895  Size: FP