GM Service Manual Online
For 1990-2009 cars only

Object Number: 889627  Size: MF

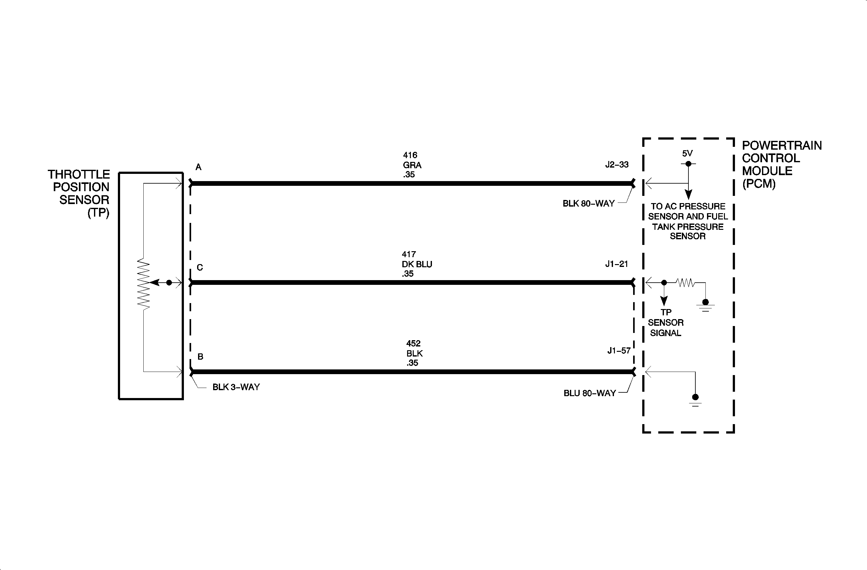
The throttle position (TP) sensor is a potentiometer that varies resistance according to changes in throttle plate position. The PCM measures the signal voltage from the TP sensor, which is a reduced value of the PCM 5 volt reference. The voltage ranges from 0-.15-0.55 volts at 0 percent throttle to 4.45-4.85 volts at wide open throttle. DTC P0123 sets when the TP sensor signal voltage at the PCM is above the calibrated voltage value.

Conditions for Setting the DTC

DTC P0123 will set under the following conditions:

    • TP sensor voltage is greater than 4.86 volts for 14 seconds.
    • The engine is running.
    • No MAP sensor DTCs have been set.
        OR
    • TP sensor voltage is greater than 3.91 volts for 14 seconds.
    • The engine is running and less than 1,500 RPM.
    • The MAP is less than 60 kPa.
    • No MAP sensor DTCs have been set.

DTC P0123 diagnostic runs continuously with the engine running.

P0123 is a type B DTC.

Diagnostic Aids

To locate an intermittent problem, use the scan tool to monitor TP SENSOR voltage with the ignition ON and the engine OFF. Wiggling the wires while watching for a change in TP SENSOR voltage may locate the area where an open or short to voltage in the wiring could lie.

Important: The A/C pressure sensor, fuel tank pressure sensor, and TP sensor are all tied to the same 5 volt reference source.

An intermittent short in the TP sensor can cause this DTC to set. Use the scan tool to monitor TP SENSOR as the accelerator pedal is slowly depressed. The voltage should change smoothly from 0.35 volts at 0 percent throttle, to 4.45-4.85 volts at wide open throttle.


Object Number: 889902  Size: FP