GM Service Manual Online
For 1990-2009 cars only

Object Number: 889685  Size: MF

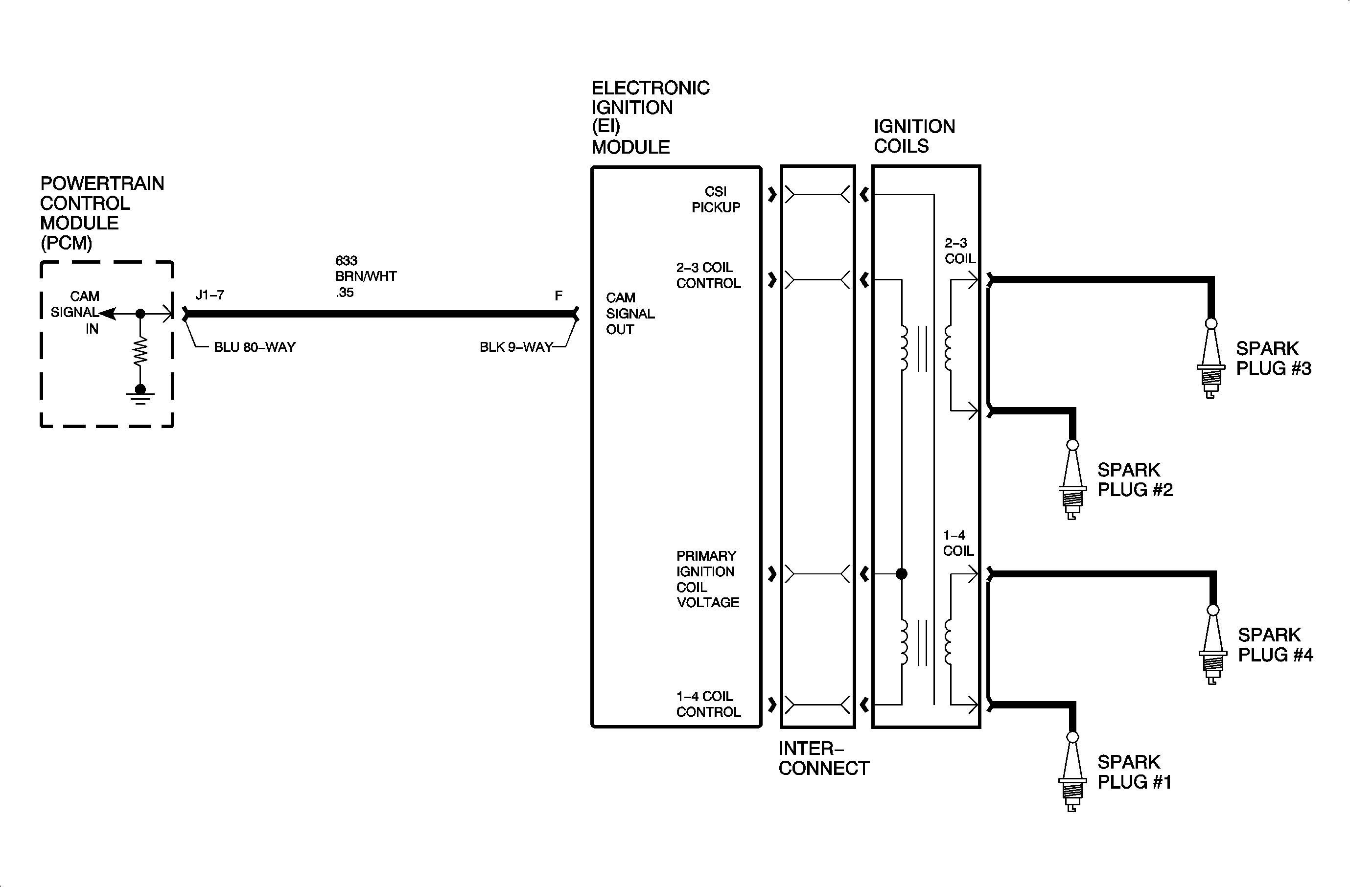
The electronic ignition (EI) module supplies 5 volts to the cam signal circuit whenever it determines cylinder #1 or cylinder #3 has just fired on its compression stroke. The EI module uses capacitive pickup plates located under the 1/4 and 2/3 coil packs to determine the polarity sequence and voltage amplitude of the cylinder 1/4 and 2/3 secondary ignition. The PCM has an internal resistor tied to ground on the signal line in order to detect 0 volts when no cam signal is received. Since the engine firing order is 2-1-3-4, the PCM expects to see a bit pattern of 00000110 or 00001001 after the firing order is complete. Only the last 4 bits are used. A "1" bit equals 5 volts and a "0" bit equals 0 volts. This bit pattern can be read on the scan tool as CALC. COMPRESSION OUTPUT. If the bit pattern 00000110 is detected, the PCM is syncing the engine on TDC compression #1 cylinder. If the bit pattern 00001001 is detected, the PCM is syncing the engine on TDC compression #4 cylinder. DTC P0340 sets when the PCM detects no change in the cam signal input for a certain number of engine revolutions during engine crank or initial start.

Conditions for Setting the DTC

DTC P0340 will set if the PCM does not detect any change in the "cam signal in" input for 35 crankshaft revolutions (70 combustion events) when the MAP is greater than 30 kPa.

DTC P0340 diagnostic runs once during engine crank or initial start.

DTC P0340 is a type B DTC.

Diagnostic Aids

Important:  If DTC P0336 is also set, diagnose that DTC first. An intermittent crank signal will result in an interrupted cam signal and may set this DTC.

To locate an intermittent problem, use the scan tool to monitor CMP ACTIVE COUNTER while running the engine. The counter should continuously count up to 255 then reset to 0. The counter will stop counting if a fault occurs in the cam signal circuit.

In order for this DTC to set, a fault must exist on cam signal circuit 633 or low resistance must exist in both the #1 and #3 secondary ignition system or high resistance must exist in both the #4 and #2 secondary ignition system.

If an open or short to ground occurs in circuit 633, CALC. COMPRESSION OUTPUT on the scan tool will read 00000000. If a short to voltage occurs, the display will read 00001111.

A missing cam pulse without a cylinder misfire may not affect engine operation.


Object Number: 890031  Size: FP