GM Service Manual Online
For 1990-2009 cars only

Object Number: 896289  Size: MF

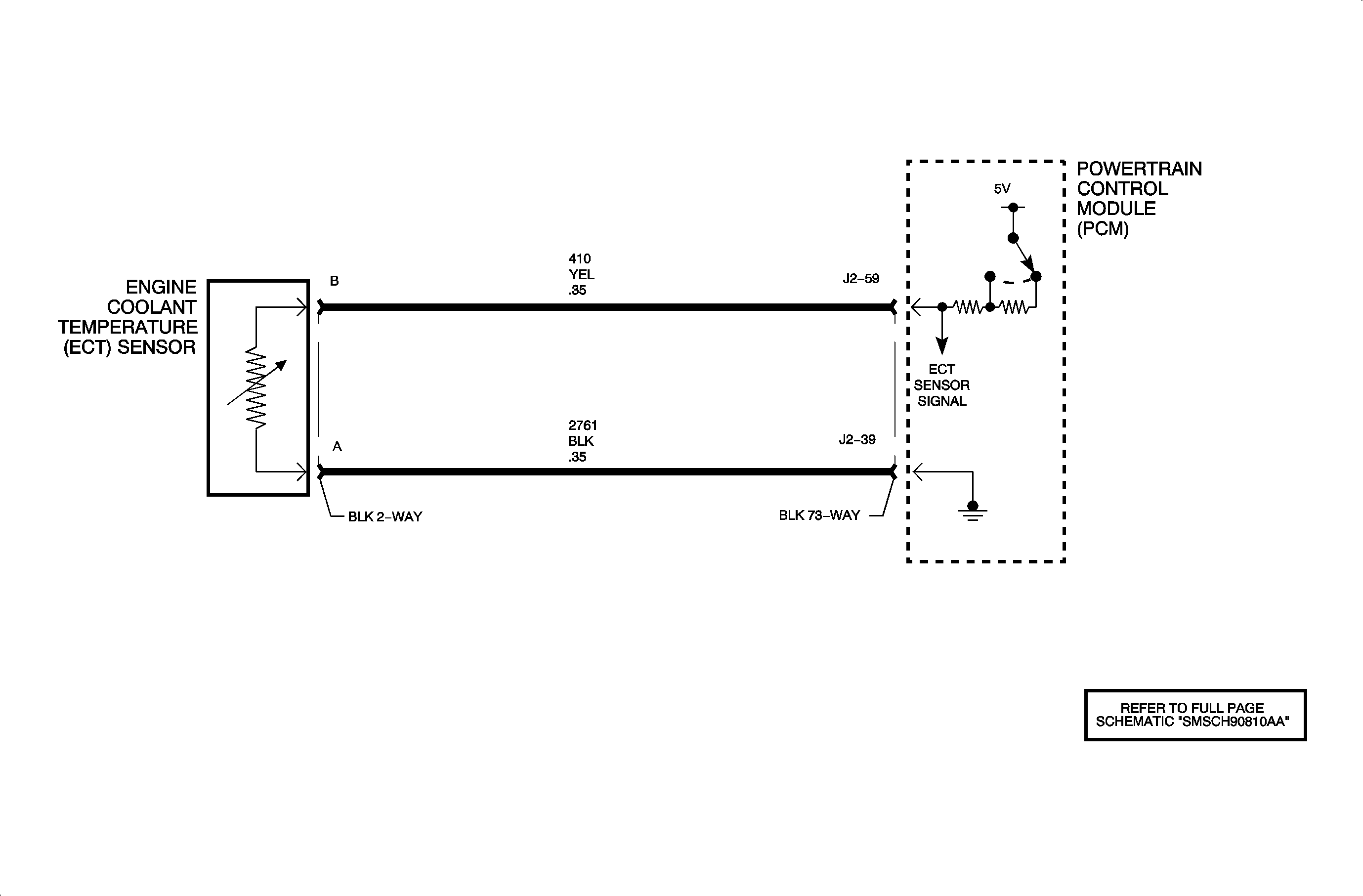
The engine coolant temperature (ECT) sensor is a thermistor that varies resistance according to changes in engine coolant temperature. The PCM supplies a 5 volt reference through a pull-up resistors to the sensor, which is connected to ground. When the sensor is cold it has a high resistance (high signal voltage at PCM). As the sensor temperature increases, its resistance decreases (lower signal voltage at PCM). The PCM uses the signal voltage to determine engine coolant temperature. DTC P0125 sets when the calculated accumulated airflow exceeds the predicted accumulated airflow when the engine coolant temperature has reached a calibrated temperature. More air will flow through a cold engine then when the engine is warm.

DTC Parameters

DTC P0125 will set if the calculated accumulated airflow has been exceeded, based on predicted airflow, when the ECT sensor temperature has reached 40°C (104°F) when:

    • The vehicle has traveled greater than 0.8 km (0.5 miles) when the vehicle speed is above 40 km/h (25 mph).
    • The calculated average air flow is greater than 20 g/s.
    • The engine run time is between 30 seconds and 30 minutes.
    • The startup ECT is less than 35°C (95°F).
    • The IAT is greater than -7°C (+19°F)
    • No CKP, ECT, EVAP leak, fan control, fuel injector, fuel tank pressure, fuel trim, IAT, knock, MAP, misfire, HO2S-1, TP, vehicle speed, P0420, P0446, or P1441 DTCs have been set.

DTC P0125 diagnostic runs once per ignition cycle once the above conditions have been met.

P0125 is a type B DTC.

Diagnostic Aids

DTC P0125 indicates lower than normal engine coolant temperature, which most likely was NOT caused by a short/open or intermittent short/open in the ECT wiring.

Possible causes of low engine coolant temperature:

    • Thermostat stuck open
    • Cooling fans always ON
    • Very low ambient temperatures
    • Corrosion in connector or resistance in wiring
    • Skewed sensor

Refer to ECT General Description for a Temperature vs. Resistance chart.