GM Service Manual Online
For 1990-2009 cars only

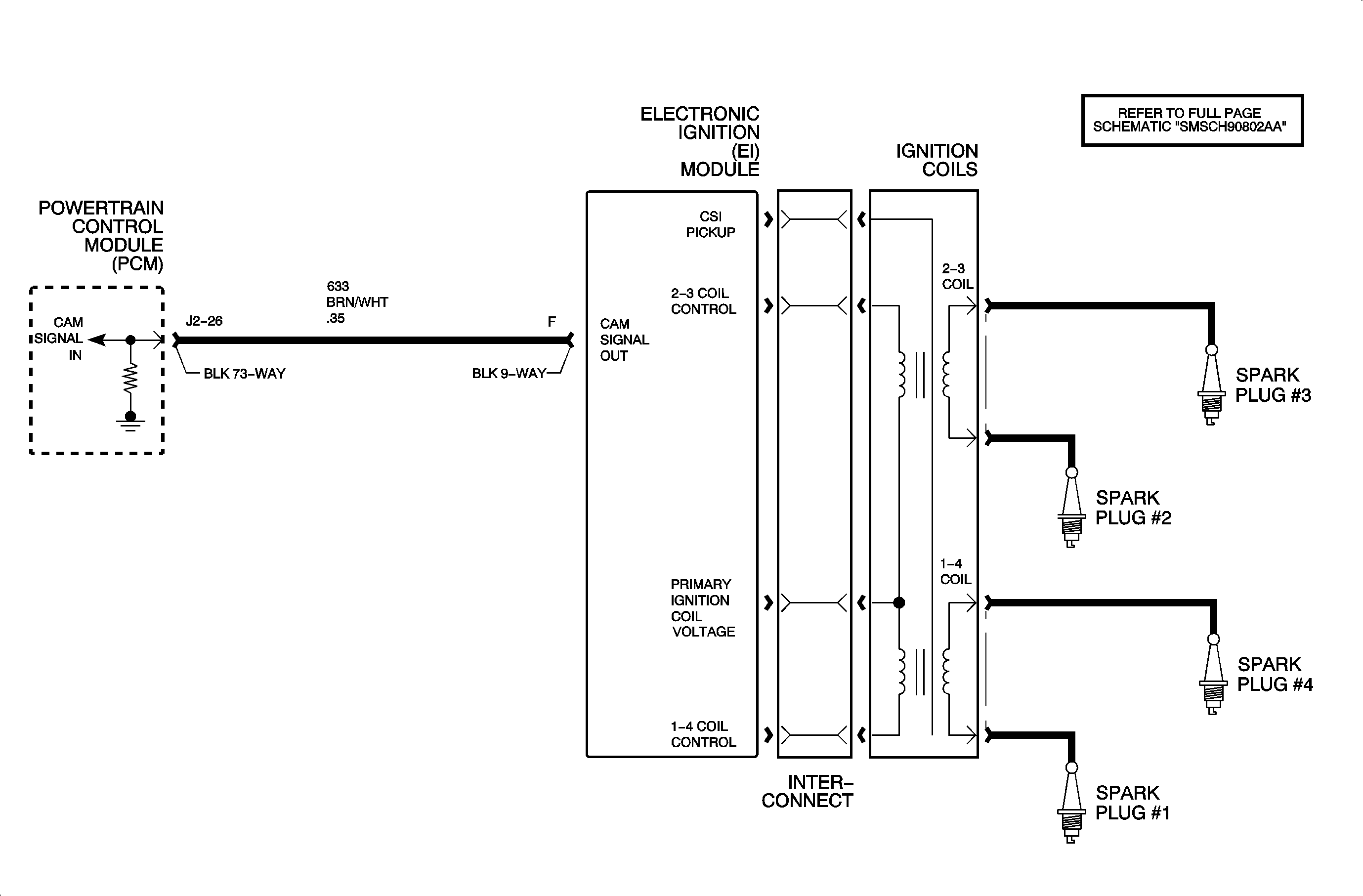
Object Number: 895549  Size: MF

The electronic ignition (EI) module supplies 5 volts to the cam signal circuit whenever it determines cylinder #1 or cylinder #3 has just fired on its compression stroke. The EI module uses capacitive pickup plates located under the 1/4 and 2/3 coil packs to determine the polarity sequence and voltage amplitude of the cylinder 1/4 and 2/3 secondary ignition. The PCM has an internal resistor tied to ground on the signal line in order to detect zero volts when no cam signal is received. Since the engine firing order is 3-4-2-1, the PCM expects to see a bit pattern of 00000110 or 00001001 after the firing order is complete. Only the last 4 bits are used. A "1" bit equals 5 volts and a "0" bit equals 0 volts. This bit pattern can be read on the scan tool as CALC. COMPRESSION OUTPUT. If the bit pattern 00000110 is detected, the PCM is syncing the engine on TDC compression #2 cylinder. If the bit pattern 00001001 is detected, the PCM is syncing the engine on TDC compression #3 cylinder. DTC P0341 sets when the PCM detects too many cam resyncs within a certain amount of time.

DTC Parameters

DTC P0341 will set if the CMP RESYNC COUNTER is greater than 30 in a 256 second window when:

    • The MAP is greater than 30 kPa.
    • The engine is running.

DTC P0341 diagnostic runs continuously once the above conditions have been met and the vehicle is not in a decel.

DTC P0341 is a B DTC.

Diagnostic Aids

If DTC P0336 is set, diagnose that DTC first. An intermittent fault in the CKP circuit will cause the PCM to resync the cam and may set this DTC. If the PCM is resyncing the camshaft, CMP RESYNC COUNTER on the scan tool will increment with the engine running.

An intermittent short to voltage on circuit 633 can set this DTC. A direct short to voltage on circuit 633 will set DTC P0340, as there will be no change in the cam signal input. If a short to voltage occurs on circuit 633, CALC. COMPRESSION OUTPUT on the scan tool will read 00001111.

Electromagnetic interference (EMI) may also set DTC P0341. Make sure the wiring harness is away from the battery cables and attached to the appropriate clips and retainers.

Too many cam pulses without a cylinder misfire may not affect engine operation.