GM Service Manual Online
For 1990-2009 cars only

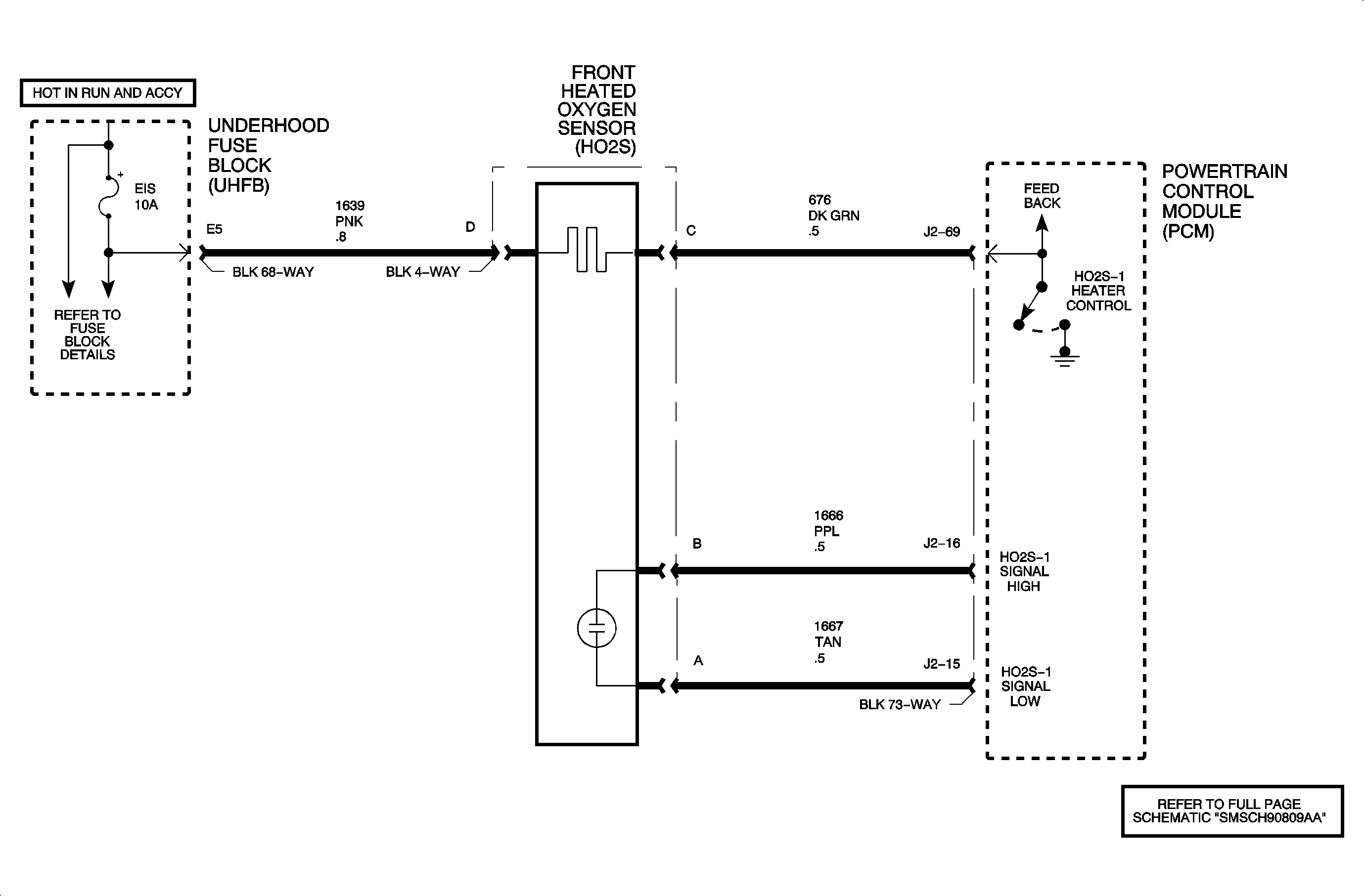
Object Number: 896283  Size: MF

The heated oxygen sensor 1 (H02S-1) is an electrical source that responds to oxygen content in the exhaust manifold. When the sensor reaches approximately 316°C (600°F), it produces a voltage based on the difference in oxygen between the atmosphere and exhaust gas. The PCM sends a bias voltage (399-499 mV) on the signal line, which is pulled up through high resistance. When the HO2S-1 is cold, it produces no voltage and has extremely high internal resistance. The internal resistance of the sensor is much greater than the resistance of the bias pull-up resistor. However, when the sensor heats up, it produces voltage that overrides the bias voltage. This voltage is read by the PCM to determine a rich/lean HO2S-1 signal used to adjust injector pulse width. Under normal conditions, low sensor voltage means high oxygen content/lean air-fuel mixture and vice versa. Normal sensor readings will fluctuate between 10-1065 mV. DTC P0132 sets when the HO2S-1 signal voltage is too high for a certain length of time.

DTC Parameters

DTC P0132 will set if HO2S-1 voltage is greater than 946 mV for 50 seconds when the conditions listed below have been met for 14 seconds:

OR

HO2S-1 voltage is greater than 1042 mV for 2.5 seconds in decel fuel cutoff mode when the following conditions have been met for 14 seconds:

    • The ECT is greater than 75°C (167°F).
    • The calculated airflow is greater than 3 g/s.
    • The TP angle is between 8-50 percent.
    • No CKP, ECT, EVAP, fuel injector, fuel tank pressure, fuel trim, IAT, idle speed, MAP, misfire, PCM internal fault, or TP sensor DTCs have been set.

DTC P0132 diagnostic runs continuously once the above conditions have been met.

P0132 is a type B DTC.

Diagnostic Aids

To locate an intermittent problem, use the scan tool to monitor HO2S-1 voltage with the ignition ON and the engine OFF. Wiggling the wires while watching for a change from bias voltage (399-499 mV) may locate the area where a short to voltage in the wiring could lie.

If the system is commanding lean (engine running rich) the HO2S-1 signal will be around 900 mV. The short term fuel trim value will be in the 100's as the system is near or at maximum correction. Review Failure Record information to check if the vehicle was running rich in a decel (TP angle = 0%, HO2S-2 voltage above 900 mV) at time the DTC set. If this was the case, check for a possible rich condition.


Object Number: 898427  Size: FP