GM Service Manual Online
For 1990-2009 cars only
Figure 1:

2.2L Engine Front Components


Object Number: 1253898  Size: MF
(1)Spark Plugs
(2)Ignition Control Module (ICM)
(3)Fuel Injectors
(4)Manifold Absolute Pressure (MAP) Sensor
(5)Idle Air Control (IAC) Valve
(6)Throttle Position (TP) Sensor
(7)Knock Sensor (KS)
(8)Crankshaft Position (CKP) Sensor
(9)Engine Oil Pressure (EOP) Switch
(10)Starter
(11)Generator
(12)A/C Refrigerant Pressure Sensor
(13)A/C Compressor Clutch
(14)Evaporative Emissions (EVAP) Canister Purge Solenoid
Figure 2:

Right Side of the Engine Components (2.2L)


Object Number: 1335206  Size: MF
(1)Intake Air Temperature (IAT) Sensor
Figure 3:

2.2L Engine Rear Components


Object Number: 1253901  Size: MF
(1)Heated Oxygen Sensor (HO2S) - Front
(2)Engine Coolant Temperature (ECT) Sensor
Figure 4:

Lower Right Side of the Engine Components (2.2L)


Object Number: 1335216  Size: MF
(1)G118
(2)A/C Compressor Clutch Coil
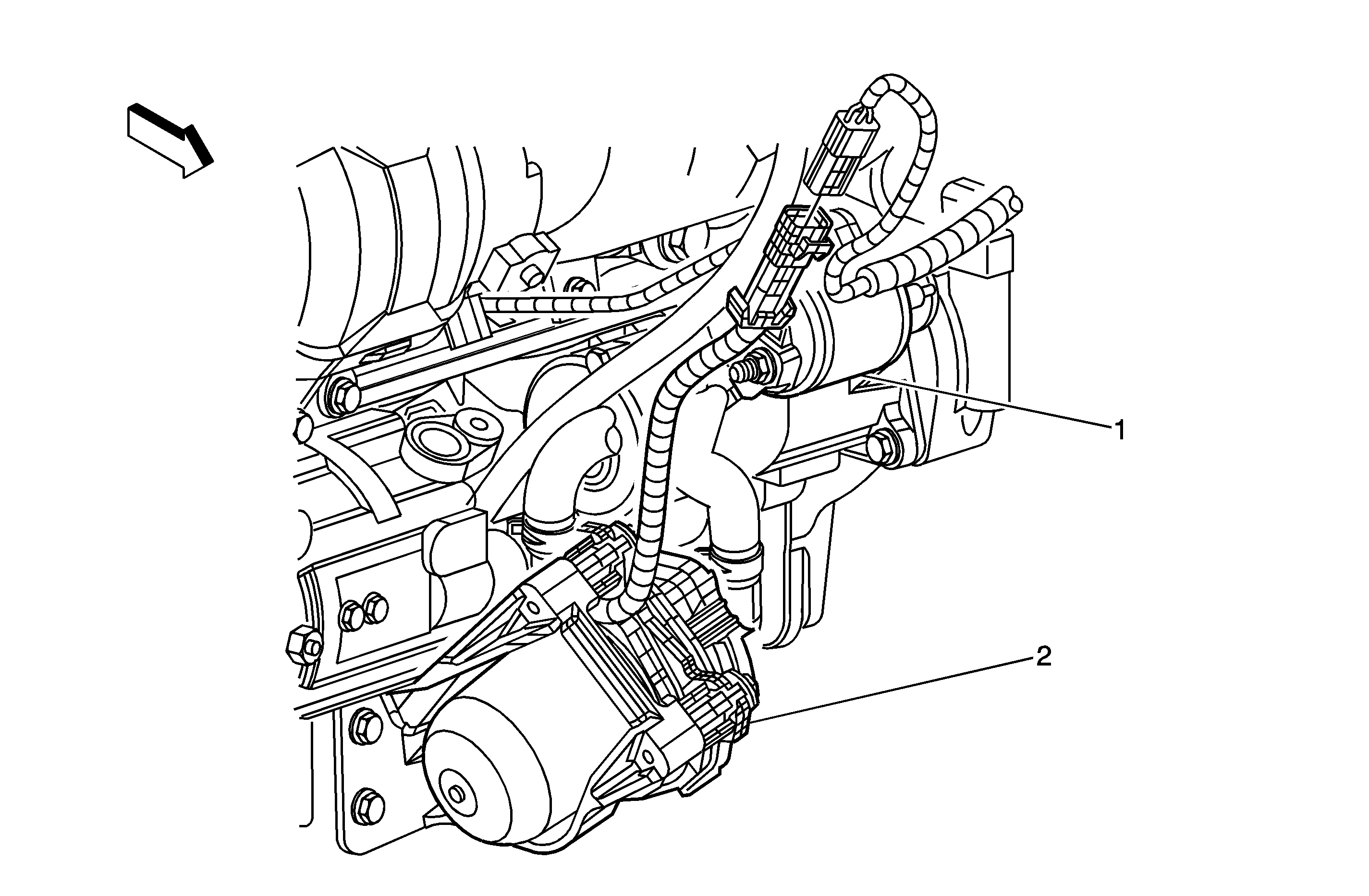
Figure 5:

Lower Left Side of the Engine Components (2.2L)


Object Number: 1335232  Size: MF
(1)Starter Solenoid
(2)Secondary Air Injection (AIR) Pump
Figure 6:

LR Corner of the Engine Compartment


Object Number: 1256256  Size: MF
(1)Powertrain Control Module (PCM) (2.2L)