GM Service Manual Online
For 1990-2009 cars only
Makes
🢒
Saturn
🢒
2003
🢒
L200/LW200
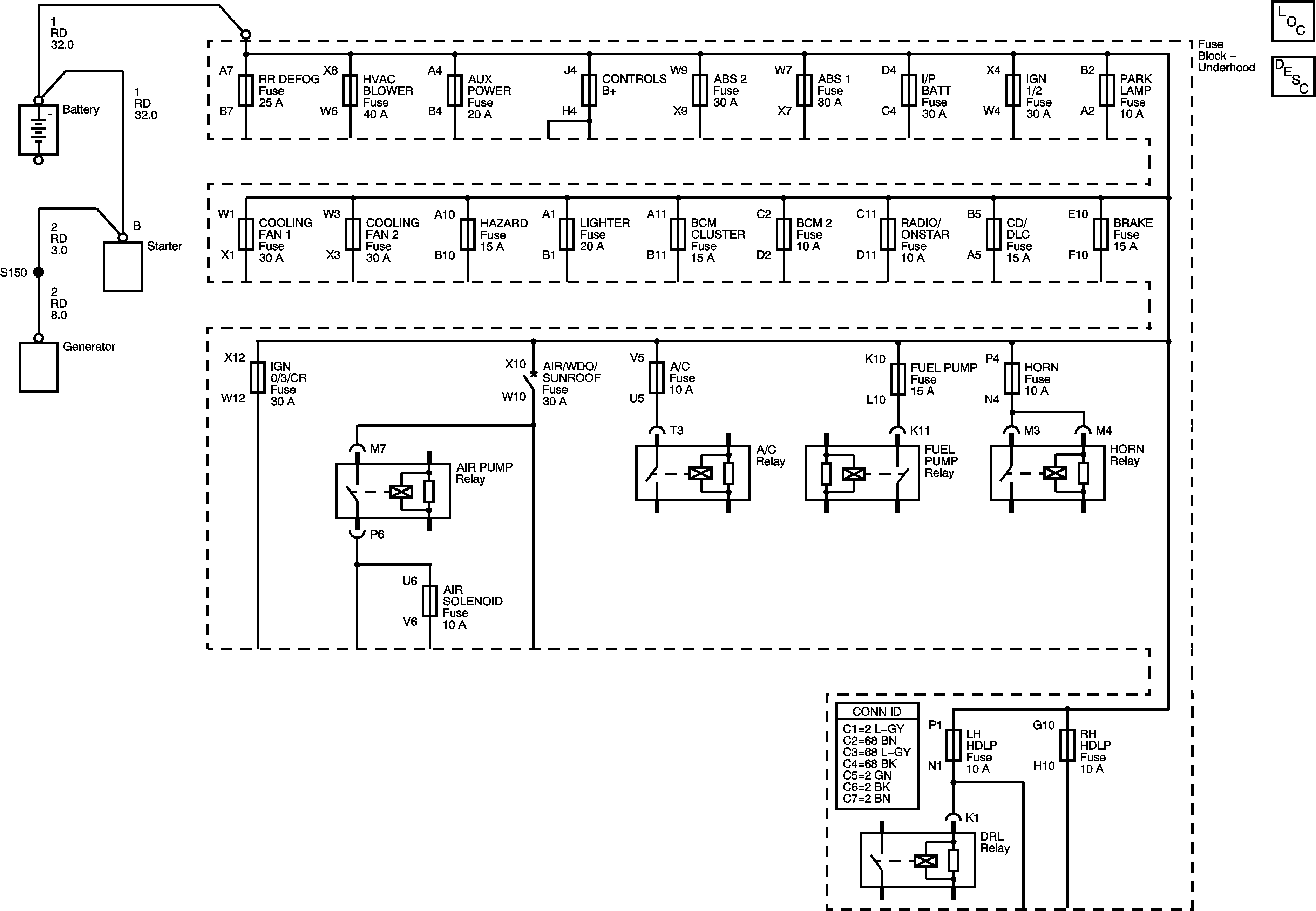
🢒 0 Fuse Block-Underhood Bus
0 Fuse Block-Underhood Bus
Fuse Block-Underhood Bus (L61)