GM Service Manual Online
For 1990-2009 cars only
Makes
🢒
Saturn
🢒
2003
🢒
L200/LW200
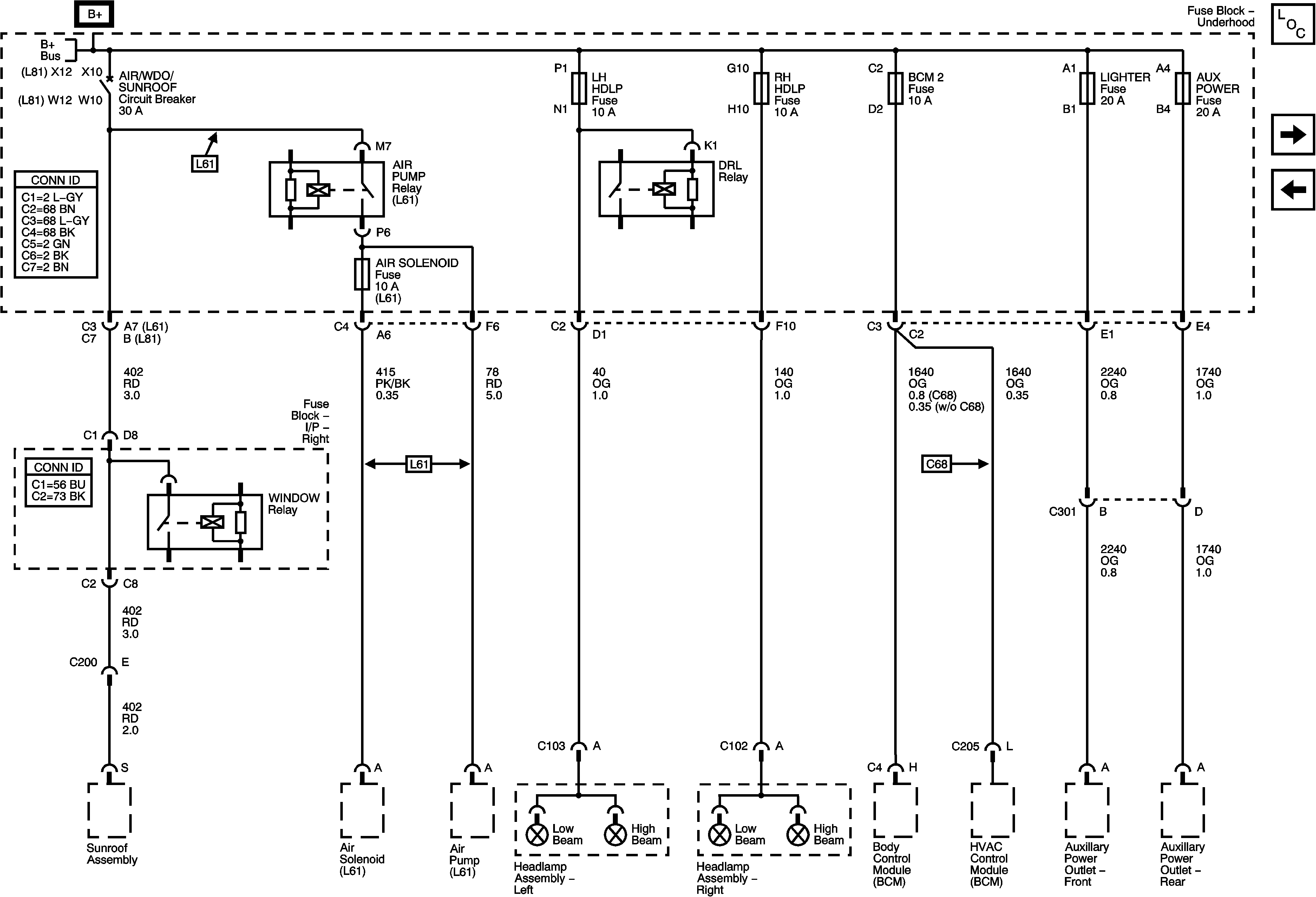
🢒 Fuse Block-Underhood : Air/Wdo/Sunroof, Air Solenoid, LH HDLP, RH HDLP, BCM2, Lighter and Aux Power
Fuse Block-Underhood : Air/Wdo/Sunroof, Air Solenoid, LH HDLP, RH HDLP, BCM2, Lighter and Aux Power
Fuse Block-Underhood : Air/Wdo/Sunroof, Air Solenoid, LH HDLP, RH HDLP, BCM2, Lighter and Aux Power