GM Service Manual Online
For 1990-2009 cars only
Makes
🢒
Saturn
🢒
2003
🢒
L200/LW200
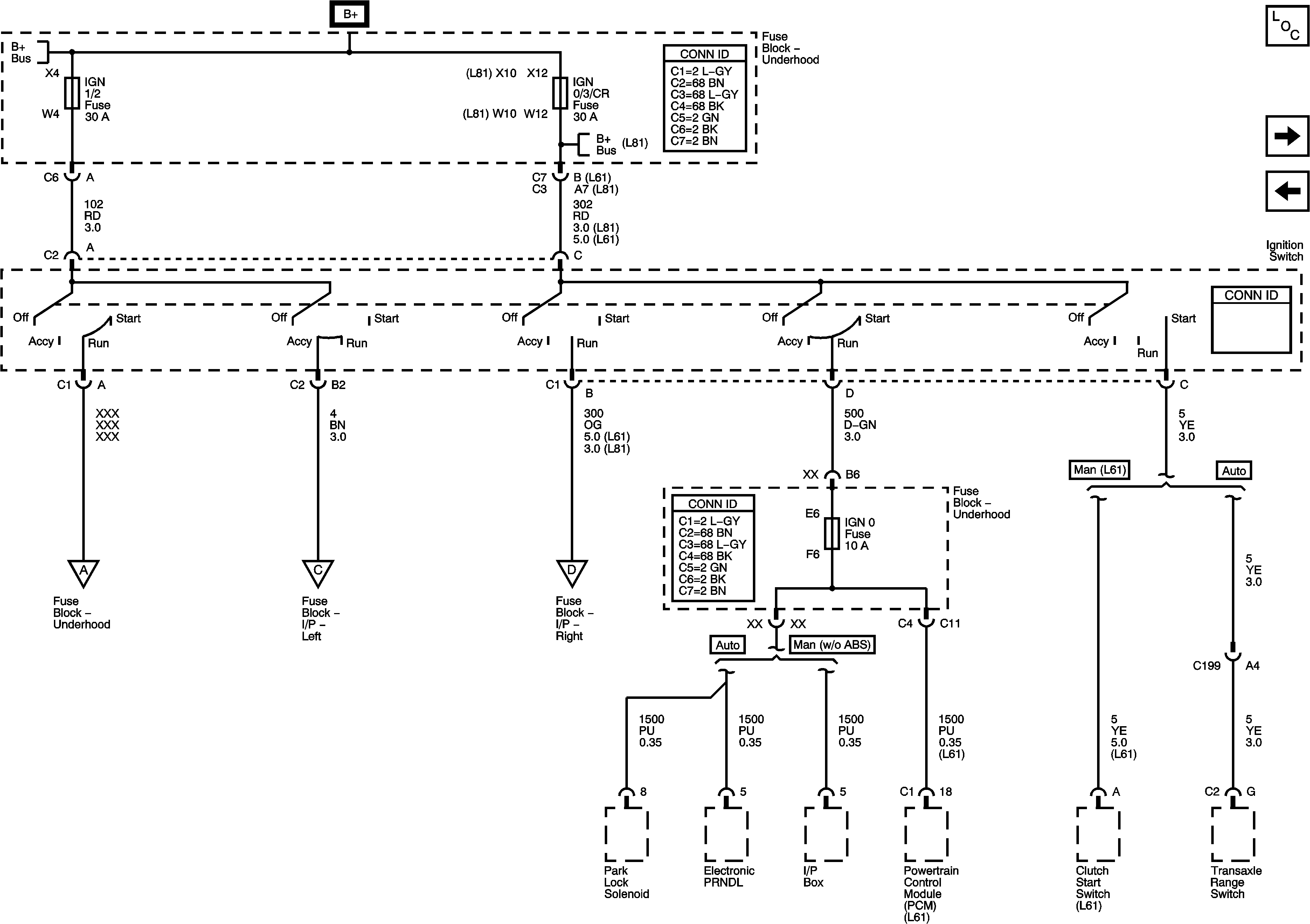
🢒 Fuse Block-Underhood : IGN1/2, IGN0 and IGN0/3/CR - Ignition Switch
Fuse Block-Underhood : IGN1/2, IGN0 and IGN0/3/CR - Ignition Switch
Fuse Block-Underhood : IGN1/2, IGN0 and IGN0/3/CR . Ignition Switch