GM Service Manual Online
For 1990-2009 cars only
Makes
🢒
Saturn
🢒
2003
🢒
L200/LW200
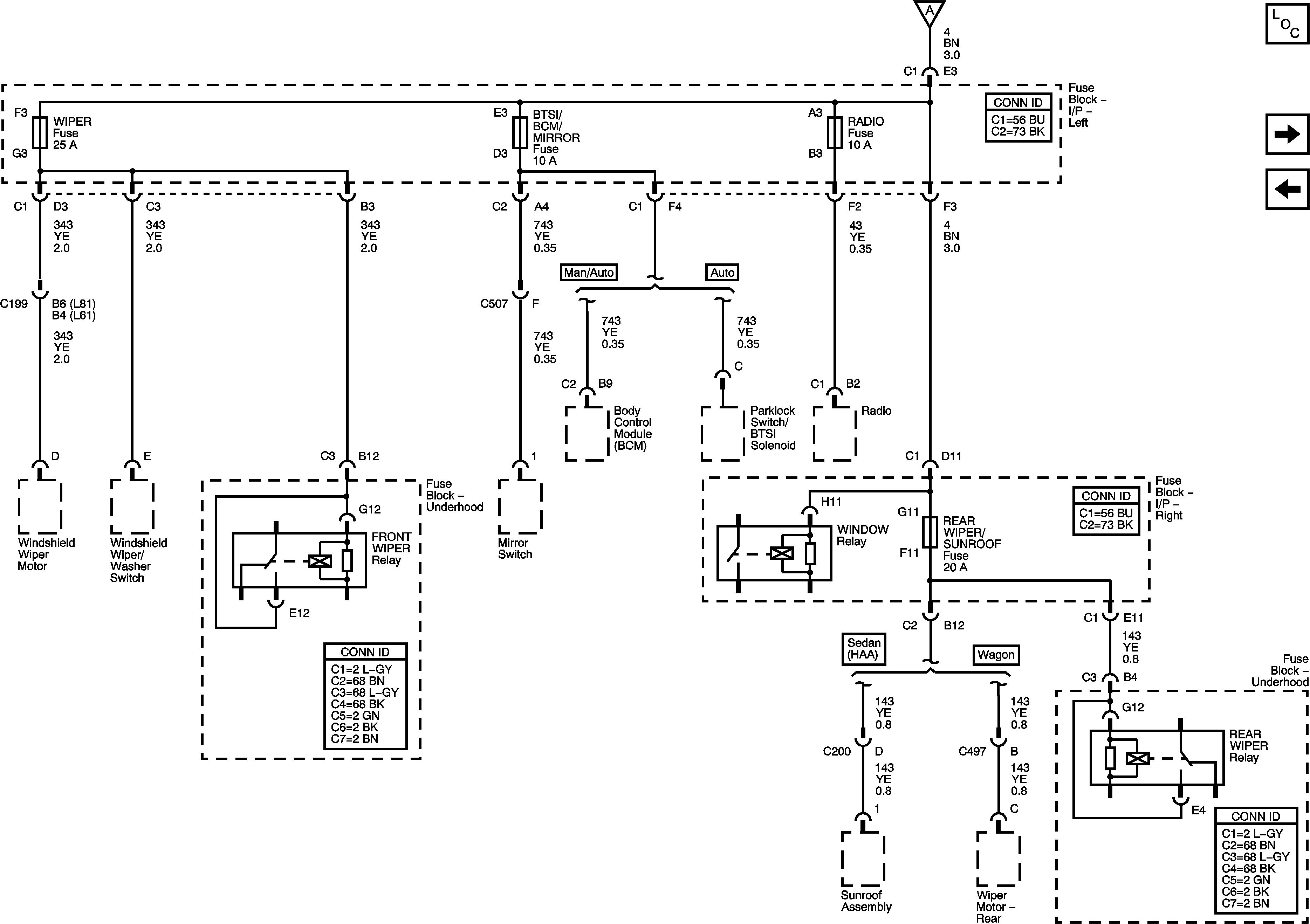
🢒 Fuse Block-Right I/P : Rear Wiper/Sunroof - Fuse Block-Left I/P : Wiper, BTSI/BCM/Mirror and Radio
Fuse Block-Right I/P : Rear Wiper/Sunroof - Fuse Block-Left I/P : Wiper, BTSI/BCM/Mirror and Radio
Fuse Block-Right I/P : Rear Wiper/Sunroof; Fuse Block-Left I/P : Wiper, BTSI/BCM/Mirror and Radio