GM Service Manual Online
For 1990-2009 cars only
Makes
🢒
Saturn
🢒
2003
🢒
L200/LW200
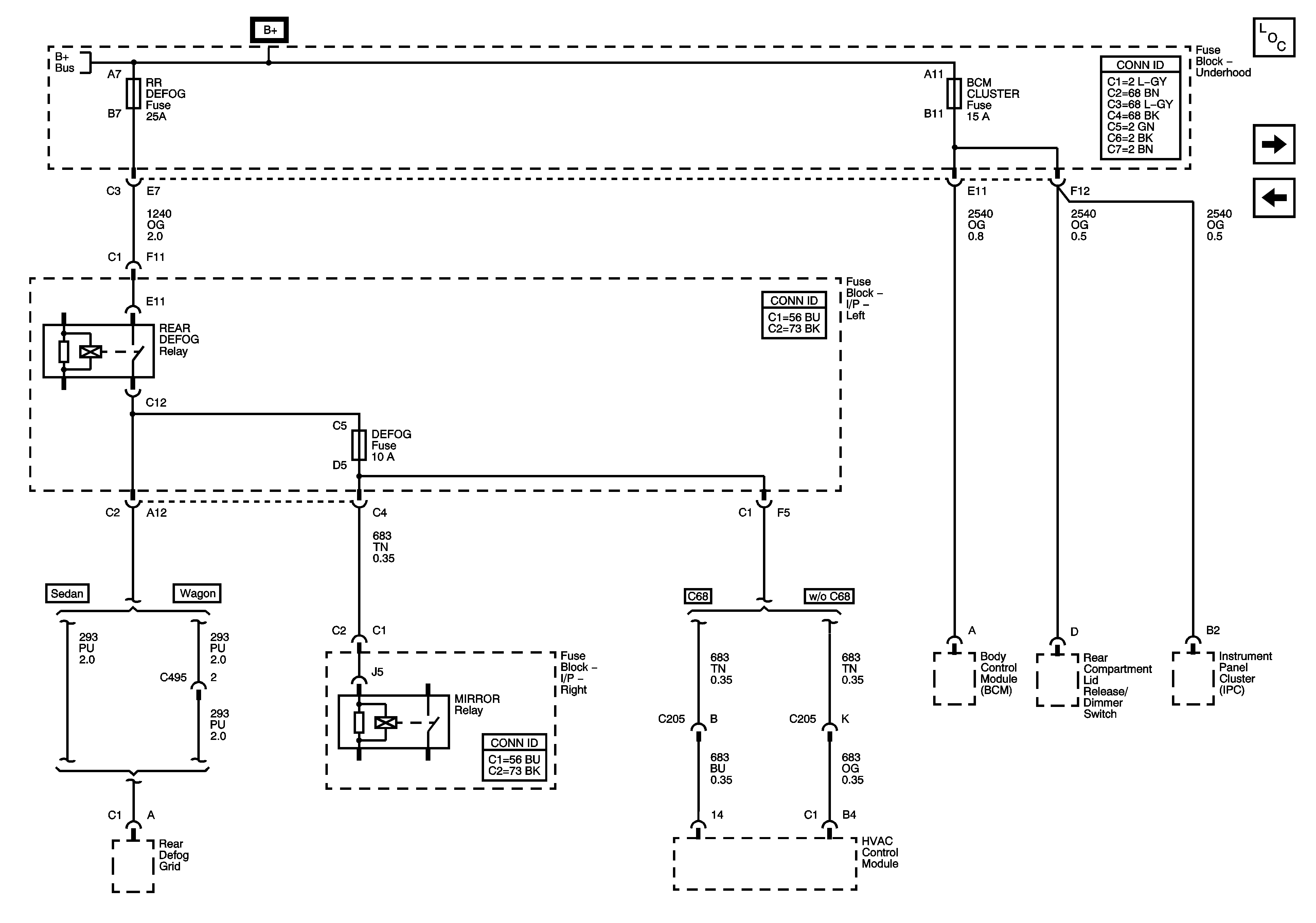
🢒 03 J saFuse Block-Underhood : RR Defog and BCM Cluster - Fuse Block-Left I/P : Defog
03 J saFuse Block-Underhood : RR Defog and BCM Cluster - Fuse Block-Left I/P : Defog
Fuse Block-Underhood : RR Defog and BCM Cluster; Fuse Block-Left I/P : Defog