GM Service Manual Online
For 1990-2009 cars only
Makes
🢒
Saturn
🢒
2003
🢒
L200/LW200
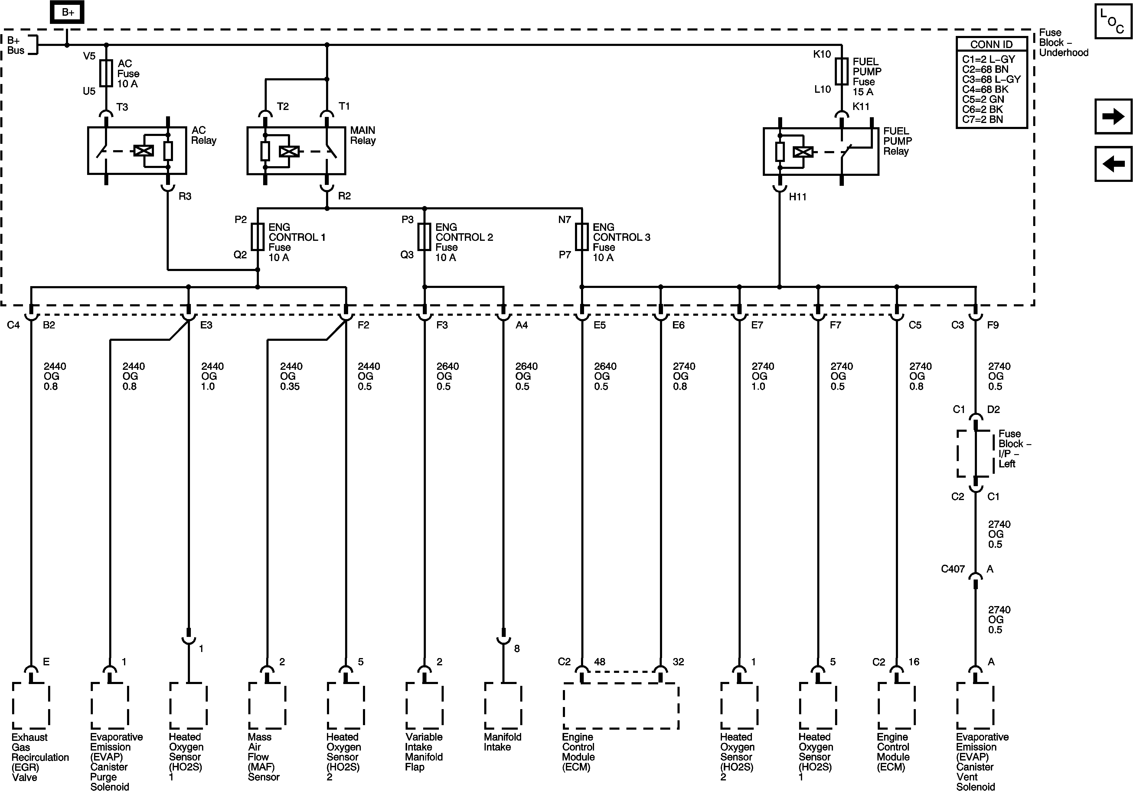
🢒 Fuse Block-Underhood : AC, Fuel Pump, ENG Control1, ENG Control2 and ENG Control3
Fuse Block-Underhood : AC, Fuel Pump, ENG Control1, ENG Control2 and ENG Control3
Fuse Block-Underhood : AC, Fuel Pump, ENG Control 1, ENG Control 2 and ENG Control 3