GM Service Manual Online
For 1990-2009 cars only
Makes
🢒
Saturn
🢒
2003
🢒
L200/LW200
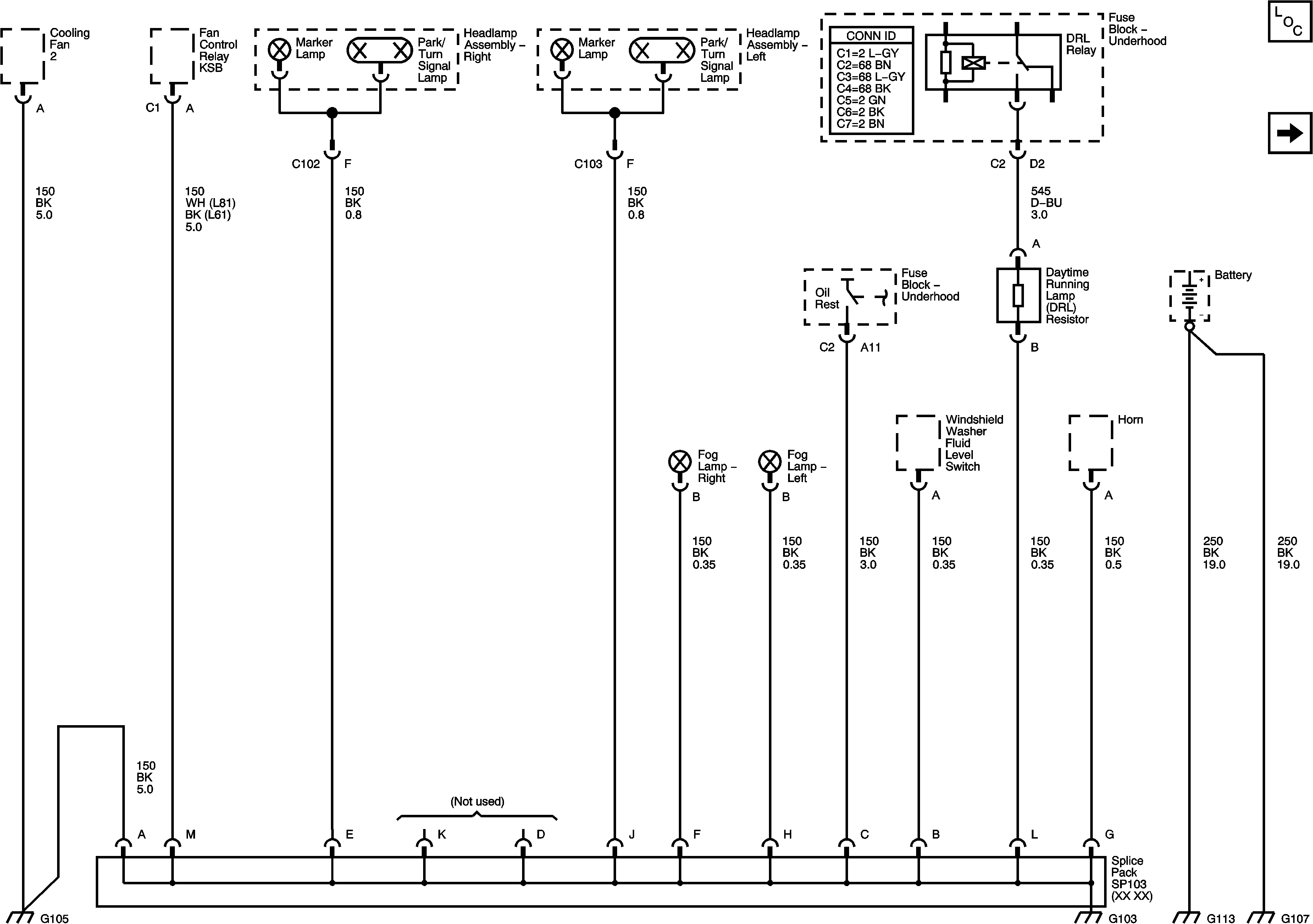
🢒 G105, G103, G113 and G107
G105, G103, G113 and G107
G105, G103, G113 and G107