GM Service Manual Online
For 1990-2009 cars only
Makes
🢒
Saturn
🢒
2003
🢒
L200/LW200
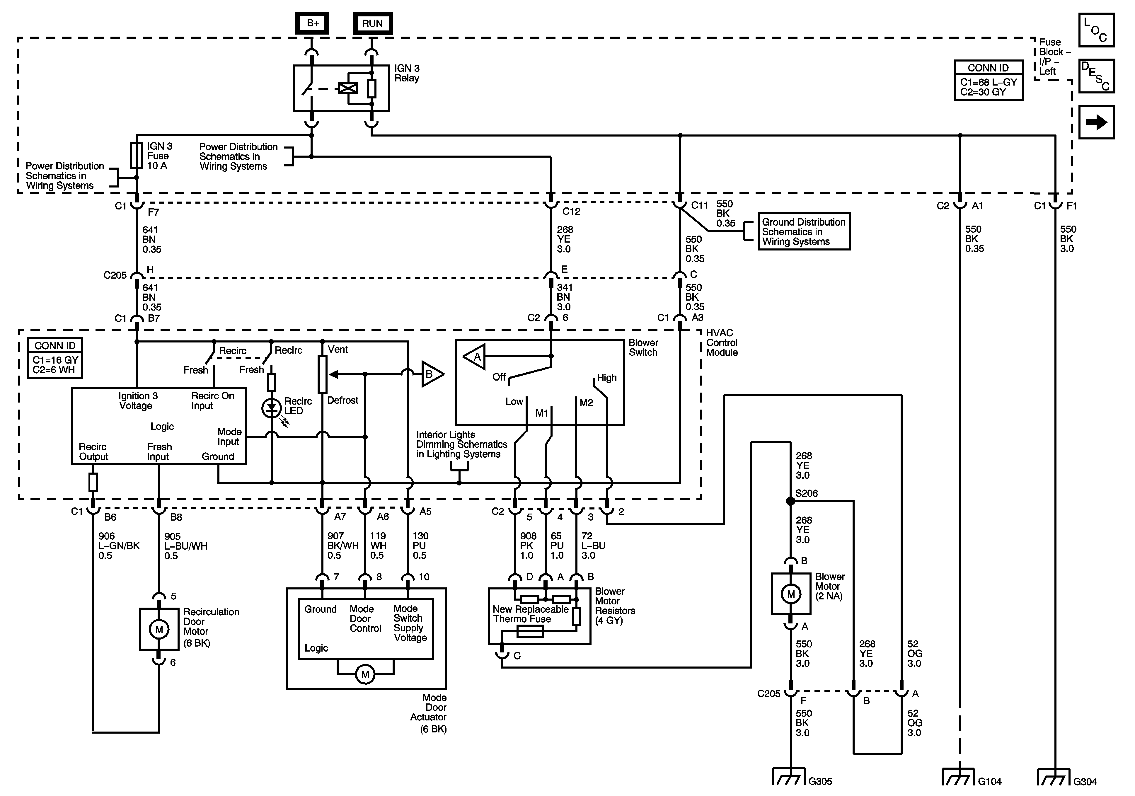
🢒 Blower Motor and Air Delivery
Blower Motor and Air Delivery
Blower Controls and Air Delivery
Master Electrical Component List
Air Delivery Description and Operation
A/C Compressor Controls- 2.2L
Fuse Block-Underhood : HVAC Blower, Radio/Onstar and CD/DLC - Fuse Block-Left I/P : IGN3
Fuse Block-Underhood : HVAC Blower, Radio/Onstar and CD/DLC - Fuse Block-Left I/P : IGN3
G300, G304
A/C Compressor Controls- 2.2L
A/C Compressor Controls- 2.2L
Interior Lights Dimming Schematics
G305, G401, G399 and G400
G300, G304
G300, G304