GM Service Manual Online
For 1990-2009 cars only
Makes
🢒
Saturn
🢒
2003
🢒
L200/LW200
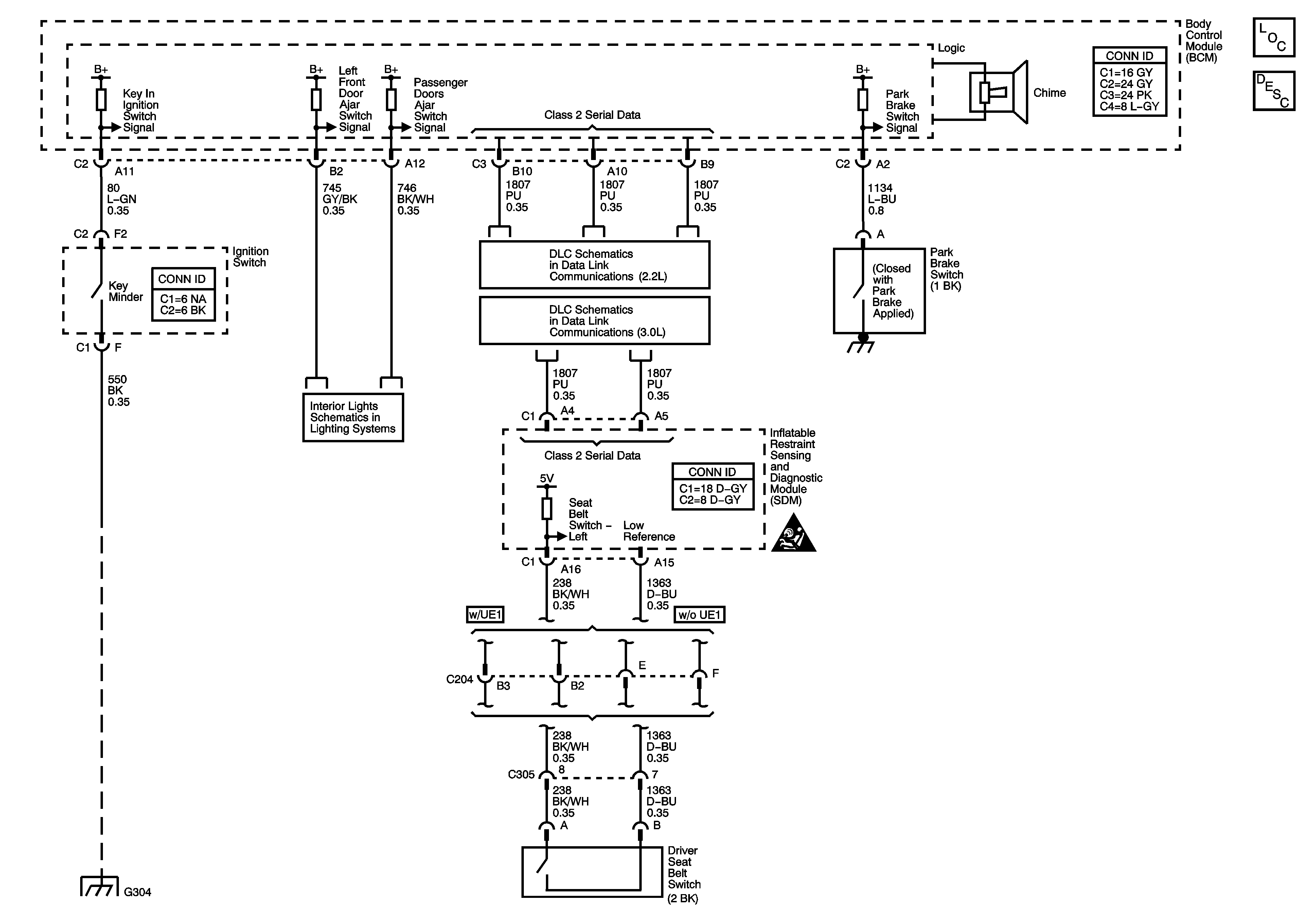
🢒 Audible Warning Schematic
Audible Warning Schematic
Master Electrical Component List
Audible Warnings Description and Operation
2.2L
3.0L
SIR Caution for Zoning
G300, G304