GM Service Manual Online
For 1990-2009 cars only
Makes
🢒
Saturn
🢒
2003
🢒
L200/LW200
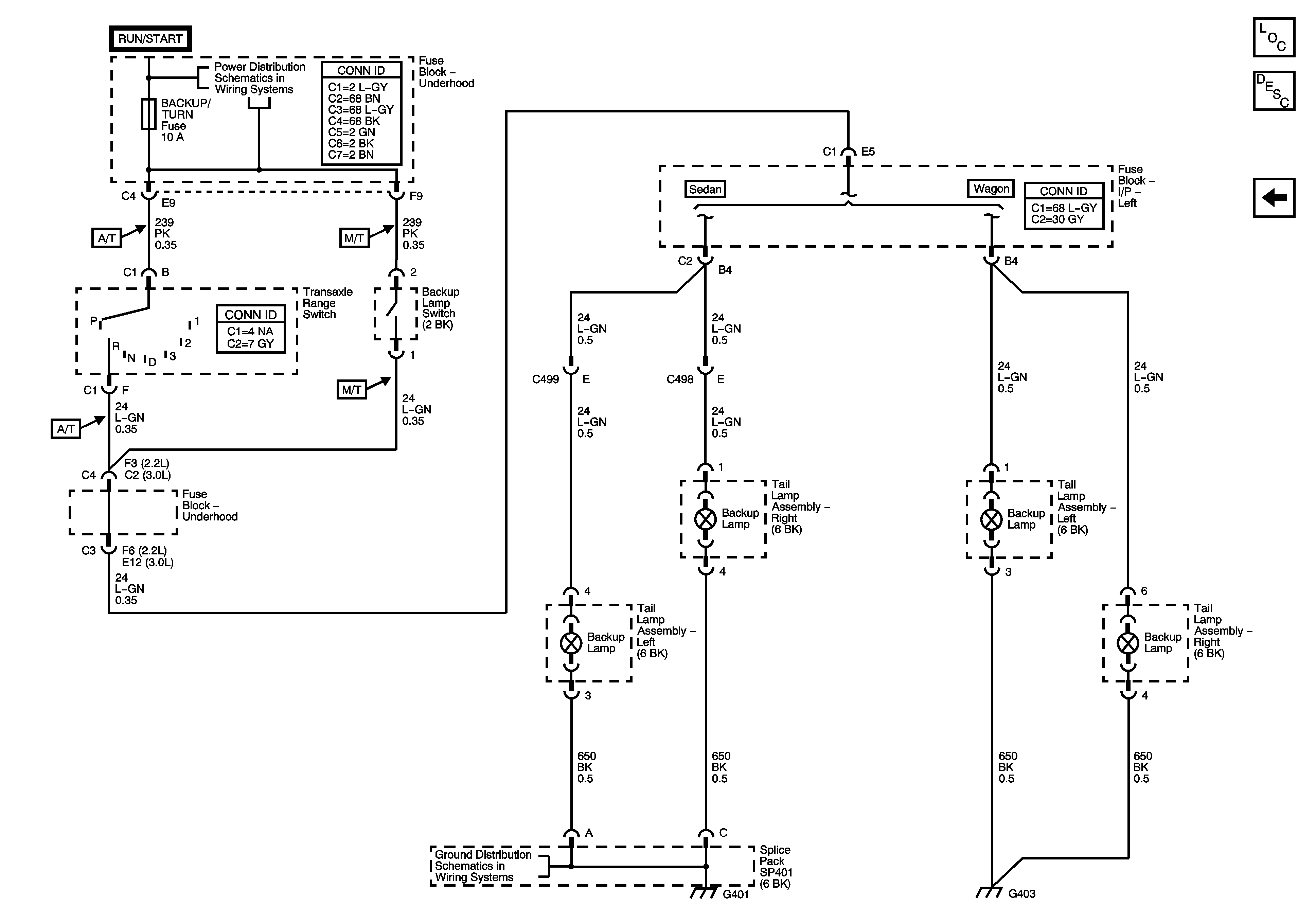
🢒 Backup Lamps
Backup Lamps
Backup Lamps
Master Electrical Component List
Exterior Lighting Systems Description and Operation
Turn/Hazard Lights
Fuse Block-Underhood : BCM/ECM/Cruise/ABS, Cruise Switch, IGN1 and Backup/Turn
G305, G401, G399 and G400