GM Service Manual Online
For 1990-2009 cars only
Makes
🢒
Saturn
🢒
2003
🢒
L200/LW200
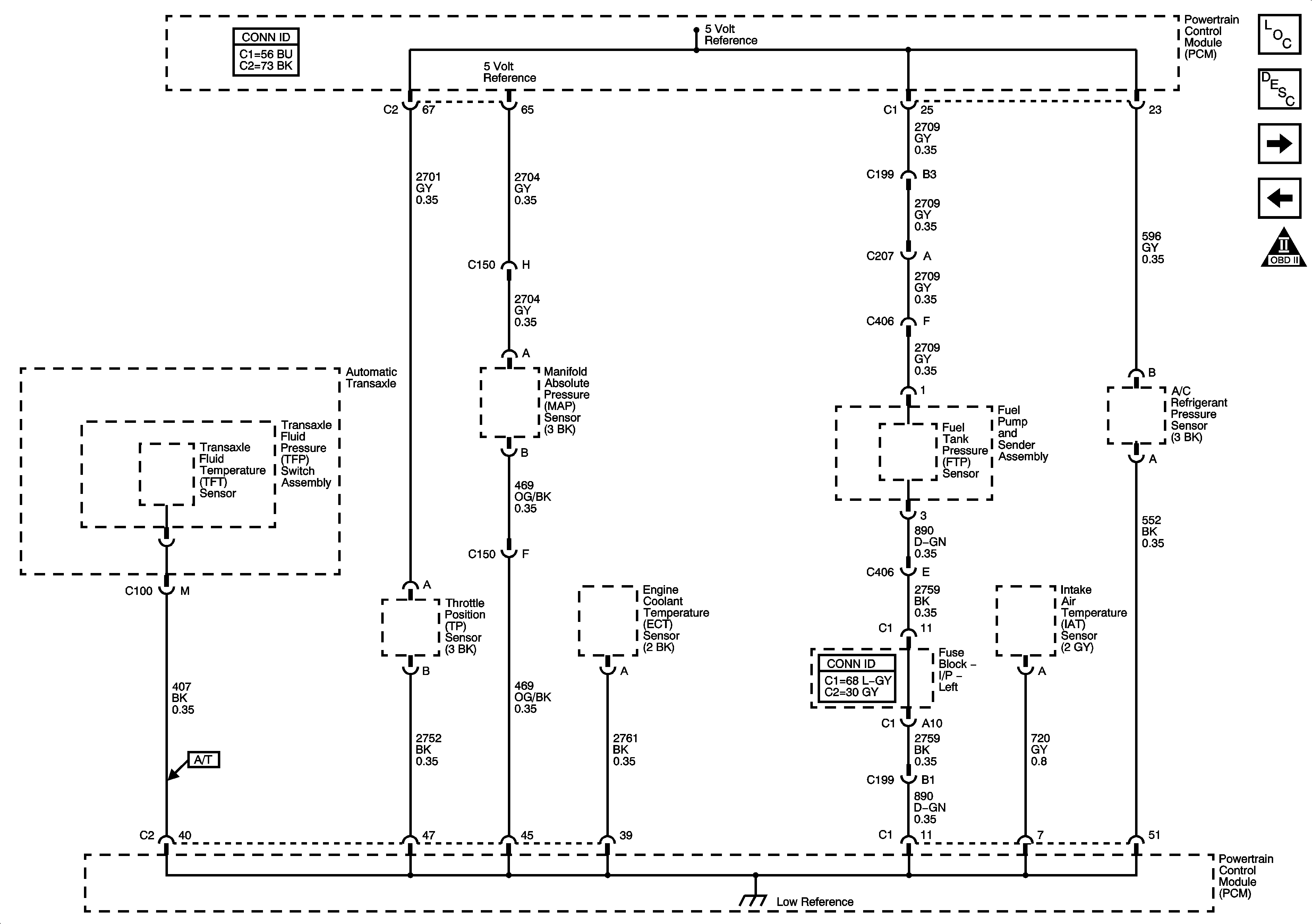
🢒 Engine Data Sensors-5 Volt and Low Reference
Engine Data Sensors-5 Volt and Low Reference
Engine Data Sensors - 5-Volt and Low Reference
Master Electrical Component List
Powertrain Control Module Description
Engine Data Sensors
Module Power, Ground, Serial Data, MIL
OBD II Symbol Description Notice