GM Service Manual Online
For 1990-2009 cars only
Makes
🢒
Saturn
🢒
2003
🢒
L200/LW200
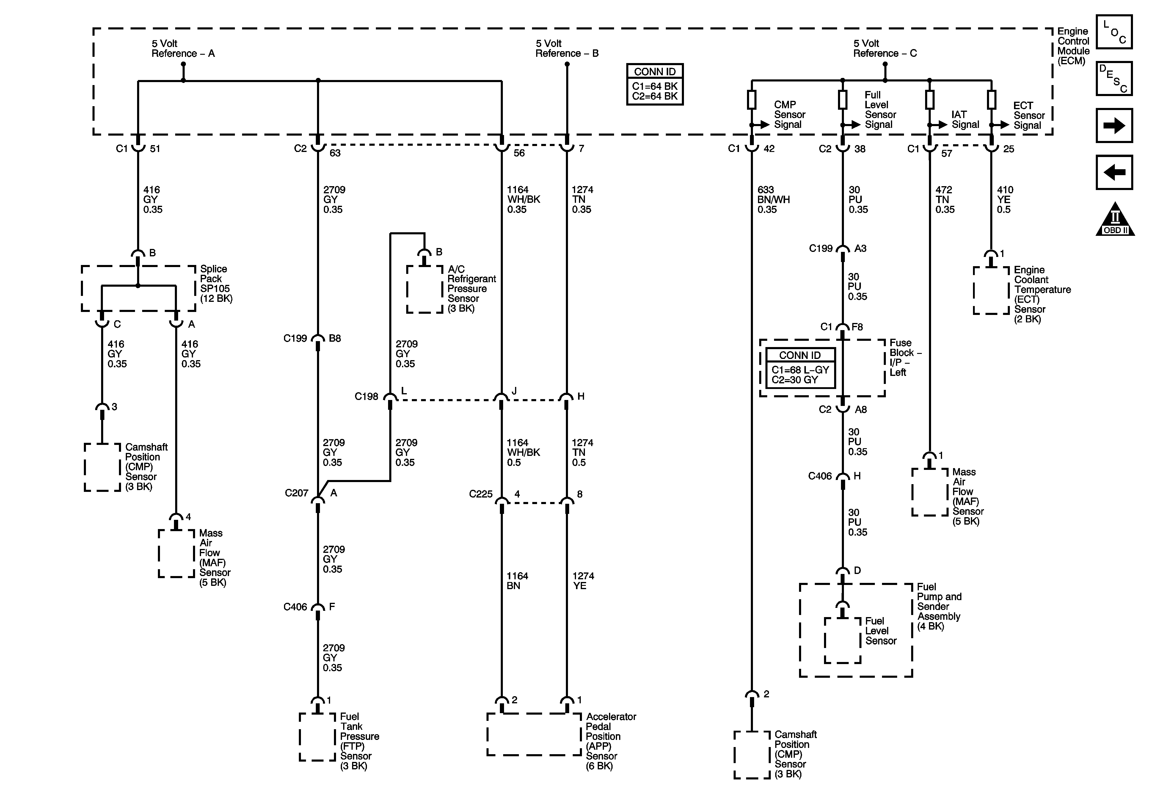
🢒 Engine Data Sensors-5 Volt Reference
Engine Data Sensors-5 Volt Reference
Engine Data Sensors - 5-Volt References
Master Electrical Component List
Engine Control Module Description
Engine Data Sensors-Low References
Module Power, Ground, Serial Data, MIL
OBD II Symbol Description Notice