GM Service Manual Online
For 1990-2009 cars only
Makes
🢒
Saturn
🢒
2003
🢒
L200/LW200
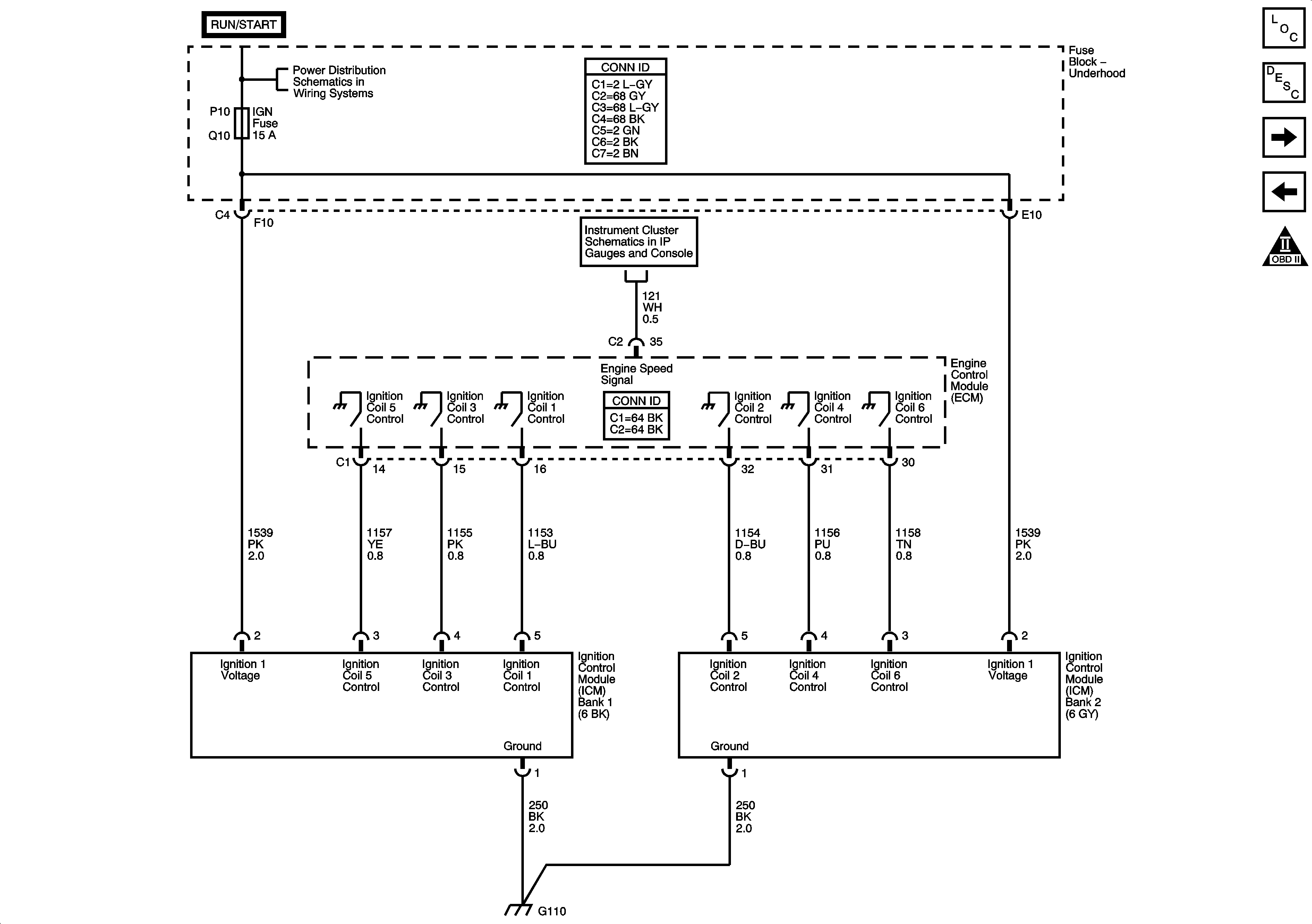
🢒 Ignition System
Ignition System
Ignition System
Master Electrical Component List
Engine Control Module Description
Ignition Controls Sensors
Engine Data Sensors-Electronic Throttle Controls
OBD II Symbol Description Notice
Fuse Block-Underhood Fuses: Injector, Cntrls, IGN1, EIS, IGN