GM Service Manual Online
For 1990-2009 cars only
Makes
🢒
Saturn
🢒
2003
🢒
L200/LW200
🢒 Sensors and Solenoids
Sensors and Solenoids
Sensors and Solenoids
Master Electrical Component List
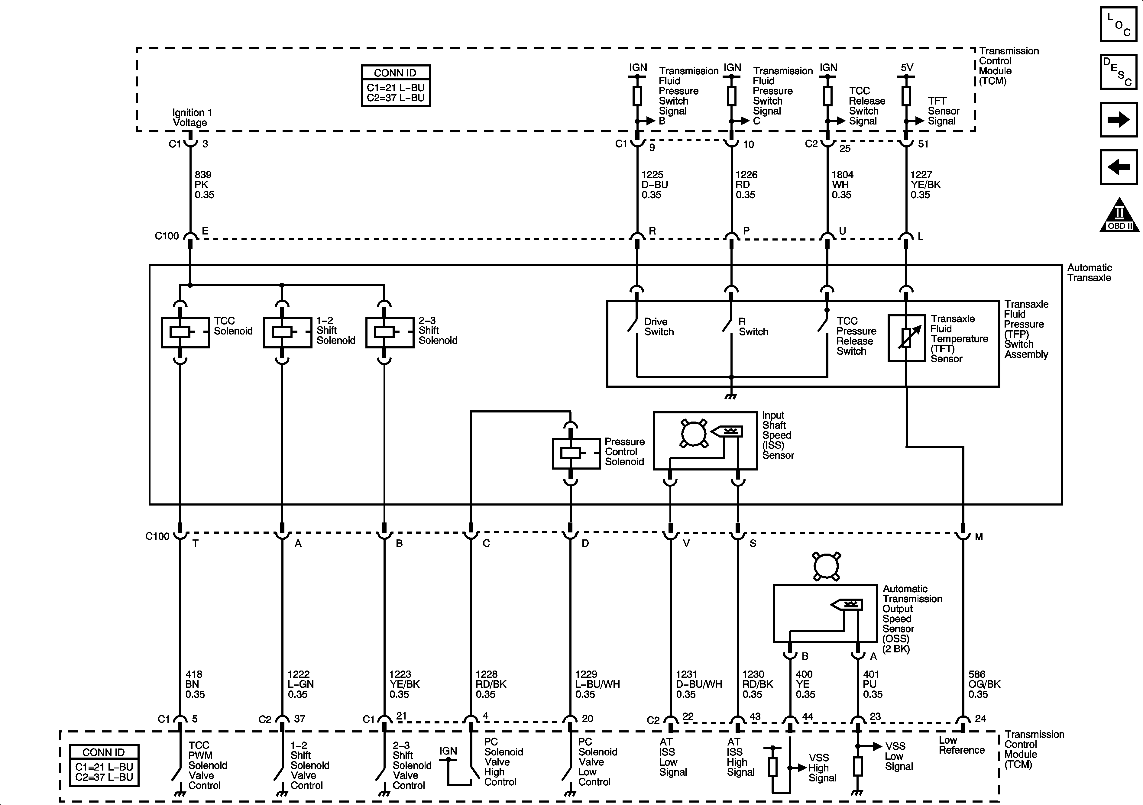
Transmission Component and System Description
V6
Power, Ground, MIL, Stop Lamp
OBD II Symbol Description Notice