GM Service Manual Online
For 1990-2009 cars only
Makes
🢒
Saturn
🢒
2003
🢒
L200/LW200
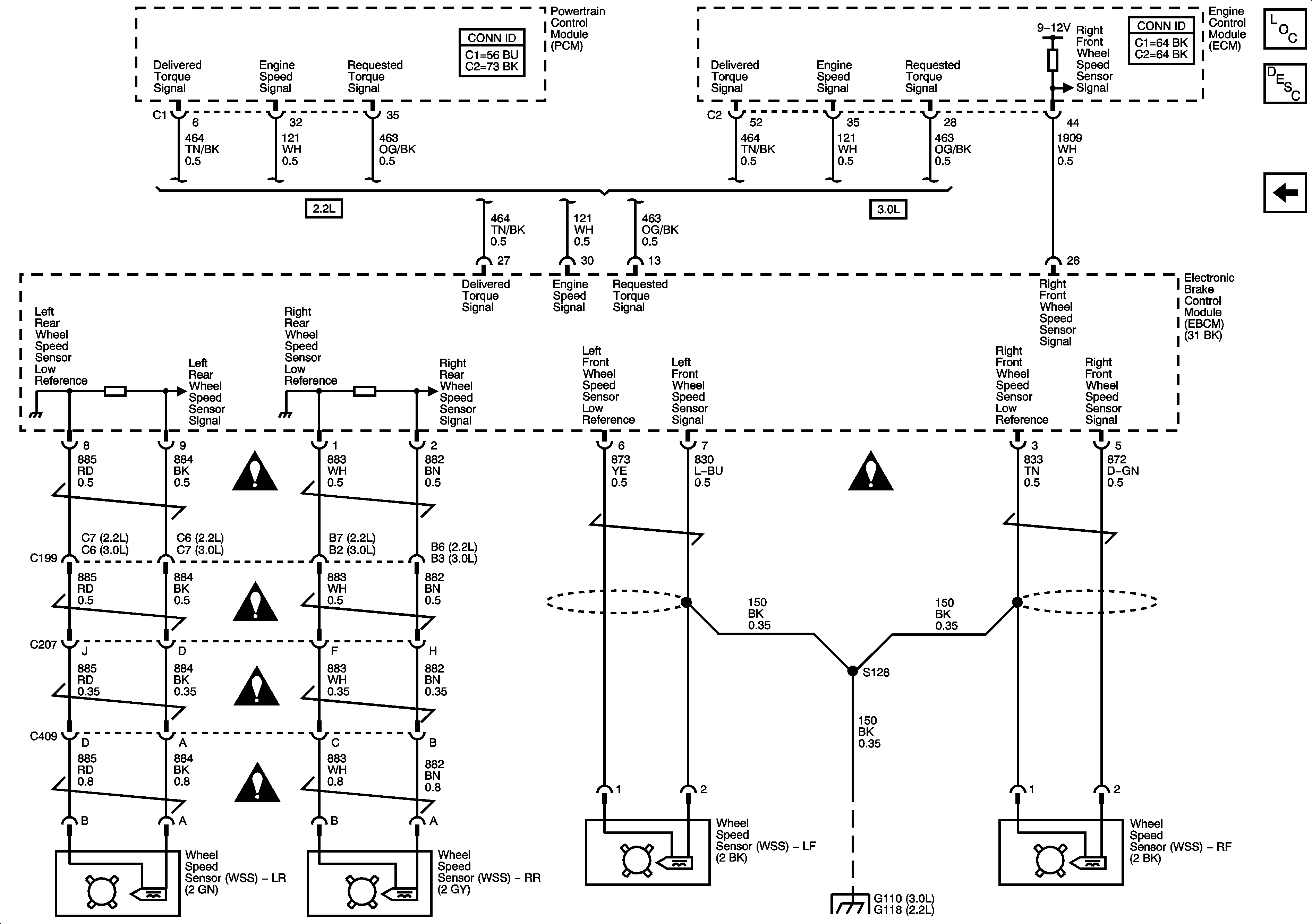
🢒 Wheel Speed Sensors
Wheel Speed Sensors
Wheel Speed Sensors
Master Electrical Component List
ABS Description and Operation
Module Power, Ground, Serial Data, and Switches - 3.0L
Antilock Brake System Schematic Icons
Antilock Brake System Schematic Icons
Antilock Brake System Schematic Icons
Antilock Brake System Schematic Icons
Antilock Brake System Schematic Icons
G118
G102, G110, G118, G114