GM Service Manual Online
For 1990-2009 cars only

DTC P0502 With ABS


Object Number: 1212745  Size: SF

Circuit Description

Vehicles equipped with a manual transmission with anti-lock brakes receive a vehicle speed signal from the right front wheel speed sensor via the electronic brake control module (EBCM). As the wheel turns an AC voltage is induced and transmitted to the EBCM. The EBCM converts the AC voltage signal to a square wave by grounding circuit 1909, which is pulled up to 5 volts through a resistor in the PCM. If the PCM does not detect a square wave signal on this circuit for a certain length of time, DTC P0502 sets. DTC P0502 is a type B DTC.

Conditions for Running the DTC

    • Engine speed is 1900-3800 RPM.
    • The throttle position angle is less than 1 percent.
    • MAP sensor is 70-80 kPa (10-12 psi).

Conditions for Setting the DTC

Vehicle speed is less than 3 km/h (2 mph) for 5 seconds.

Action Taken When the DTC Sets

    • The PCM illuminates the malfunction indicator lamp (MIL) during the second consecutive trip in which the Conditions for Setting the DTC are met.
    • The PCM disables cruise control operation.
    • The PCM records the operating conditions when the Conditions for Setting the DTC are met. The PCM stores this information as a Freeze Frame.
    • The PCM stores DTC P0502 in PCM history during the second consecutive trip in which the Conditions for Setting the DTC are met.

Conditions for Clearing the MIL/DTC

    • The PCM turns OFF the MIL during the third consecutive trip in which the diagnostic test runs and passes.
    • A scan tool can clear the MIL/DTC.
    • The PCM clears the DTC from PCM history if the vehicle completes 40 warm-up cycles without an emission-related diagnostic fault occurring.
    • The PCM cancels the DTC default actions when the ignition switch is OFF long enough in order to power down the PCM.

Diagnostic Aids

    • If the customer comments that there is a loss of the speedometer only during moist environmental conditions, rain, snow, vehicle wash, etc., inspect the wheel speed sensor wiring for signs of water intrusion. If the DTC is not current, clear all DTCs and simulate the effects of water intrusion by using the following procedure:
        1. Spray the suspected area with a 5 percent saltwater solution. To create a 5 percent saltwater solution, add 2 teaspoons of salt to 354 ml (12 oz) of water.
        2. Test drive the vehicle over various road surfaces, bumps, turns, etc., above 40 km/h (25 mph) for at least 30 seconds.
        3. If the DTC returns, replace the suspected wheel speed sensor or repair the wheel speed sensor wiring.
        4. Rinse the area thoroughly when completed.
    • To locate an intermittent problem, use the scan tool to monitor the Vehicle Speed parameter with the vehicle raised and drive wheels moving greater than 5 km/h (3 mph). Wiggle the wires between the wheel speed connector and the wheel speed signal conditioner module while watching for a change in Vehicle Speed.

Step

Action

Value(s)

Yes

No

1

Did you perform the Diagnostic System Check - Engine Controls?

--

Go to Step 3

Go to Diagnostic System Check - Engine Controls in Engine Controls - 2.2L (L61)

2

Was DTC C0040 set?

--

Go to DTC C0035-C0051 in ABS Brakes

Go to Step 3

3

  1. Install a scan tool.
  2. Turn ON the ignition, with the engine OFF.
  3. Important: Before clearing the DTC, use the scan tool in order to record the Freeze Frame and Failure Records, Using the Clear Info function erases the Freeze Frame and Failures Records from the PCM.

  4. Record the DTC Freeze Frame and Failure Records.
  5. Clear the DTC.
  6. Notice: Support the lower control arms in the normal horizontal position in order to avoid damage to the drive axles. Do not operate the vehicle in gear with the wheels hanging down at full travel.

  7. Raise the drive wheels.
  8. Start and idle the engine.
  9. Place the transmission in 1st gear.
  10. Monitor the Vehicle Speed parameter on the scan tool.
  11. With the drive wheels rotating, increase and decrease the throttle position.

Does the scan tool parameter Vehicle Speed increase when wheel speed increases?

5 km/h (3 mph)

Go to Intermittent Conditions in Engine Controls - 2.2L (L61)

Go to Step 4

4

  1. Connect a test lamp to a good ground.
  2. Disconnect the electronic brake control module (EBCM) 31-way connector.
  3. Rapidly tap the test lamp to the right front wheel speed sensor signal circuit (CKT 1909), while observing the Vehicle Speed parameter on the scan tool.

Does the Vehicle Speed Change?

--

Go to Step 9

Go to Step 5

5

Using the DMM and the J 35616 GM Terminal Test Kit, measure the voltage on the right front wheel speed sensor signal circuit (CKT 1909) of the EBCM connector.

Does the voltage measure within the specified range?

4-6 V

Go to Step 11

Go to Step 6

6

Was the voltage less than the specified value?

4 V

Go to Step 7

Go to Step 8

7

Test right front wheel speed sensor signal circuit (CKT 1909) for a short to ground, an open, or poor connections.

Refer to Circuit Testing and Wiring Repairs in Wiring Systems.

Did you find and correct a condition?

--

Go to Step 12

Go to Step 11

8

Test right front wheel speed sensor signal circuit (CKT 1909) for a short to voltage

Refer to Testing for a Short to Voltage and Wiring Repairs in Wiring Systems.

Did you find and correct a condition?

--

Go to Step 12

--

9

Inspect for faulty connections at the electronic brake control module.

Refer to Circuit Testing and Connector Repairs in Wiring Systems.

Did you find and correct a condition?

--

Go to Step 12

Go to Step 10

10

Replace the electronic brake control module.

Did you complete the replacement?

--

Go to Step 12

--

11

Replace the powertrain control module.

Refer to Powertrain Control Module Replacement in Engine Controls - 2.2L (L61).

Did you complete the replacement?

--

Go to Step 12

--

12

Perform the following procedure in order to verify the repair:

  1. Select DTC.
  2. Select Clear Info.
  3. Operate the vehicle within the conditions for running the DTC as specified in the supporting text.
  4. Select Specific DTC.
  5. Enter DTC P0502.

Has the test run and passed?

--

Go to Step 13

Go to Step 3

13

With the scan tool, observe the stored information, capture info and DTC info.

Does the scan tool display any DTCs that you have not diagnosed?

--

Go to Diagnostic Trouble Code (DTC) List in Engine Controls - 2.2L (L61)

System OK

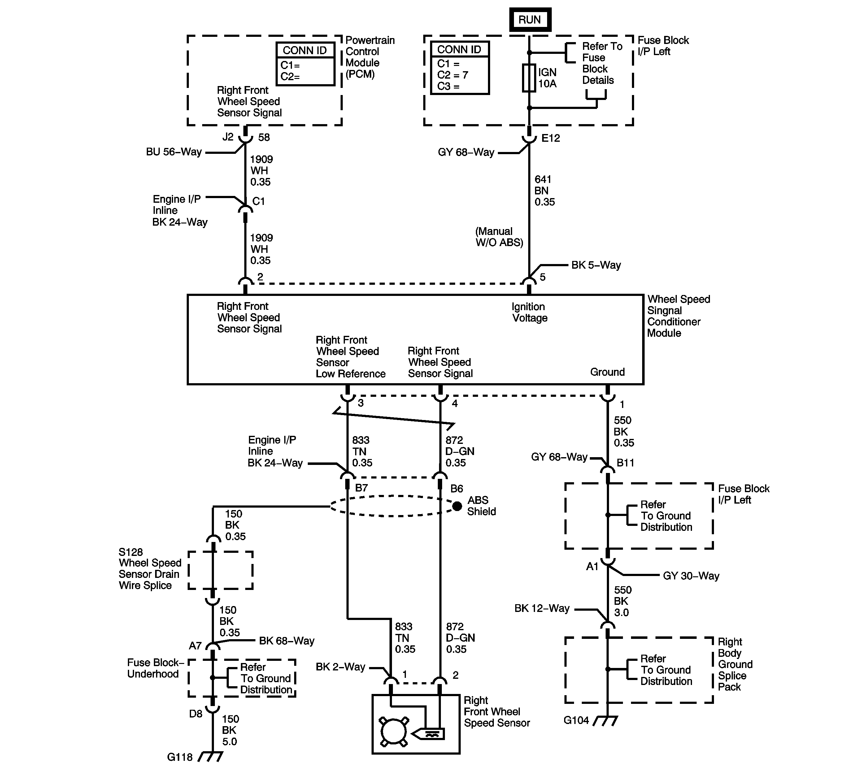
DTC P0502 Without ABS


Object Number: 1212750  Size: LF

Circuit Description

Vehicles equipped with a manual transmission without anti-lock brakes receive vehicle speed from the right front wheel speed sensor. As the wheel turns an AC voltage is induced and transmitted to the wheel speed signal conditioner module. This module converts the AC voltage signal to a square wave by grounding circuit 1909, which is pulled up to 5 volts through a resistor in the PCM. If the PCM does not detect a square wave signal on this circuit for a certain length of time, DTC P0502 sets. DTC P0502 is a type B DTC.

Conditions for Running the DTC

    • Engine speed is 1900-3800 RPM.
    • The throttle position angle is less than 1 percent.
    • MAP sensor is 70-80 kPa (10-12 psi).

Conditions for Setting the DTC

Vehicle speed is less than 3 km/h (2 mph) for 5 seconds.

Action Taken When the DTC Sets

    • The PCM illuminates the malfunction indicator lamp (MIL) during the second consecutive trip in which the Conditions for Setting the DTC are met.
    • The PCM disables cruise control operation.
    • The PCM records the operating conditions when the Conditions for Setting the DTC are met. The PCM stores this information as a Freeze Frame.
    • The PCM stores DTC P0502 in PCM history during the second consecutive trip in which the Conditions for Setting the DTC are met.

Conditions for Clearing the MIL/DTC

    • The PCM turns OFF the MIL during the third consecutive trip in which the diagnostic test runs and passes.
    • A scan tool can clear the MIL/DTC.
    • The PCM clears the DTC from PCM history if the vehicle completes 40 warm-up cycles without an emission-related diagnostic fault occurring.
    • The PCM cancels the DTC default actions when the ignition switch is OFF long enough in order to power down the PCM.

Diagnostic Aids

    • If the customer comments that there is a loss of the speedometer only during moist environmental conditions, rain, snow, vehicle wash, etc., inspect the wheel speed sensor wiring for signs of water intrusion. If the DTC is not current, clear all DTCs and simulate the effects of water intrusion by using the following procedure:
        1. Spray the suspected area with a 5 percent saltwater solution. To create a 5 percent saltwater solution, add 2 teaspoons of salt to 354 ml (12 oz) of water.
        2. Test drive the vehicle over various road surfaces, bumps, turns, etc., above 40 km/h (25 mph) for at least 30 seconds.
        3. If the DTC returns, replace the suspected wheel speed sensor or repair the wheel speed sensor wiring.
        4. Rinse the area thoroughly when completed.
    • To locate an intermittent problem, use the scan tool to monitor the Vehicle Speed parameter with the vehicle raised and drive wheels moving greater than 5 km/h (3 mph). Wiggle the wires between the wheel speed connector and the wheel speed signal conditioner module while watching for a change in Vehicle Speed.

Step

Action

Value(s)

Yes

No

1

Did you perform the Diagnostic System Check - Engine Controls?

--

Go to Step 2

Go to Diagnostic System Check - Engine Controls in Engine Controls - 2.2L (L61)

2

  1. Install a scan tool.
  2. Turn ON the ignition, with the engine OFF.
  3. Important: Before clearing the DTC, use the scan tool in order to record the Freeze Frame and Failure Records. Using the Clear Info function erases the Freeze Frame and Failures Records from the PCM.

  4. Record the DTC Freeze Frame and Failure Records.
  5. Clear the DTC.
  6. Notice: Support the lower control arms in the normal horizontal position in order to avoid damage to the drive axles. Do not operate the vehicle in gear with the wheels hanging down at full travel.

  7. Raise the drive wheels.
  8. Start and idle the engine.
  9. Place the transmission in 1st gear.
  10. Monitor the Vehicle Speed parameter on the scan tool.
  11. With the drive wheels rotating, increase and decrease the throttle position.

Does the scan tool parameter Vehicle Speed increase when wheel speed increases?

5 km/h (3 mph)

Go to Intermittent Conditions in Engine Controls - 2.2L (L61)

Go to Step 3

3

  1. Turn OFF the ignition.
  2. Disconnect the wheel speed signal conditioner module 5-way connector. Additional DTCs may set.
  3. Turn ON the ignition, with the engine OFF.
  4. Using the DMM and the J 35616 GM Terminal Test Kit, measure the voltage between the ignition 0 voltage circuit (CKT 641) and a good ground.

Does the voltage measure near the specified value?

Ignition Voltage

Go to Step 5

Go to Step 4

4

  1. Remove the ign 0 fuse.
  2. Test the fuse for an open.
  3. Refer to Circuit Protection - Fuses and Wiring Repairs in Wiring Systems.

Is the fuse open?

--

Go to Step 6

Go to Step 7

5

Using the DMM and the J 35616 , measure the voltage between the ignition 0 voltage circuit (CKT 641) and the wheel speed signal conditioner module ground circuit (CKT 550).

Does the voltage measure near the specified value?

Ignition Voltage

Go to Step 9

Go to Step 8

6

Important: The condition that affects this circuit may exist in other branches of the circuit. Refer to Engine Controls Schematics in Engine Controls - 2.2L (L61) for complete circuit distribution.

Test the ignition 0 voltage circuit (CKT 641) for a short to ground.

Refer to Testing for Short to Ground and Wiring Repairs in Wiring Systems.

Did you find and correct a condition?

--

Go to Step 24

--

7

Test the ignition 0 voltage circuit (CKT 641) for an open.

Refer to Testing for Continuity and Wiring Repairs in Wiring Systems.

Did you find and correct a condition?

--

Go to Step 24

--

8

Test the wheel speed signal conditioner module ground circuit (CKT 550) for an open.

Refer to Testing for Continuity and Wiring Repairs in Wiring Systems.

Did you find and correct a condition?

--

Go to Step 24

--

9

  1. Connect a test lamp to a good ground.
  2. Rapidly tap the test lamp to the right front wheel speed sensor signal circuit (CKT 1909), while observing the Vehicle Speed parameter on the scan tool.

Does the Vehicle Speed change?

--

Go to Step 10

Go to Step 11

10

  1. Disconnect the right front wheel speed sensor 2-way connector.
  2. Test right front wheel speed sensor signal circuit (CKT 872) and the right front wheel speed sensor low reference circuit (CKT 833) for a short to voltage.
  3. Refer to Testing for a Short to Voltage and Wiring Repairs in Wiring Systems

Did you find and correct a condition?

--

Go to Step 24

Go to Step 15

11

Using the DMM and the J 35616 , measure the voltage on the right front wheel speed sensor signal circuit (CKT 1909).

Does the voltage measure within the specified range?

4-6 V

Go to Step 21

Go to Step 12

12

Was the voltage less than the specified value?

4 V

Go to Step 13

Go to Step 14

13

Test right front wheel speed sensor signal circuit (CKT 1909) for a short to ground, an open, or poor connections.

Refer to Circuit Testing and Wiring Repairs in Wiring Systems

Did you find and correct a condition?

--

Go to Step 24

Go to Step 21

14

Test right front wheel speed sensor signal circuit (CKT 1909) for a short to voltage.

Refer to Testing for a Short to Voltage and Wiring Repairs in Wiring Systems

Did you find and correct a condition?

--

Go to Step 24

--

15

Test right front wheel speed sensor signal circuit (CKT 872) and the right front wheel speed sensor low reference circuit (CKT 833) for a short to ground.

Refer to Testing for Short to Ground and Wiring Repairs in Wiring Systems

Did you find and correct a condition?

--

Go to Step 24

Go to Step 16

16

  1. Reconnect the right front wheel speed sensor signal 2-way connector.
  2. Using the DMM and the J 35616 , measure the resistance between the wheel speed signal conditioner module connector terminals 3 and 4.

Is the resistance within the specified range?

1000-2000 ohms

Go to Step 17

Go to Step 18

17

Measure the resistance between terminal 4 of the wheel speed signal conditioner module and ground.

Is the resistance greater than the specified value?

50 k ohms

Go to Step 18

Go to Step 20

18

  1. Connect the DMM between terminal 3 and 4 of the wheel speed signal conditioner module connector.
  2. Monitor the DMM AC voltage reading while spinning the right front wheel.

Is the AC voltage reading equal to or greater than the specified value?

0.1 V

Go to Step 19

Go to Step 22

19

Inspect for faulty connections at the wheel speed signal conditioner module.

Refer to Circuit Testing and Connector Repairs in Wiring Systems.

Did you find and correct a condition?

--

Go to Step 24

Go to Step 20

20

Replace the wheel speed signal conditioner module.

Did you complete the replacement?

--

Go to Step 24

--

21

Replace the powertrain control module.

Refer to Powertrain Control Module Replacement in Engine Controls - 2.2L (L61).

Did you complete the replacement?

--

Go to Step 24

--

22

  1. Inspect the right front wheel speed sensor and reluctor wheel for the following conditions:
  2. • Damaged or missing teeth on wheel reluctor
    • Loose wheel speed sensor
  3. Repair or replace any of the above items as necessary.

Did you find and correct a condition?

--

Go to Step 24

Go to Step 23

23

Replace the right front wheel speed sensor.

Refer to Front Wheel Speed Sensor and Bracket.

Did you find and correct a condition?

--

Go to Step 24

--

24

Perform the following procedure in order to verify the repair:

  1. Select DTC.
  2. Select Clear Info.
  3. Operate the vehicle within the conditions for running the DTC as specified in the supporting text.
  4. Select Specific DTC.
  5. Enter DTC P0502.

Has the test run and passed?

--

Go to Step 25

Go to Step 2

25

With the scan tool, observe the stored information, capture info and DTC info.

Does the scan tool display any DTCs that you have not diagnosed?

--

Go to Diagnostic Trouble Code (DTC) List in Engine Controls - 2.2L (L61)

System OK