GM Service Manual Online
For 1990-2009 cars only

DTC P0705 2.2L (L61)


Object Number: 1236643  Size: LF
Master Electrical Component List
Automatic Transmission Controls Schematics 2.2L
OBD II Symbol Description Notice

Circuit Description

The transmission range (TR) switch is part of the park/neutral position and back-up lamp switch assembly and is mounted on the transmission manual shaft. The TR switch is a multi-signal switch. The PCM supplies ignition voltage to the TR switch on four signal circuits, A, B, C, and P. Each gear selector lever position grounds one or more of the signal circuits in a unique pattern. In order to determine the gear range selected by the driver, the PCM compares the voltage combination on the signal circuits to a TR switch combination table stored in memory. Refer to Transmission Range Switch Logic

When the PCM detects an invalid combination of TR switch signals, then DTC P0705 sets. DTC P0705 is a type C DTC.

Conditions for Running the DTC

The engine run time is greater than 5 seconds.

Conditions for Setting the DTC

The combination of TR switch signals is invalid for 5 seconds. Refer to Transmission Range Switch Logic

Action Taken When the DTC Sets

    • The PCM does not illuminate the malfunction indicator lamp (MIL).
    • The PCM illuminates the service vehicle soon (SVS) lamp.
    • The PCM records the operating conditions when the Conditions for Setting the DTC are met. The PCM stores this information as Failure Records.
    • The PCM stores DTC P0705 in PCM history.

Conditions for Clearing the SVS Lamp/DTC

    • The PCM turns OFF the SVS lamp when the condition no longer exists.
    • A scan tool can clear the SVS Lamp/DTC.
    • The PCM clears the DTC from PCM history if the vehicle completes 40 warm-up cycles without a non-emission-related diagnostic fault occurring.
    • The PCM cancels the DTC default actions when the fault no longer exists and the DTC passes.

Test Description

The numbers below refer to the step numbers on the diagnostic table.

  1. By disconnecting the TR switch, the ground path for all TR switch circuits would be removed and the PCM should recognize all circuits as open. The scan tool should display HI for all range signals.

  2. This step tests the TR switch wiring for an open or lack of signal voltage from the PCM.

  3. This step tests the TR switch wiring and the PCM by providing a ground path through a fused jumper wire. When grounded, the scan tool range signal A should change to LOW.

  4. This step tests the TR switch wiring and the PCM by providing a ground path through a fused jumper wire. When grounded, the scan tool range signal B should change to LOW.

  5. This step tests the TR switch wiring and the PCM by providing a ground path through a fused jumper wire. When grounded, the scan tool range signal C should change to LOW.

Step

Action

Values

Yes

No

1

Did you perform the Diagnostic System Check - Engine Controls?

--

Go to Step 2

Go to Diagnostic System Check - Engine Controls in Engine Controls - 2.2L (L61)

2

  1. Install a scan tool.
  2. Turn ON the ignition, with the engine OFF.
  3. Select Transmission Range on the scan tool.
  4. With the scan tool, observe the Transmission Range display while selecting each transmission range: P, R, N, D4, D3, D2 and D1.

Does each selected transmission range match the scan tool Transmission Range display?

--

Go to Intermittent Conditions in Engine Controls - 2.2L (L61)

Go to Step 3

3

  1. Disconnect the electronic PRNDL module.
  2. Turn ON the ignition, with the engine OFF.
  3. Select Transmission Range on the scan tool.
  4. With the scan tool, observe the Transmission Range display while selecting each transmission range: P, R, N, D4, D3, D2 and D1.

Does each selected transmission range match the scan tool Transmission Range display?

--

Go to Step 15

Go to Step 4

4

  1. Inspect the PNP switch assembly for the following:
  2. • Damage
    • Loose or missing mounting hardware
    • Proper adjustment
  3. Inspect the shift cable for the following:
  4. • Damaged or stretched cable
    • Proper adjustment

Did you find and correct a condition?

--

Go to Step 18

Go to Step 5

5

With the scan tool, observe the TR Switch - P/A/B/C display.

Does the scan tool TR Switch - P/A/B/C parameter indicate HI for all range signal states?

--

Go to Step 14

Go to Step 6

6

  1. Turn OFF the ignition.
  2. Disconnect the TR switch 4-way connector.
  3. Turn ON the ignition, with the engine OFF.

Does the scan tool TR Switch - P/A/B/C parameter indicate HI for all range signal states?

--

Go to Step 7

Go to Step 11

7

  1. Using the DMM and the J-35616 connector test adapter kit, measure the voltage from terminal A of the TR switch 4-way connector to ground.
  2. Measure the voltage from terminal B of the TR switch 4-way connector to ground.
  3. Measure the voltage from terminal C of the TR switch 4-way connector to ground.
  4. Measure the voltage from terminal D of the TR switch 4-way connector to ground.

Does the voltage measure within the specified value at all four terminals?

10-12 V

Go to Step 8

Go to Step 12

8

Connect a fused jumper wire from terminal D of the TR switch 4-way connector, signal A circuit, to ground while monitoring the scan tool TR Switch - P/A/B/C parameter.

When the signal A circuit is grounded, do any other signal circuits indicate LOW?

--

Go to Step 13

Go to Step 9

9

Connect a fused jumper wire from terminal B of the TR switch 4-way connector, signal B circuit, to ground while monitoring the scan tool TR Switch - P/A/B/C parameter.

When the signal B circuit is grounded, do any other signal circuits indicate LOW?

--

Go to Step 13

Go to Step 10

10

Connect a fused jumper wire from terminal C of the TR switch 4-way connector, signal C circuit, to ground while monitoring the scan tool TR Switch- P/A/B/C parameter.

When the signal C circuit is grounded, do any other signal circuits indicate LOW?

--

Go to Step 13

Go to Step 16

11

Test the signal circuits of the TR switch that did not indicate HI for a short to ground.

Refer to Testing for Short to Ground and Wiring Repairs in Wiring Systems.

Did you find and correct the condition?

--

Go to Step 18

Go to Step 17

12

Test the signal circuits of the TR switch that did not indicate proper voltage for an open.

Refer to Testing for Continuity and Wiring Repairs in Wiring Systems.

Did you find and correct the condition?

--

Go to Step 18

Go to Step 17

13

Test the affected signal circuits of the TR switch for a shorted together condition.

Refer to Circuit Testing and Wiring Repairs in Wiring Systems.

Did you find and correct the condition?

--

Go to Step 18

Go to Step 17

14

Test the ground circuit of the TR switch for an open.

Refer to Testing for Continuity and Wiring Repairs in Wiring Systems.

Did you find and correct the condition?

--

Go to Step 18

Go to Step 16

15

Replace the electronic PRNDL module. Refer to Automatic Transmission Control Indicator Replacement .

Did you complete the replacement?

--

Go to Step 18

--

16

Replace the TR switch. The TR switch is part of the park/neutral position switch.

Refer to Park/Neutral Position Switch Replacement .

Did you complete the replacement?

--

Go to Step 18

--

17

Replace the PCM.

Refer to Powertrain Control Module Replacement in Engine Controls - 2.2L (L61).

Did you complete the replacement?

--

Go to Step 18

--

18

Perform the following procedure in order to verify the repair:

  1. Select DTC.
  2. Select Clear Info.
  3. Road test the vehicle.
  4. Select Specific DTC.
  5. Enter DTC P0705.

Has the test run and passed?

--

Go to Step 19

Go to Step 2

19

With the scan tool, observe the stored information, capture info and DTC info.

Does the scan tool display any DTCs that you have not diagnosed?

--

Go to Diagnostic Trouble Code (DTC) List in Engine Controls - 2.2L (L61)

System OK

DTC P0705 3.0L (L81)


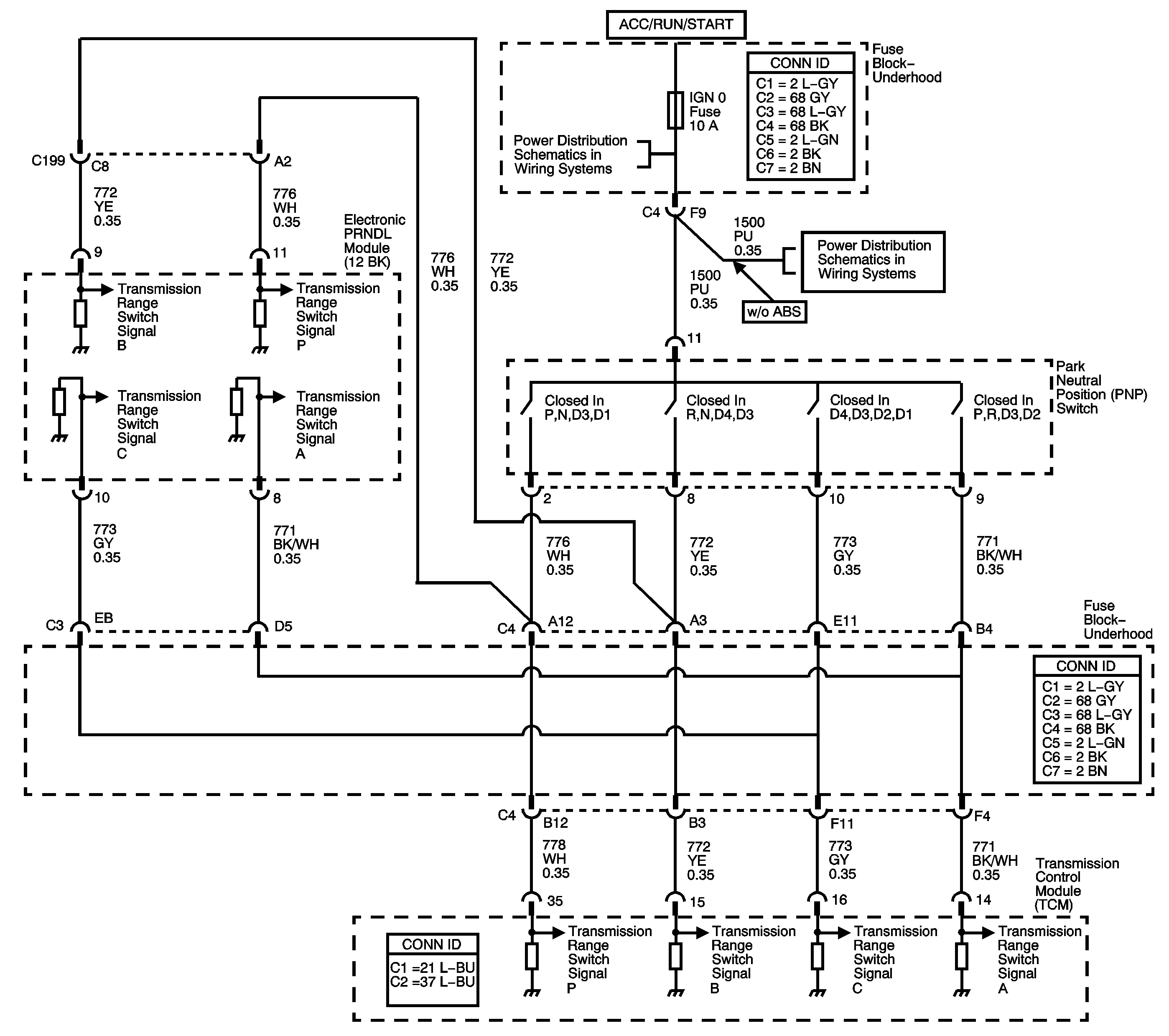
Object Number: 1236644  Size: LF
Master Electrical Component List
Automatic Transmission Controls Schematics 3.0L
OBD II Symbol Description Notice

Circuit Description

The transmission range (TR) switch is part of the park/neutral position and back-up lamp switch assembly and is mounted on the transmission manual shaft. The TR switch is a multi-signal switch. The fuse block- underhood supplies ignition voltage to the TR switch on four signal circuits, A, B, C, and P. Each gear selector lever position powers two or more of the signal circuits in a unique pattern. In order to determine the gear range selected by the driver, the TCM compares the voltage combination on the signal circuits to a TR switch combination table stored in memory. Refer to Transmission Range Switch Logic .

When the TCM detects an invalid combination of TR switch signals, then DTC P0705 sets. DTC P0705 is a type B DTC.

Conditions for Running the DTC

The engine run time is greater than 5 seconds.

Conditions for Setting the DTC

The combination of TR switch signals is invalid for 5 seconds. Refer to Transmission Range Switch Logic .

Action Taken When the DTC Sets

    • The TCM does not request the ECM to illuminate the malfunction indicator lamp (MIL).
    • The TCM requests the ECM to illuminate the service vehicle soon (SVS) lamp.
    • The TCM records the operating conditions when the Conditions for Setting the DTC are met. The TCM stores this information as Failure Records.
    • The TCM stores DTC P0705 in TCM history.

Conditions for Clearing the SVS Lamp/DTC

    • The TCM clears the SVS lamp request when the condition no longer exists.
    • A scan tool can clear the SVS Lamp/DTC.
    • The TCM clears the DTC from TCM history if the vehicle completes 40 warm-up cycles without an emission related diagnostic fault occurring.
    • The TCM cancels the DTC default actions when the ignition switch is OFF long enough in order to power down the TCM.

Test Description

The numbers below refer to the step numbers on the diagnostic table.

  1. By disconnecting the TR switch, the voltage supply for all TR switch circuits would be removed and the TCM should recognize all circuits as open. The scan tool should display LOW for all range signals.

  2. This step tests the TR switch wiring for an open or lack of a ground path from the TCM.

  3. This step tests the TR switch wiring and the TCM by providing a voltage supply through a fused jumper wire. When voltage is applied, the scan tool range signal A should change to HI.

  4. This step tests the TR switch wiring and the TCM by providing a voltage supply through a fused jumper wire. When voltage is supplied, the scan tool range signal B should change to HI.

  5. This step tests the TR switch wiring and the TCM by providing a voltage supply through a fused jumper wire. When voltage is applied, the scan tool range signal C should change to HI.

Step

Action

Values

Yes

No

1

Did you perform the Diagnostic System Check - Engine Controls?

--

Go to Step 2

Go to Diagnostic System Check - Engine Controls in Engine Controls - 3.0L (L81)

2

  1. Install a scan tool.
  2. Turn ON the ignition, with the engine OFF.
  3. Select Transmission Range on the scan tool.
  4. With the scan tool, observe the Transmission Range display while selecting each transmission range: P, R, N, D, I, and L.

Does each selected transmission range match the scan tool Transmission Range display?

--

Go to Intermittent Conditions in Engine Controls - 3.0L (L81)

Go to Step 3

3

  1. Disconnect the electronic PRNDL module.
  2. Turn ON the ignition, with the engine OFF.
  3. Select Transmission Range on the scan tool.
  4. With the scan tool, observe the Transmission Range display while selecting each transmission range: P, R, N, D4, D3, D2 and D1.

Does each selected transmission range match the scan tool Transmission Range display?

--

Go to step 17

Go to Step 4

4

  1. Inspect the PNP switch assembly for the following:
  2. • Damage
    • Loose or missing mounting hardware
    • Proper adjustment
  3. Inspect the shift cable for the following:
  4. • Damaged or stretched cable
    • Proper adjustment

Did you find and correct a condition?

--

Go to Step 20

Go to Step 5

5

With the scan tool, observe the TR Switch-P/A/B/C display.

Does the scan tool TR Switch-P/A/B/C parameter indicate LOW for all range signal states?

--

Go to Step 14

Go to Step 6

6

  1. Turn OFF the ignition.
  2. Disconnect the TR switch 4-way connector.
  3. Turn ON the ignition, with the engine OFF.

Does the scan tool TR Switch-P/A/B/C parameter indicate LOW for all range signal states?

--

Go to Step 7

Go to Step 11

7

  1. Using the DMM and the J-35616 connector test adapter kit, measure the voltage from terminal A of the TR switch 4-way connector to battery positive.
  2. Measure the voltage from terminal B of the TR switch 4-way connector to battery positive.
  3. Measure the voltage from terminal C of the TR switch 4-way connector to battery positive.
  4. Measure the voltage from terminal D of the TR switch 4-way connector to battery positive.

Does the voltage measure within the specified value at all four terminals?

10-14 V

Go to Step 8

Go to Step 12

8

Connect a fused jumper wire from terminal D of the TR switch 4-way connector, signal A circuit, to battery positive while monitoring the scan tool TR Switch -P/A/B/C parameter.

When the TR switch signal A circuit is shorted to voltage, do any other signal circuits indicate HI?

--

Go to Step 13

Go to Step 9

9

Connect a fused jumper wire from terminal B of the TR switch 4-way connector, signal B circuit, to battery positive while monitoring the scan tool TR Switch -P/A/B/C parameter.

When the TR switch signal B circuit is shorted to voltage, do any other signal circuits indicate HI?

--

Go to Step 13

Go to Step 10

10

Connect a fused jumper wire from terminal C of the TR switch 4-way connector, signal C circuit, to battery positive while monitoring the scan tool TR Switch -P/A/B/C parameter.

When the TR switch signal C circuit is shorted to voltage, do any other signal circuits indicate HI?

--

Go to Step 13

Go to Step 18

11

Test the signal circuit or circuits of the TR switch that did not indicate LOW for a short to voltage.

Refer to Testing for a Short to Voltage and Wiring Repairs in Wiring Systems.

Did you find and correct the condition?

--

Go to Step 20

Go to Step 19

12

Test the signal circuit or circuits of the TR switch that did not indicate proper voltage for an open.

Refer to Testing for Continuity and Wiring Repairs in Wiring Systems.

Did you find and correct the condition?

--

Go to Step 20

Go to Step 19

13

Test the affected signal circuits of the TR switch for a shorted together condition.

Refer to Testing for Continuity and Wiring Repairs in Wiring Systems.

Did you find and correct the condition?

--

Go to Step 20

Go to Step 19

14

  1. Remove the ignition 0 fuse.
  2. Inspect the fuse for an open. Refer to Circuit Protection - Fuses in Wiring Systems.

Did you find the condition?

--

Go to Step 15

Go to Step 16

15

Important: The condition that affects this circuit may exist in other connecting branches of the circuit. Refer to Power Distribution Schematics in Wiring Systems for complete circuit distribution.

Test the Ignition 0 voltage circuit of the TR switch for a short to ground.

Refer to Testing for Short to Ground and Wiring Repairs in Wiring Systems.

Did you correct the condition?

--

Go to Step 20

--

16

Test the Ignition 0 voltage circuit of the TR switch for an open.

Refer to Testing for Continuity and Wiring Repairs in Wiring Systems.

Did you find and correct the condition?

--

Go to Step 20

Go to Step 18

17

Replace the electronic PRNDL module. Refer to Automatic Transmission Control Indicator Replacement

Did you complete the replacement?

--

Go to Step 20

--

18

Replace the TR switch. The TR switch is part of the park/neutral position switch.

Refer to Park/Neutral Position Switch Replacement .

Did you complete the replacement?

--

Go to Step 20

--

19

Replace the TCM.

Refer to Transmission Control Module Replacement .

Did you complete the replacement?

--

Go to Step 20

--

20

Perform the following procedure in order to verify the repair:

  1. Select DTC.
  2. Select Clear Info.
  3. Operate the vehicle within the conditions for running the DTC as specified in the supporting text.
  4. Select specific DTC.
  5. Enter DTC P0705.

Has the test run and passed?

--

Go to Step 21

Go to Step 2

21

With the scan tool, observe the stored information, capture info and DTC info.

Does the scan tool display any DTCs that you have not diagnosed?

--

Go to Diagnostic Trouble Code (DTC) List in Engine Controls - 3.0L (L81)

System OK