GM Service Manual Online
For 1990-2009 cars only

Object Number: 1226363  Size: MF

Circuit Description

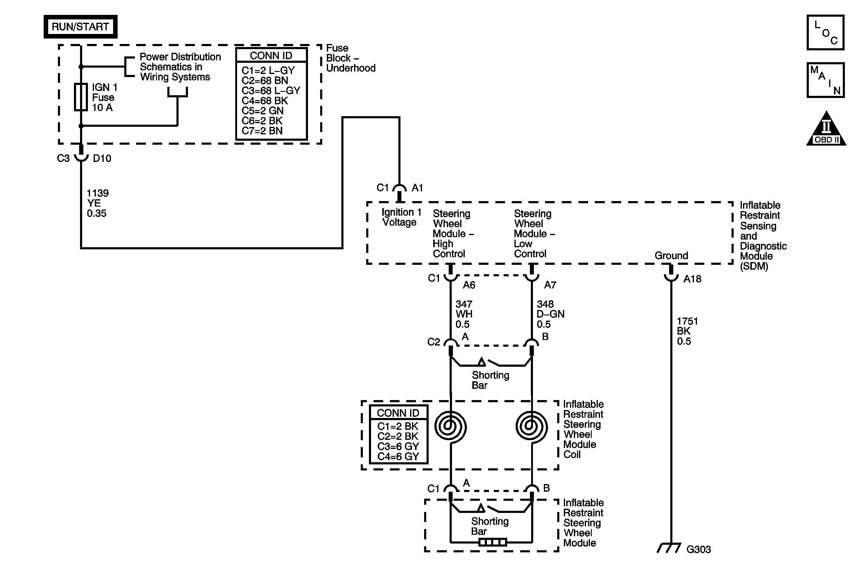
The inflatable restraint steering wheel module deployment loop consists of the inflatable restraint steering wheel module, the inflatable restraint steering wheel module coil, and the steering wheel module high and low circuits. A shorting bar used within the steering wheel module coil connector shorts together the steering wheel module high and low circuits when the connector is disconnected. This helps to prevent unwanted deployment of the inflator module during servicing. During a frontal crash of sufficient force the inflatable restraint sensing and diagnostic module (SDM) allows current to flow through the deployment loop in order to deploy the steering wheel module. When the ignition is turned ON, the SDM performs continuous diagnostic tests on the deployment loops to check for proper circuit continuity and for shorts to ground or voltage. If a malfunction is detected, a diagnostic trouble code (DTC) will be stored in memory.

Conditions for Running the DTC

Ignition 1 voltage is within the normal operating voltage range.

Conditions for Setting the DTC

    • DTC B0022 will set when the steering wheel module deployment loop resistance is less than 1.3 ohms for 300 milliseconds.
    • DTC B0024 will set when one of the following conditions occur:
       - Steering wheel module high and/or low circuits is short to ground or short to voltage for 300 milliseconds.
       - Steering wheel module high circuit is less than 2 volts and steering wheel module deployment loop resistance is less than 6 ohms for 300 milliseconds.
    • DTC B0026 will set when one of the following conditions occurs:
       - Steering wheel module high circuit is less than 2 volts and the steering wheel module deployment loop resistance is more than 6 ohms for 300 milliseconds.
       - Steering wheel module deployment loop resistance is more than 6 ohms for 300 milliseconds.

Action Taken When the DTC Sets

The SDM commands the AIR BAG indicator ON via Class 2 serial data.

Conditions for Clearing the DTC

    • The condition responsible for setting the DTC no longer exists and the scan tool Clear DTCs function is used.
    • A history DTC will clear once 255 malfunction free ignition cycles have occurred.

Diagnostic Aids

The following are possible causes of the malfunction:

    • A short between the steering wheel module high and low circuits
    • An open or a high resistance in the steering wheel module high or low circuits
    • A short to ground or a short to voltage in the steering wheel module high or low circuits
    • The steering wheel module coil connector
    • The SDM connector
    • A malfunctioning steering wheel module
    • A malfunctioning steering wheel module coil
    • A malfunctioning SDM

Thoroughly inspect the wiring and the connectors. An incomplete inspection of the wiring and the connectors may result in a misdiagnosis, causing a part replacement with the reappearance of the malfunction. If an intermittent malfunction exists, refer to Testing for Intermittent Conditions and Poor Connections in Wiring Systems.

Test Description

The numbers below refer to the step numbers on the diagnostic table.

  1. This step tests to see if the malfunction is caused by the steering wheel module or by the steering wheel module coil.

  2. This step tests to see what DTCs are present. If DTC B0022 is present, test the steering wheel module for a short between high and low circuits. If DTC B0024 is present, test the steering wheel module high and low circuits for an open and for high resistance. If DTC B0026 is present, test the steering wheel module high and low circuits for an open and for high resistance.

Step

Action

Yes

No

Schematic Reference: SIR Schematics

1

Did you perform the Diagnostic System Check - SIR?

Go to Step 2

Go to Diagnostic System Check - SIR

2

  1. Turn OFF the ignition.
  2. Disconnect the steering wheel module coil in-line connector. Refer to Inflatable Restraint Steering Wheel Module Coil Replacement .
  3. Inspect the component and harness sides of the in-line connector for the steering wheel module coil for damage or corrosion that may cause the malfunction. Refer to Testing for Intermittent Conditions and Poor Connections and Connector Repairs in Wiring Systems.

Does the connector exhibit any signs of damage or corrosion?

Go to Step 3

Go to Step 4

3

  1. If the in-line connector for the steering wheel module coil is damaged, the steering wheel module coil must be replaced. Refer to Inflatable Restraint Steering Wheel Module Coil Replacement .
  2. If the wiring harness side of steering wheel module coil in-line connector is damaged, replace the harness side of the connector. Refer to Connector Repairs in Wiring Systems.

Did you complete the repair?

Go to Step 11

--

4

  1. Install the J 38715-A SIR Driver/Passenger Load Tool to the harness side of the steering wheel module coil connector. Use BASE OF COLUMN connector.
  2. Turn ON the ignition, with the engine OFF.
  3. Use the scan tool to request SIR DTCs displayed.

Does the scan tool indicate that DTC B0022, B0024, or B0026 are current?

Go to Step 6

Go to Step 5

5

  1. Turn OFF the ignition.
  2. Disconnect and remove the J 38715-A .
  3. Connect the steering wheel module coil in-line connector.
  4. Remove the steering wheel module. Refer to Inflatable Restraint Steering Wheel Module Replacement .
  5. Use the J 38715-30A adapter to connect the J 38715-A to the upper steering wheel module coil connector on top of the steering column. Use STEERING COLUMN and connector.
  6. Turn ON the ignition, with the engine OFF.
  7. Use the scan tool to request SIR DTCs displayed.

Does the scan tool indicate that DTC B0022, B0024, or B0026 are current?

Go to Step 9

Go to Step 8

6

  1. Turn OFF the ignition.
  2. Disconnect and remove both the J 38715-A and adapter.
  3. Disconnect the inflatable restraint sensing and diagnostic module (SDM) connector. Refer to Inflatable Restraint Sensing and Diagnostic Module Replacement .
  4. Inspect the SDM connector for damage or corrosion that may cause a malfunction in the steering wheel module high and/or low circuits. Refer to Testing for Intermittent Conditions and Poor Connections and Connector Repairs in Wiring Systems.

Did you find and correct the condition?

Go to Step 11

Go to Step 7

7

  1. If DTC B0022 is present, test the steering wheel module for a short between the high and low circuits.
  2. If DTC B0024 is present, test the steering wheel module high and low circuits for a short to ground and for a short to voltage.
  3. If DTC B0026 is present, test the steering wheel module high and low circuits for an open and for high resistance.
  4. All the above conditions refer to Circuit Testing and Wiring Repairs in Wiring Systems.

Did you find and correct the condition?

Go to Step 11

Go to Step 10

8

  1. Turn OFF the ignition.
  2. Replace the steering wheel module. Refer to Inflatable Restraint Steering Wheel Module Replacement .

Did you complete the replacement?

Go to Step 11

--

9

  1. Turn OFF the ignition.
  2. Replace the steering wheel module coil. Refer to Inflatable Restraint Steering Wheel Module Coil Replacement .

Did you complete the replacement?

Go to Step 11

--

10

  1. Turn OFF the ignition.
  2. Replace the SDM. Refer to Inflatable Restraint Sensing and Diagnostic Module Replacement .

Did you complete the replacement?

Go to Step 11

--

11

  1. Connect all SIR components.
  2. Turn ON the ignition, with the engine OFF.
  3. Use the scan tool in order to clear the DTCs.
  4. Operate the vehicle within the Conditions for Running the DTC as specified in the supporting text.

Does the DTC reset?

Go to Step 2

System OK