GM Service Manual Online
For 1990-2009 cars only
Makes
🢒
Saturn
🢒
2000
🢒
L300/LW300
🢒
Body and Accessories
🢒
Lighting Systems
🢒 Exterior Lights Schematics
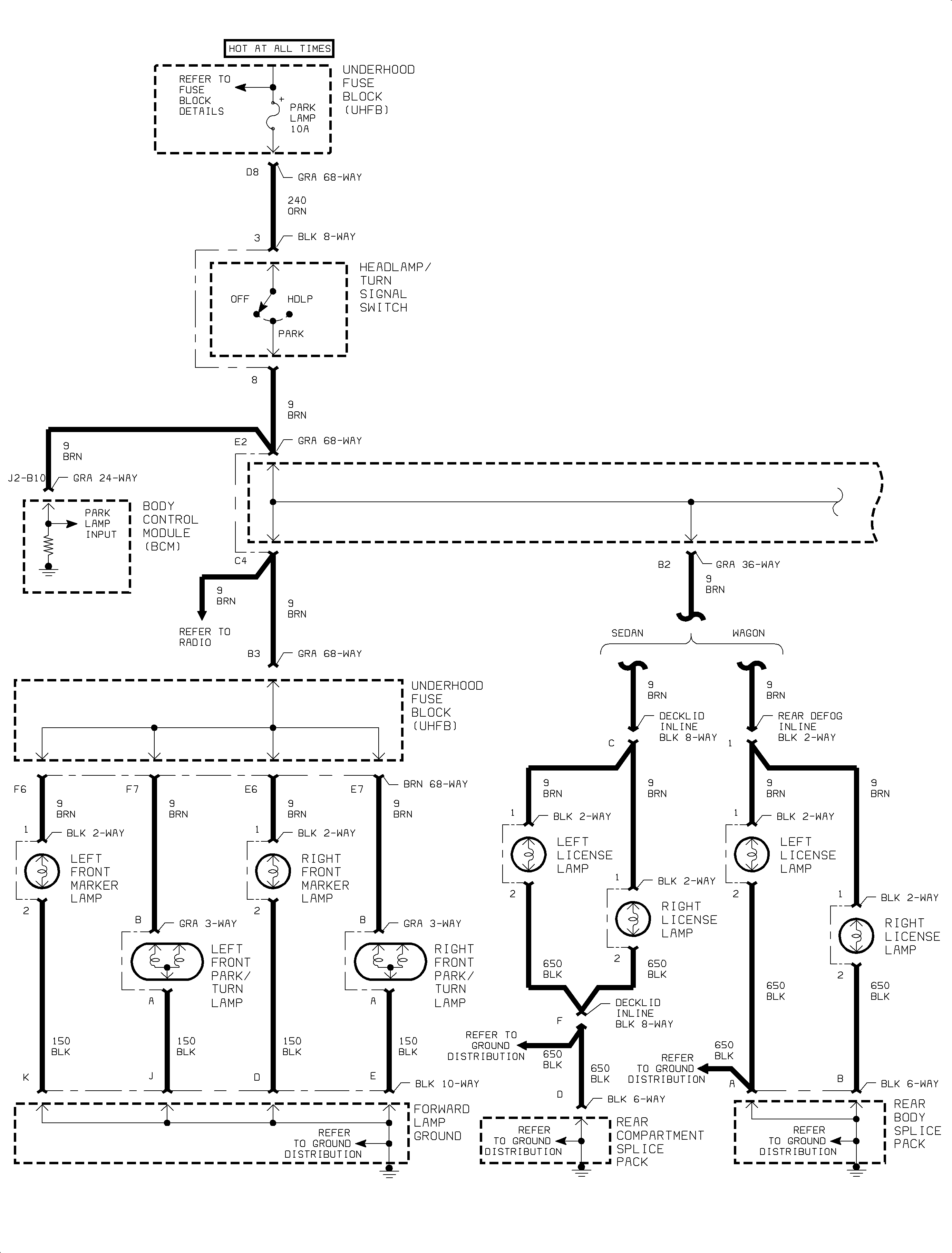
Figure
1:
(1 of 5) - Exterior Lamps
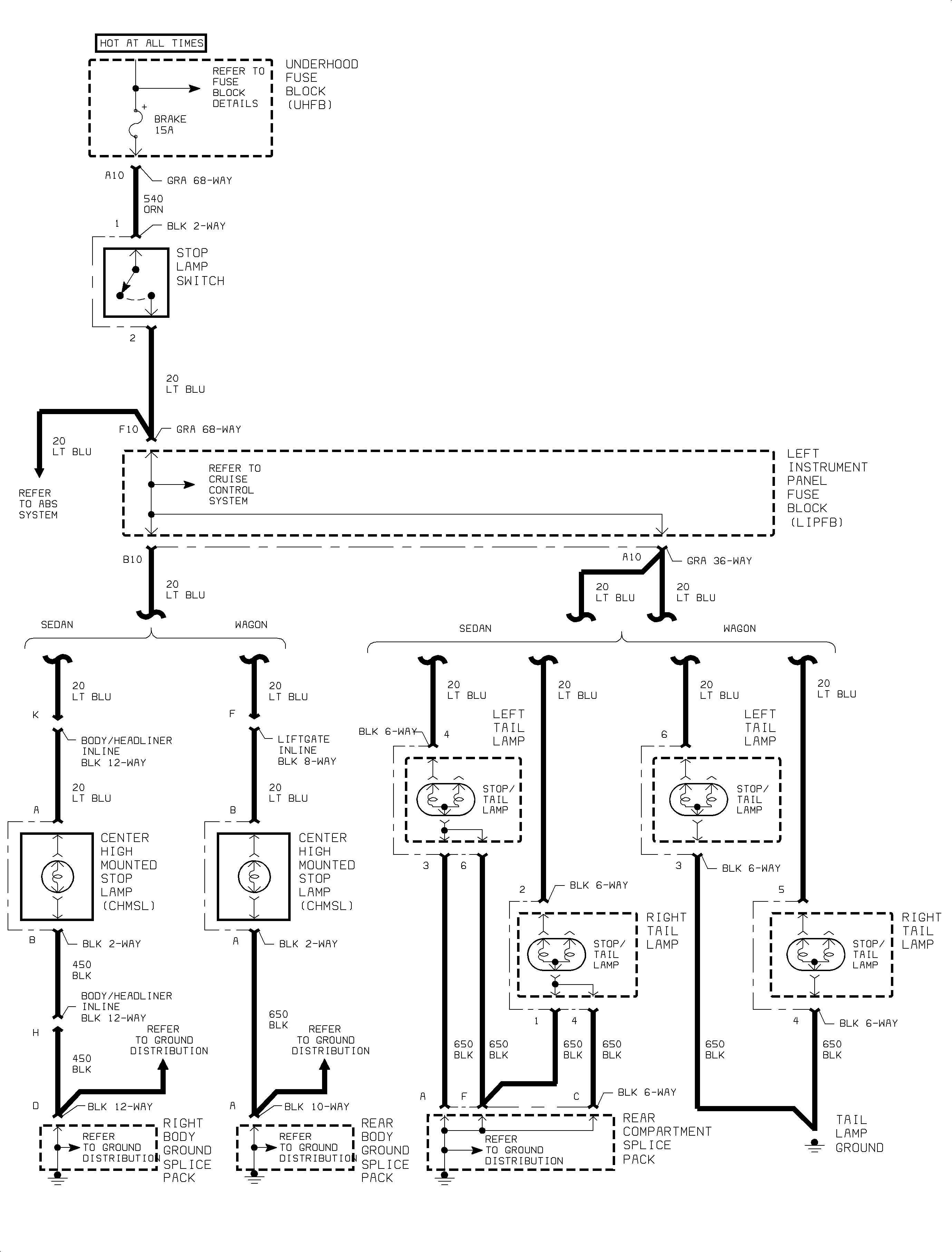
Figure
2:
(2 of 5) - Exterior Lamps
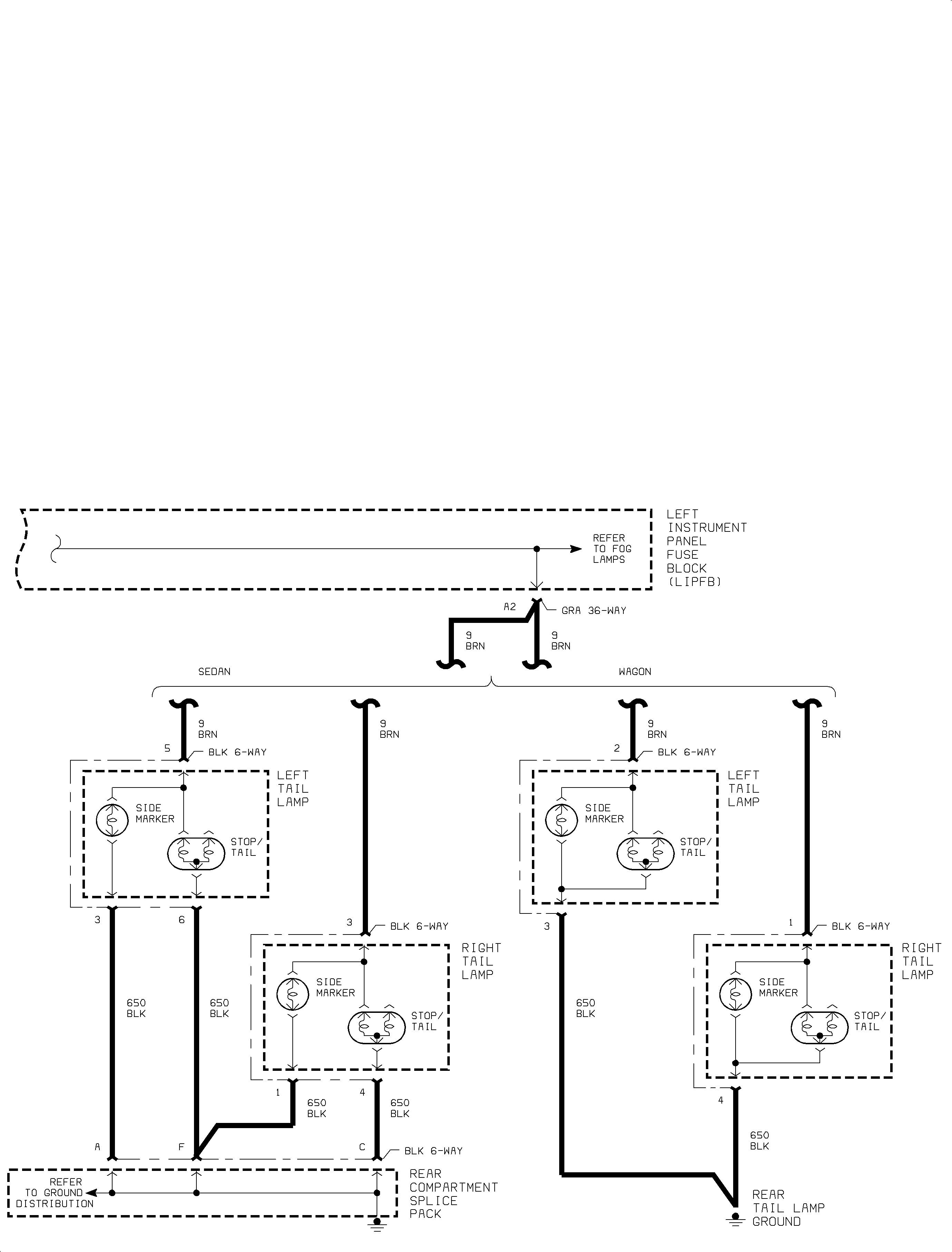
Figure
3:
(3 of 5) - Exterior Lamps
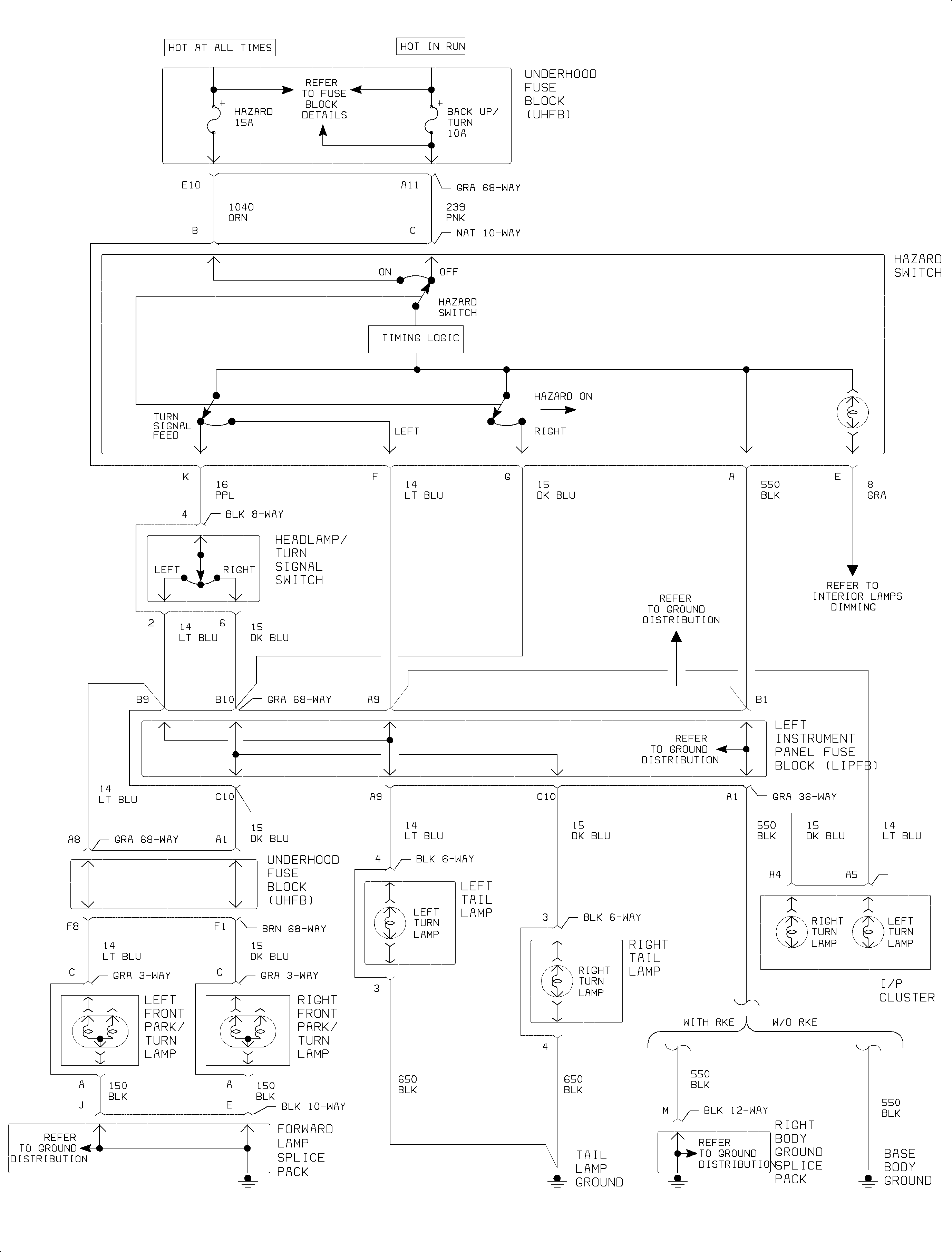
Figure
4:
(4 of 5) - Exterior Lamps
Figure
5:
(5 of 5) - Exterior Lamps