GM Service Manual Online
For 1990-2009 cars only
Makes
🢒
Saturn
🢒
2000
🢒
L300/LW300
🢒
Body and Accessories
🢒
Doors
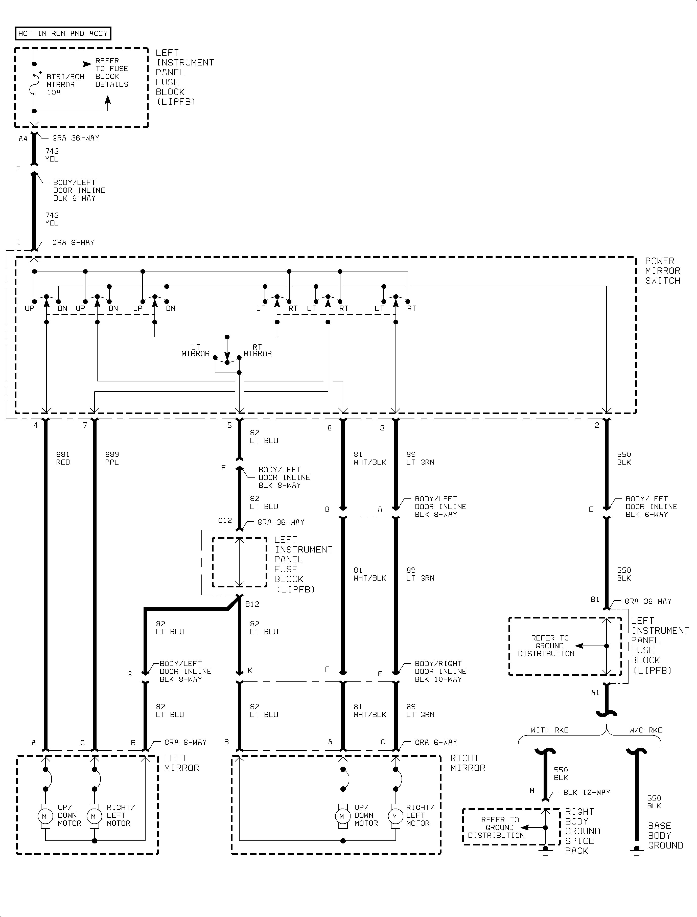
🢒 Outside Rearview Mirror Schematics
Outside Mirror Schematics