GM Service Manual Online
For 1990-2009 cars only

Object Number: 889324  Size: MF

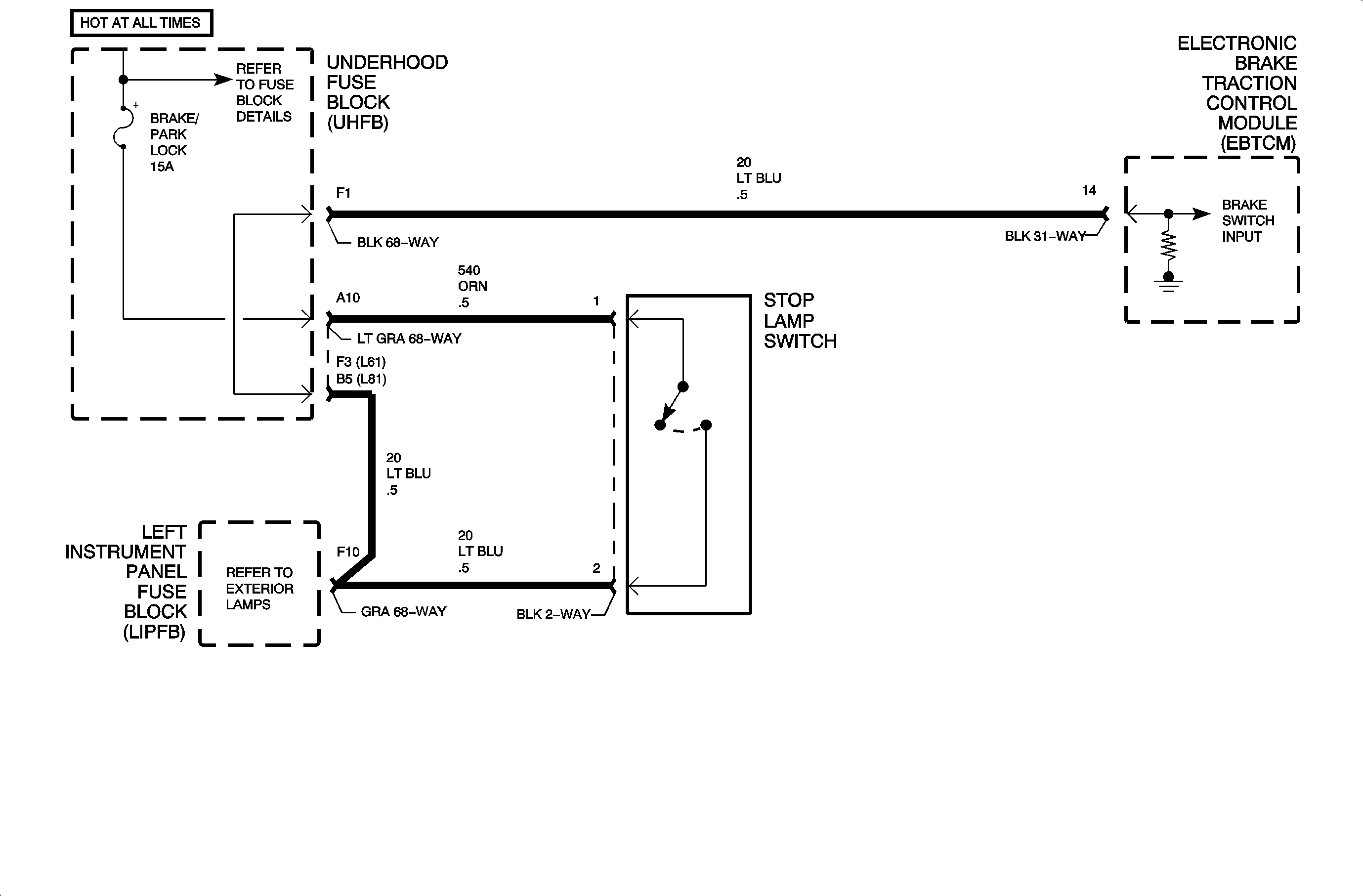
Circuit Description

The normally-open stop lamp switch supplies battery voltage to the ABS control module when the brake pedal is depressed.

DTC Parameters

Important: When DTC C0161 sets the ABS control module will NOT disable ABS, TCS, and DRP.

DTC will set if the ABS control module detects an open or short to voltage in circuit 20.

Diagnostic Aids

Inspect wiring, components, and connectors for the following:

    • Proper connection
    • Backed-out terminals
    • Broken connector locks
    • Corrosion in connectors/terminals
    • Burned, chafed, or pinched wiring
    • Broken wire inside insulation
    • Loose components

DTC C0161


Object Number: 889817  Size: FP

Object Number: 889823  Size: FP