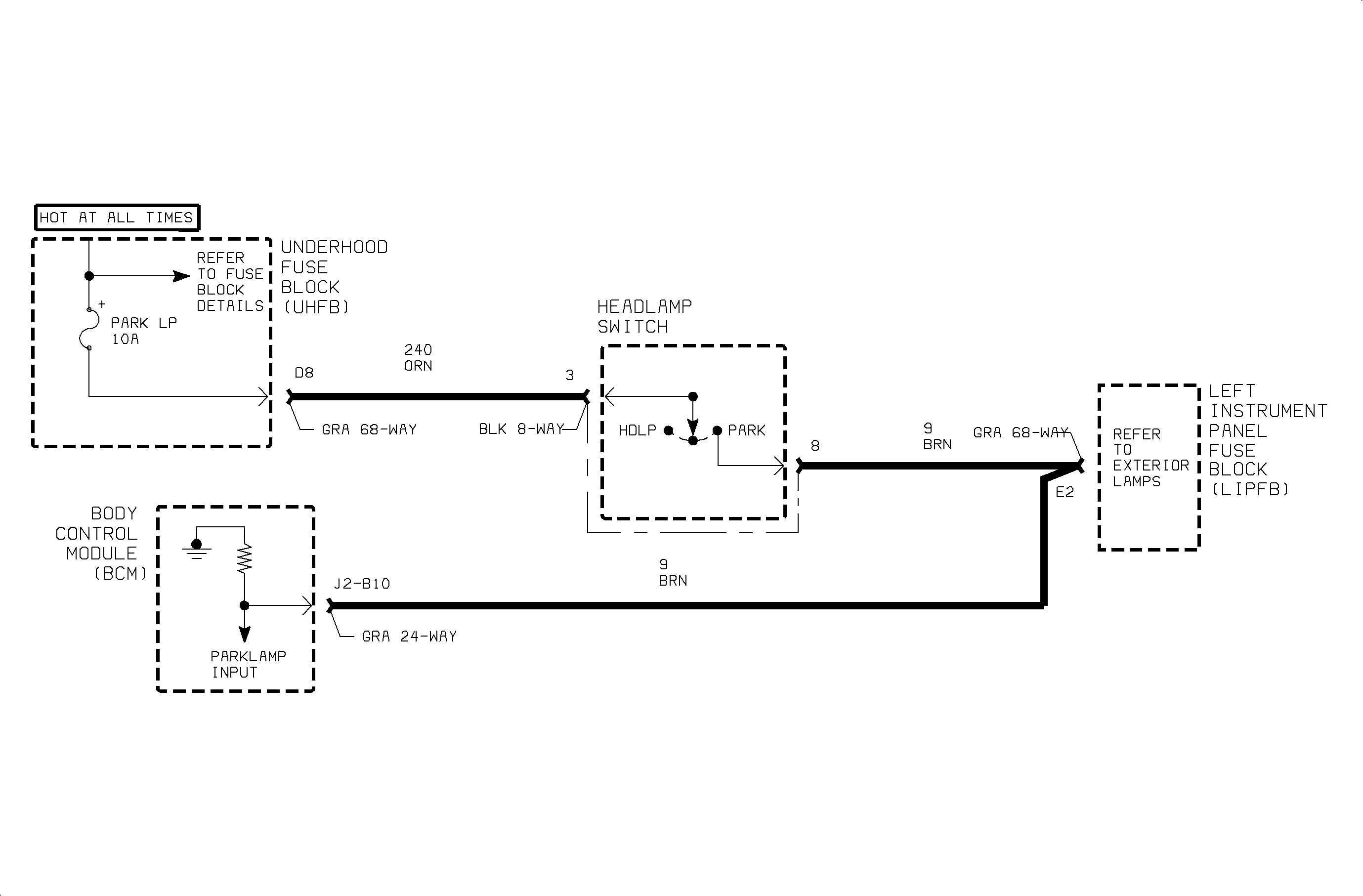
Circuit Description
The body control module (BCM) compares the state of the park lamp CKT 9
to the high beam headlamp CKT 1200 and the low beam headlamp CKT 1201.
If the park lamp circuit is grounded/open and either the low beam circuit is
at battery voltage or the high beam circuit is grounded, diagnostic code B2662
will set.
Conditions for Setting the DTC
| • | CKT 9 grounded or open. |
| • | Conditions present for 1 second. |
Diagnostic Aids
| • | Check for poor connection at the BCM. Inspect harness connectors for backed
out terminals, improper terminal mating, broken connector locks, improperly formed
or damaged terminals and poor terminal-to-wire connection -- terminal crimped
over wire insulation and not conductors. |
| • | Inspect wiring harness for damage. Check for broken or chaffed insulation. |
| • | Check for poor connection at the headlamp switch. |
| • | If fault is suspected to be intermittent, wiggling harness wiring may
help in locating fault. |