GM Service Manual Online
For 1990-2009 cars only
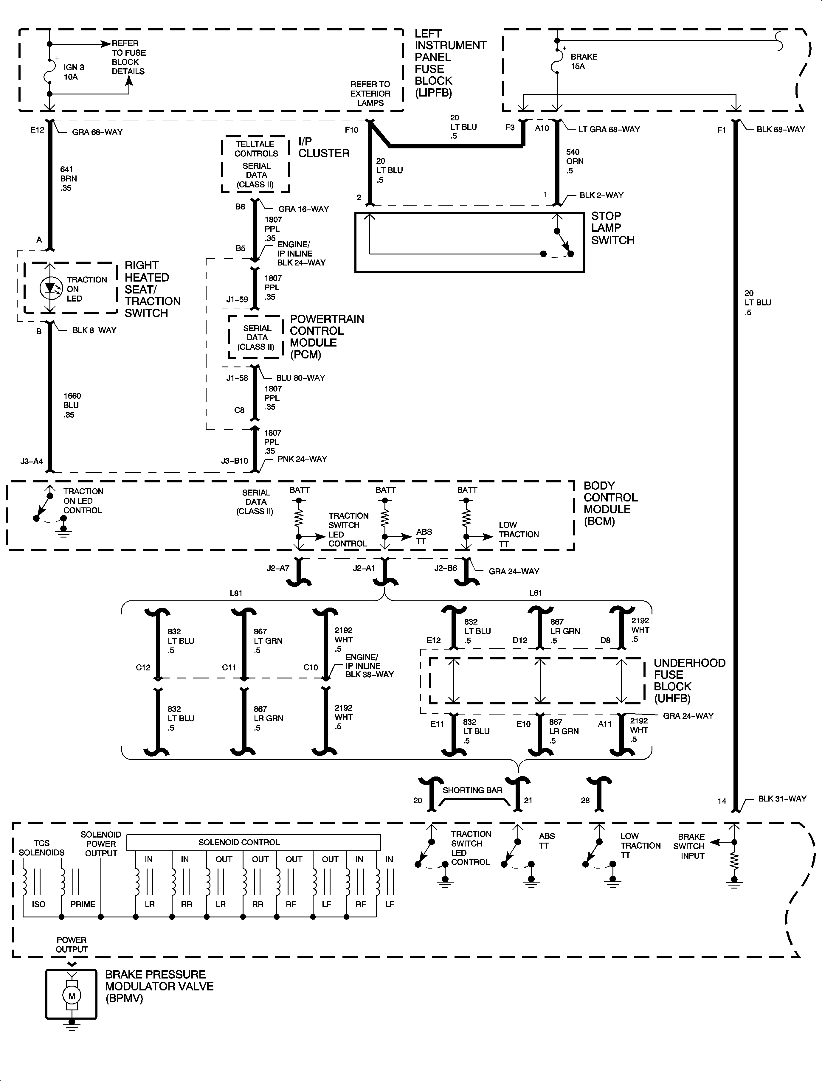
Figure 1:

1 of 4


Object Number: 889921  Size: FP
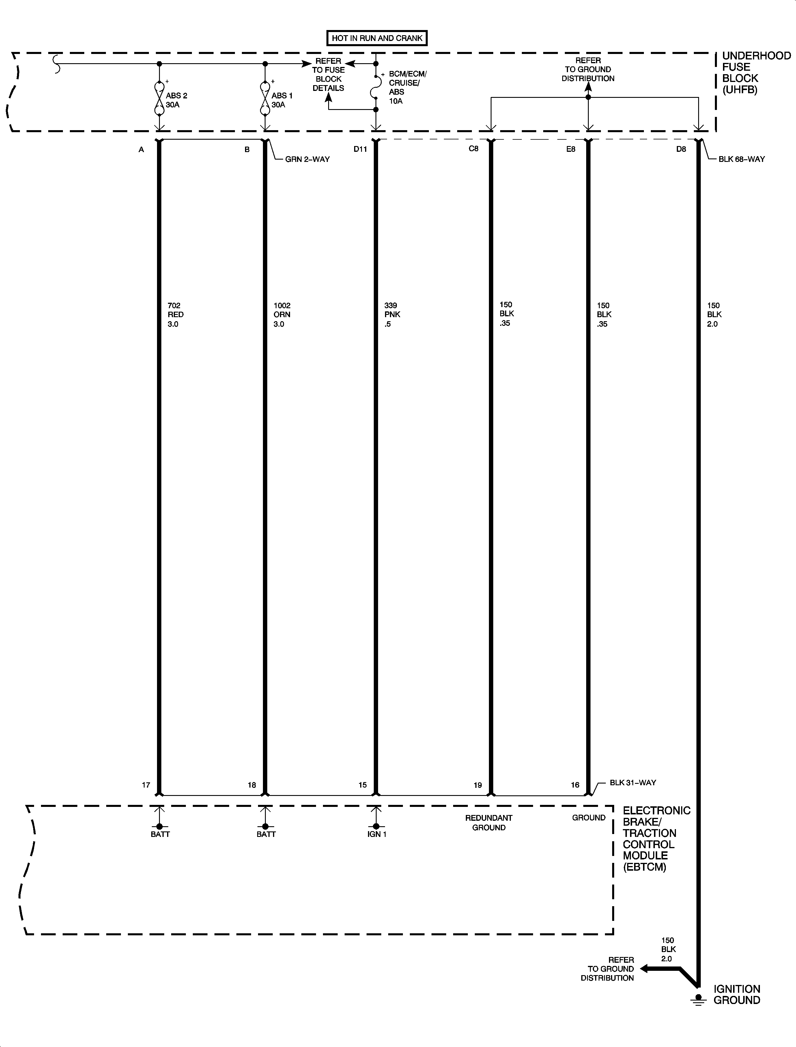
Figure 2:

2 of 4


Object Number: 889926  Size: FP
Figure 3:

3 of 4


Object Number: 890262  Size: FP
Figure 4:

4 of 4


Object Number: 890263  Size: FP