GM Service Manual Online
For 1990-2009 cars only

Cruise Control Cable Replacement L61/L81

Removal Procedure


    Object Number: 897266  Size: SH
  1. Turn the ignition OFF.
  2. Remove the cruise control module to bracket bolts leaving the bracket attached to the frame rail.
  3. Remove the cruise control throttle cable clip attached to the front of the dash.
  4. Pull the cruise control module up behind the power brake booster.

  5. Object Number: 896792  Size: SH
  6. Disconnect the cruise control module harness connector.
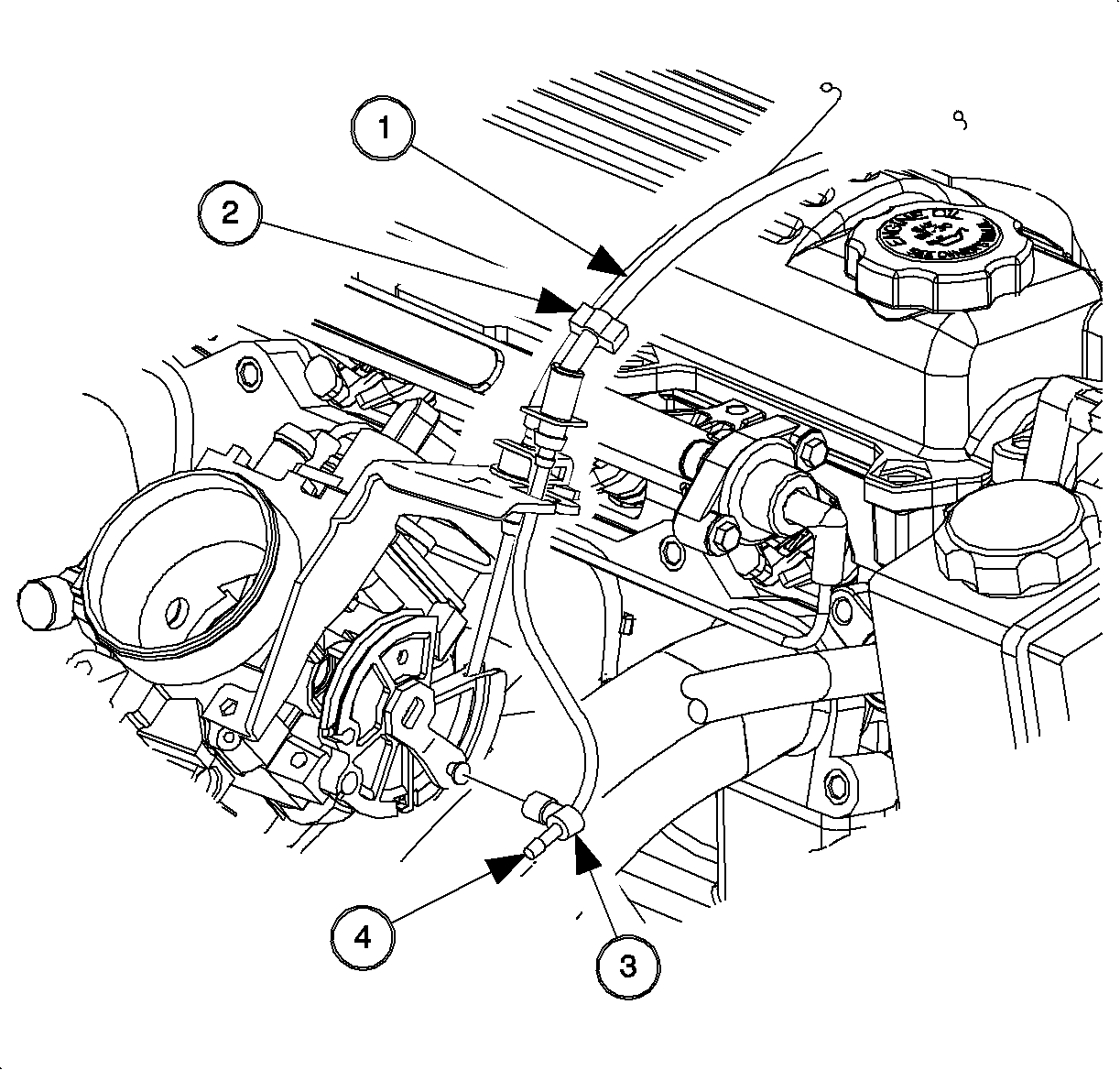
  7. • (1) - Cruise Control Throttle Cable
    • (2) - Adjuster (Shown here, actually further back on cable)
    • (3) - Cable Snap
    • (4) - Cable End
  8. Disconnect the cruise control throttle cable snap from the throttle body cam.
  9. Unclip the cruise control throttle cable from both attachment clips.

  10. Object Number: 887102  Size: MH
  11. Disconnect the cruise control throttle cable from the module by rotating the cable ¼ turn counter-clockwise at the module.
  12. Remove the cable from the connecting strap.
  13. Remove cruise control throttle cable.

Installation Procedure


    Object Number: 897266  Size: SH

    Important: Do not twist the connecting strap during installation.

  1. Connect the cruise control throttle cable to the cruise control module connecting strap.
  2. Install the cruise control throttle cable to the cruise control module by rotating ¼ turn clockwise.
  3. Install the cruise control module with the throttle cable into the frame rail bracket and install the attachment bolts.
  4. Tighten
    Tighten the cruise control module to frame rail bracket bolts to 10 N·m (89 lb in).


    Object Number: 896792  Size: SH
  5. Install the throttle cable clip to the front of the dash stud.
  6. • (1) - Cruise Control Throttle Cable
    • (2) - Adjuster (Shown here, actually further back on cable)
    • (3) - Cable Snap
    • (4) - Cable End
  7. Install the cruise control throttle cable snap to the throttle body cam.
  8. Install the cruise control throttle cable to both attachment clips.
  9. Connect the cruise control module harness connector. Push in until a click is heard and pull back to confirm a positive engagement.
  10. Adjust the cruise control throttle cable. Refer to Cruise Control Throttle Cable Adjustment .