GM Service Manual Online
For 1990-2009 cars only

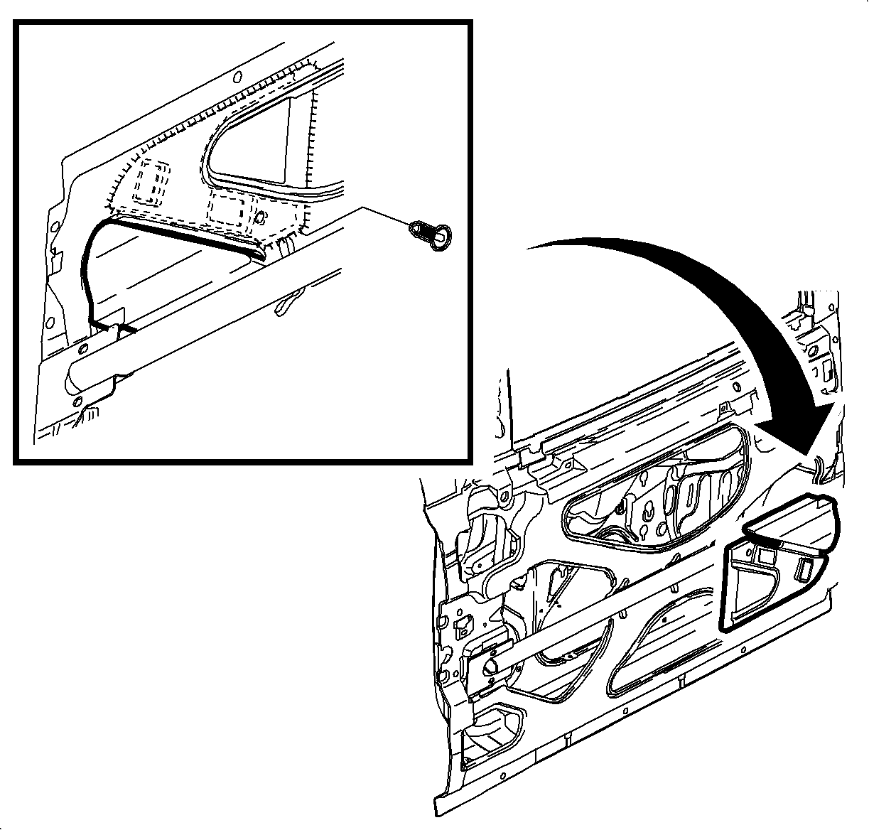
Removal Procedure


    Object Number: 893757  Size: SH

    Caution: If energy absorber is removed or damaged it must be replaced with a new part. If omitted, the vehicle will not meet federal motor vehicle safety standards (FMVSS), subjecting the retailer to possible civil penalties for making the vehicle inoperative to the FMVSS, and increasing the risk of injury to the vehicle occupants.

  1. Remove the front door outer panel. Refer to Front Door Outer Panel removal procedure .
  2. Partially remove the front door insulator.
  3. Using a trim tool, remove the energy absorber fastener.
  4. Remove the energy absorber from the door structure.

Installation Procedure


    Object Number: 893757  Size: SH
  1. Remove the tape backing from the new part and affix the energy absorber to the door structure.
  2. Install the energy absorber fastener to the door structure.
  3. Install the front door insulator.
  4. Install the front door outer panel. Refer to Front Door Outer Panel installation procedure .