GM Service Manual Online
For 1990-2009 cars only

Object Number: 889459  Size: MF

Circuit Description

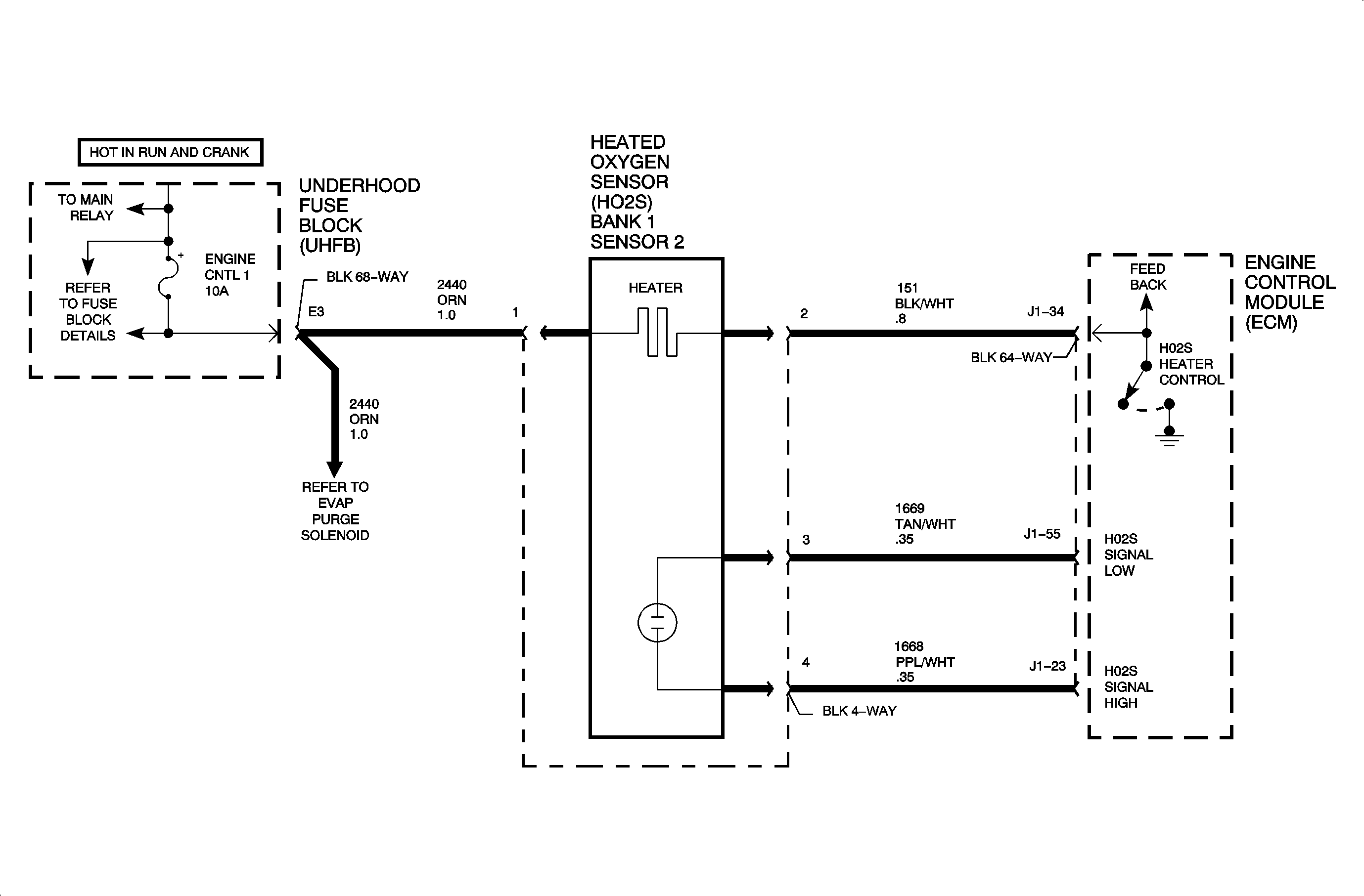
The heated oxygen sensor (HO2S) bank 1 sensor 2 is threaded into the cylinder 1, 3, 5 exhaust pipe behind the pre-converter (cylinders 1, 3, 5 are closest to front of dash). The sensor is an electrical source that responds to oxygen content out of the catalytic converter. When the sensor reaches approximately 316°C (600°F), it produces a voltage based on the difference in oxygen between the atmosphere and exhaust gas. The ECM sends a bias voltage (425-460 mV) on the signal line, which is pulled up through high resistance. When the HO2S bank 1 sensor 2 is cold, it produces no voltage and has extremely high internal resistance. The internal resistance of the sensor is much greater than the resistance of the bias pull-up resistor. However, when the sensor heats up, it produces voltage that overrides the bias voltage. This voltage is read by the ECM to determine the efficiency of the catalytic converter. Under normal conditions, low sensor voltage means high oxygen content/lean air-fuel mixture and vice versa. Normal sensor readings at steady cruise with a properly functioning catalytic converter will be around 500-800 mV. DTC P0140 sets when the HO2S bank 1 sensor 2 signal is inactive.

DTC Parameters

DTC P0140 will set if HO2S bank 1 sensor 2 is inactive (voltage is not fluctuating outside the 421-479 mV range) when:

    • Condition exists for longer than 1 minute.
    • Engine is running.
    • Calculated converter temperature less than 940°C (1724°F).
    • Commanded air/fuel ratio is 14.7 to 1.
    • Battery voltage greater than 11.0 volts.

DTC P0140 diagnostic runs continuously once the above conditions have been met.

P0140 is a (type B) DTC.

Diagnostic Aids

Important: If DTC P0141 is also set, diagnose that DTC first. An inoperative heater may have caused this DTC to set.

To locate an intermittent problem, use Scan tool to monitor HO2S bank 1 sensor 2 voltage with engine at normal operating temperature. Bias voltage (421-479  mV) will appear on the Scan tool if there is an open anywhere in the sensor circuit.


Object Number: 888113  Size: FP