GM Service Manual Online
For 1990-2009 cars only

Object Number: 888884  Size: FP

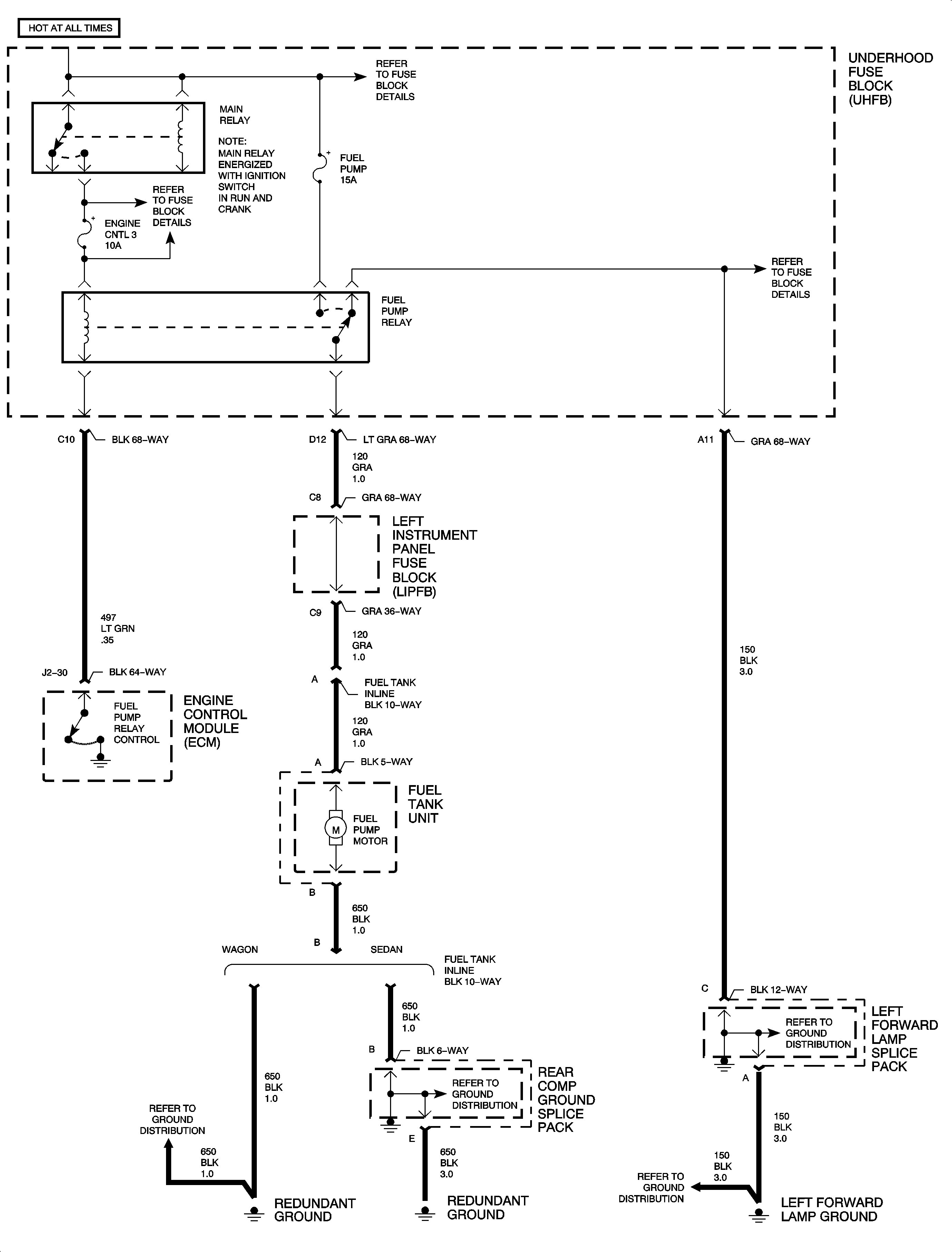
Circuit Description

The fuel pump relay is located in the left instrument panel fuse block (LIPFB). The ECM controls the fuel pump motor by supplying a ground to the fuel pump relay. The fuel pump runs continuously whenever the engine is running or runs for 2 seconds if the ignition is turned On and the engine is not cranked. The ECM controls an internal driver that supplies a ground to the fuel pump relay coil whenever the fuel pump relay is commanded On. The relay coil circuit is monitored for low and high voltage and open circuit faults. DTC P0230 will set if the ECM detects an open fuel pump relay control circuit when the relay is commanded Off.

DTC Parameters

DTC P0230 sets when the ECM detects the fuel pump relay control feedback voltage at the ECM is between 2.6 - 4.6 volts when the relay is being commanded Off when:

    • Condition exists for longer than 0.5 seconds.
    • Battery is between 7.5 and 15.0 volts.
    • Engine is cranking/running.

P0230 is a (type D) DTC.

Diagnostic Aids

Inspect harness for any backed out terminals, improper terminal mating, or corrosion that may cause an open circuit condition.


Object Number: 888155  Size: FP