GM Service Manual Online
For 1990-2009 cars only

Object Number: 889464  Size: MF

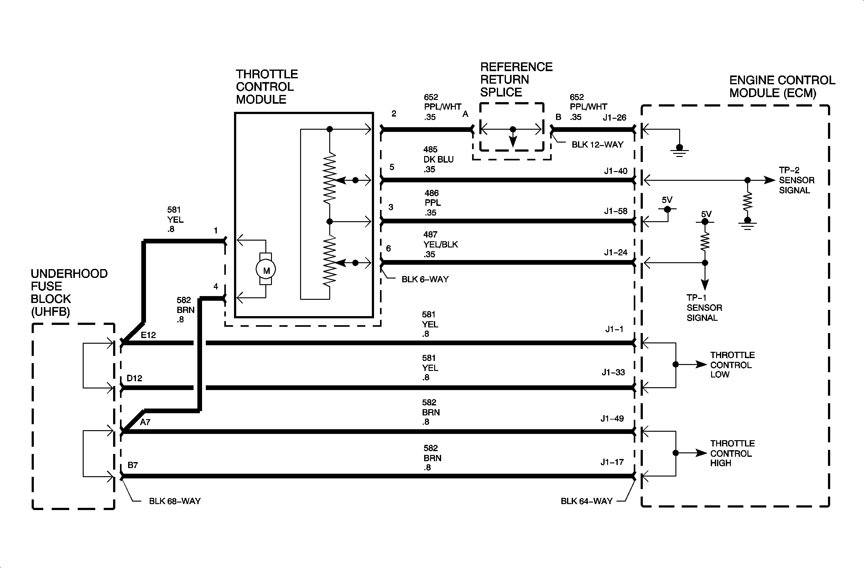
The throttle control module contains a throttle control motor, two throttle position (TP) sensors, and two independent signal circuits that vary resistance according to changes in throttle plate position. The ECM will go through a throttle position learn in procedure to determine acceptable values for the throttle plate position operating range. This is based on the inputs from TP sensor 1 and TP sensor 2 and feedback from the throttle control motor. DTC P1510 sets when the throttle plate position is outside a calibrated amount for the upper limit or lower limit.

DTC PARAMETERS

DTC P1510 will set if the throttle plate is outside the upper limit (greater than 80%) or the lower limit (less than 20%) when:

    • Condition exists for greater than 0.6 seconds (for the upper limit) or greater than 5 seconds (for the lower limit)
    • Battery voltage greater than 7.0 volts

DTC P1510 diagnostic runs continuously with engine running.

P1510 is a (type A) DTC

DIAGNOSTIC AIDS

This DTC P1510 may set due to either mechanical faults or electrical circuit faults. Possible causes:

    • Weakened springs in throttle assembly
    • Throttle plate forced to extreme position due to a surge of air or carbon deposits
    • Circuit failure to throttle control motor
    • TP sensor not functioning properly (diagnose TP sensor DTCs first)
    • Throttle body assembly

If both P1510 and P1516 are set, circuit 581 or 582 may be shorted to ground.

If both P1510 and P1523 are set, circuit 485 may be shorted to voltage.

Important: If DTC P1510 is set, the ECM will default to REDUCED PERFORMANCE mode for the entire ignition cycle, even if the fault is corrected.

In REDUCED PERFORMANCE mode, throttle is limited to a maximum of 9.8% and the engine will respond slowly to throttle input.