GM Service Manual Online
For 1990-2009 cars only

Object Number: 889447  Size: MF

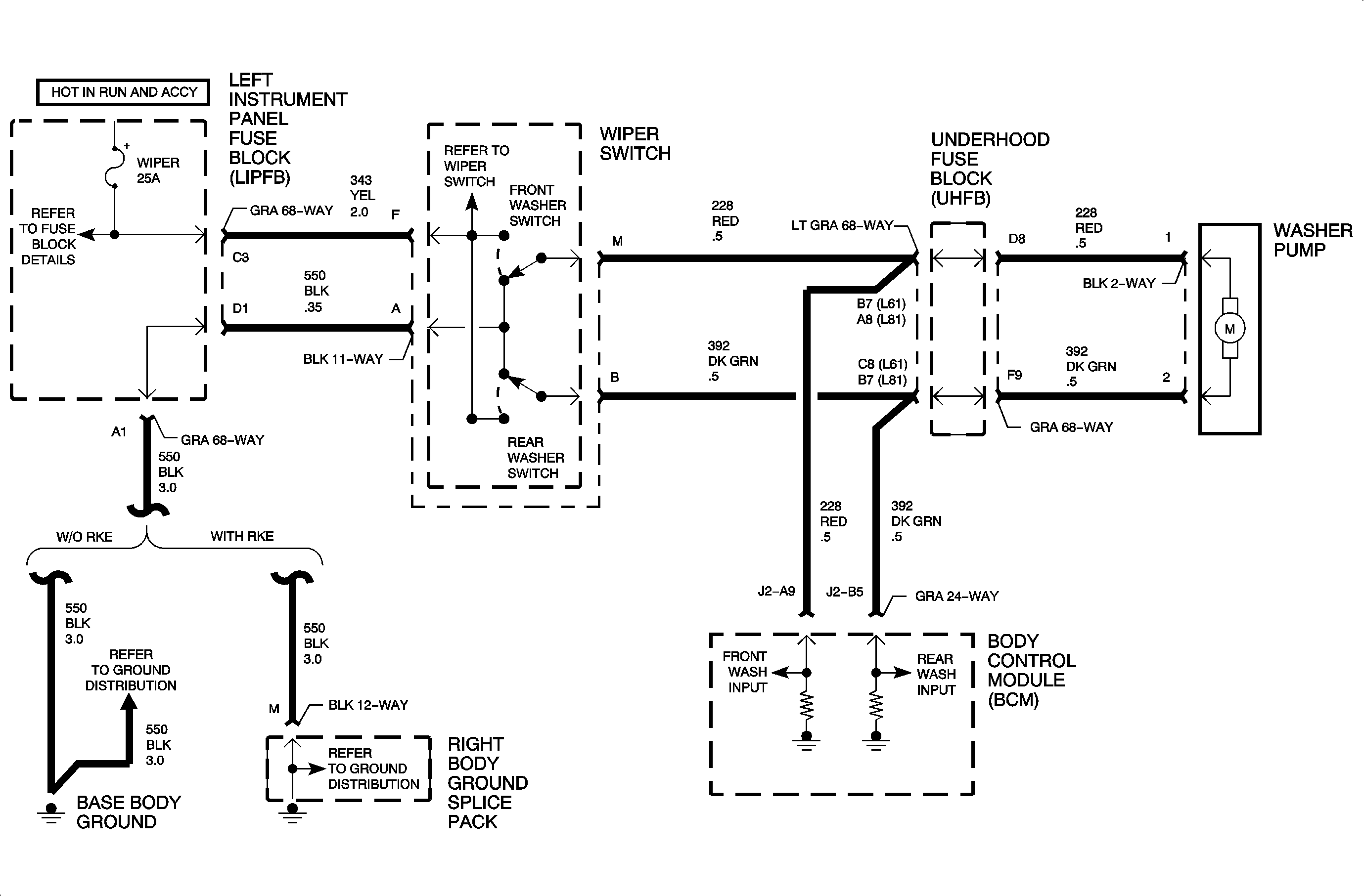
The body control module (BCM) monitors the front washer motor circuit 228. When a front windshield wash is requested for more than 2 minutes, circuit 228 at battery voltage, the BCM will turn OFF the front wiper motor if the front wiper is NOT requested by the wiper switch.

Power for the front washer motor, and the rear washer motor when equipped, is supplied through the front wiper fuse and washer switch. Grounding for the front washer motor is through the circuit 550 or through the OFF position of the rear washer motor switch, when equipped.

DTC Parameter

    • The ignition is in RUN or ACC.
    • Front washer circuit 228 at battery voltage for 2 minutes.

Diagnostic Aids

    • Inspect the wiring harness for damage. Check for broken or chaffed insulation.
    • If a fault is suspected to be intermittent, wiggling the harness wiring may help in locating the fault.

Object Number: 887305  Size: FP