GM Service Manual Online
For 1990-2009 cars only

Object Number: 899017  Size: MF

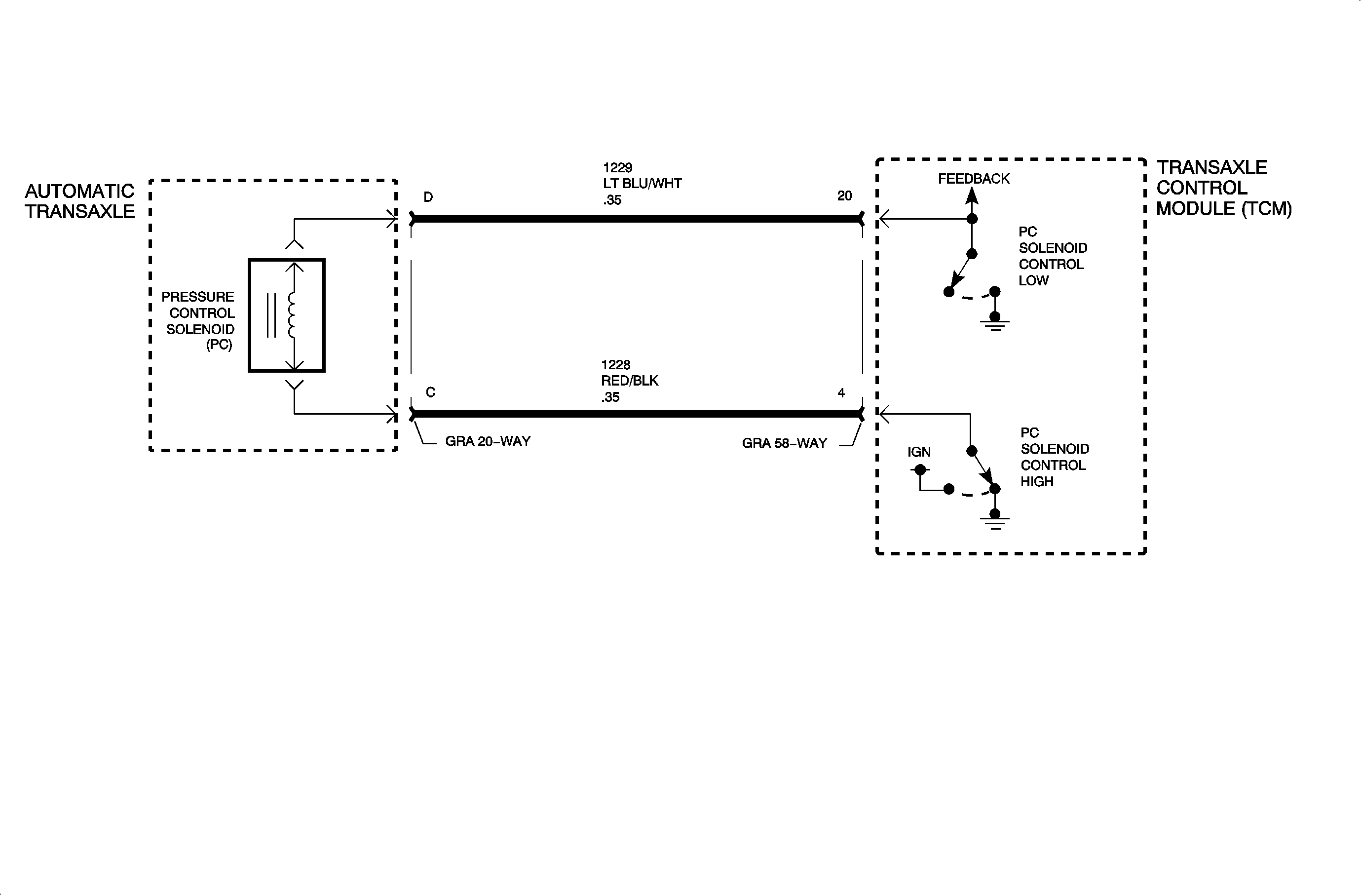
Circuit Description

The transaxle control module (TCM) contains two high side drivers to control the power side of the pressure control solenoid and the shift/torque converter clutch solenoids. When the key is in the RUN position, the TCM switches power onto the solenoids. If the TCM detects a continuous open or short to ground in the pressure control solenoid driver circuit, DTC P1831 sets.

DTC Parameters

DTC P1831 will set if the TCM detects a continuous open or short to ground in the pressure control solenoid driver circuit when:

    • Engine speed is:
       - MY 2002: 200-7,500 RPM for 5 seconds
       - MY 2003: 500-6,500 RPM for 5 seconds
    • MY 2002: Ignition 1 is 8-10 volts
    • Pressure control solenoid high side is commanded on.

DTC P1831 is a type A DTC.

Diagnostic Aids

    • The high side drivers are internal to the TCM and cannot be serviced. The only repair possible is to replace the TCM.
    • If this pressure control solenoid DTC is set, replace the TCM first. Check to see if the code resets.