GM Service Manual Online
For 1990-2009 cars only

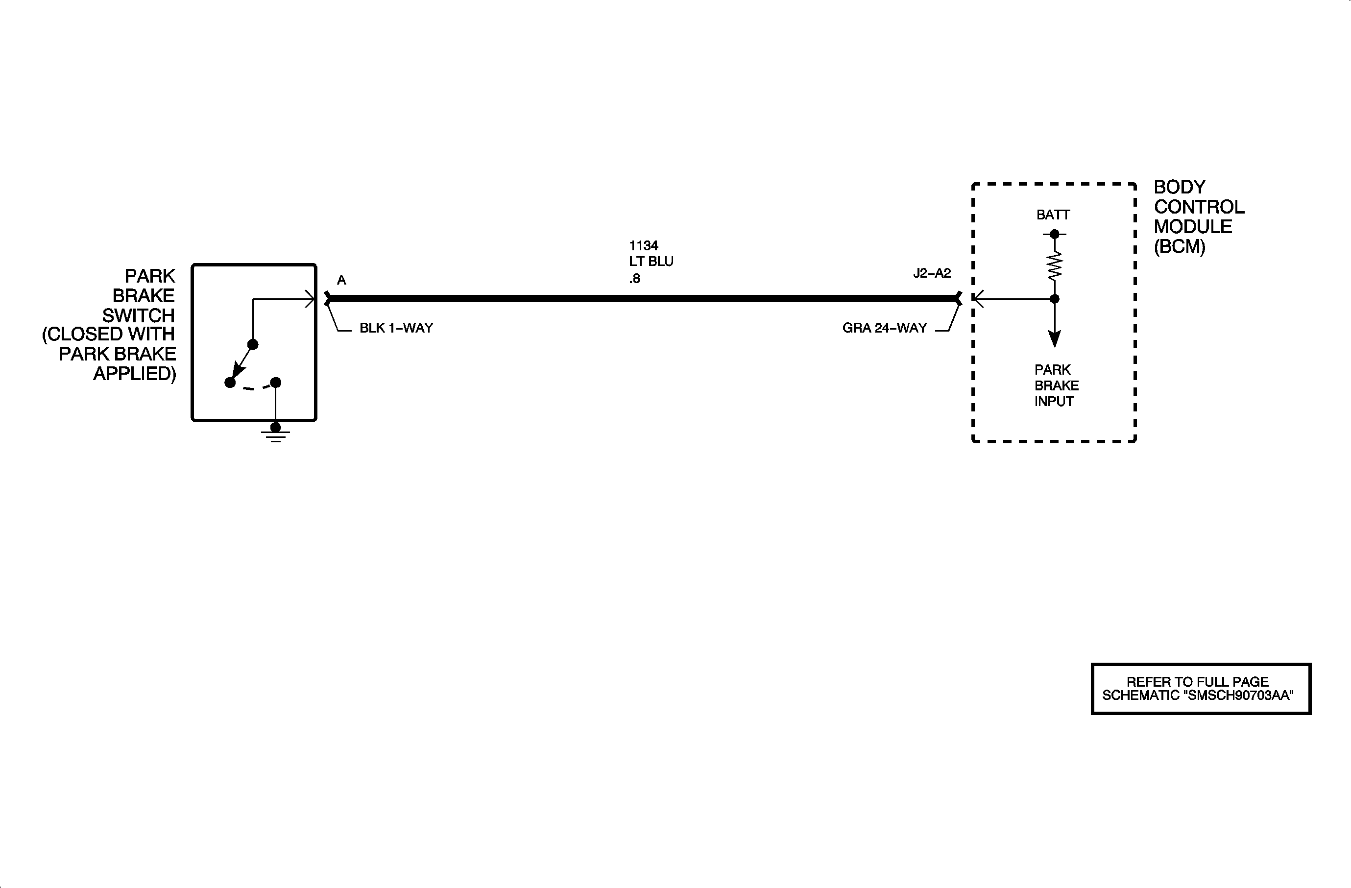
Circuit Description


Object Number: 896201  Size: MF

When the park brake input circuit 1134 to body control module (BCM) is grounded (as when parking brake is applied), the BCM will turn ON the brake telltale lamp by sending a serial data message to the I/P cluster. If the vehicle is moving greater than 10 km/h (6 mph) and the park brake input to the BCM is grounded, the BCM will sound the warning chime to notify the driver that the parking brake is applied.

Conditions for Setting the DTC

    • The ignition switch in RUN position.
    • The vehicle speed greater than 10 km/h (6 mph).
    • Circuit 1134 grounded.
    • The brake system warning light always ON.

Diagnostic Aids

    • Verify that the parking brake is fully disengaged.
    • Inspect the wiring harness for damage. Check for broken or chafed insulation.
    • Check for blockage preventing the parking brake from fully releasing.
    • If the fault is suspected to be intermittent, wiggling the harness wiring may help in locating the fault.
    • Check for poor connection at the BCM.

Object Number: 890261  Size: FP