GM Service Manual Online
For 1990-2009 cars only

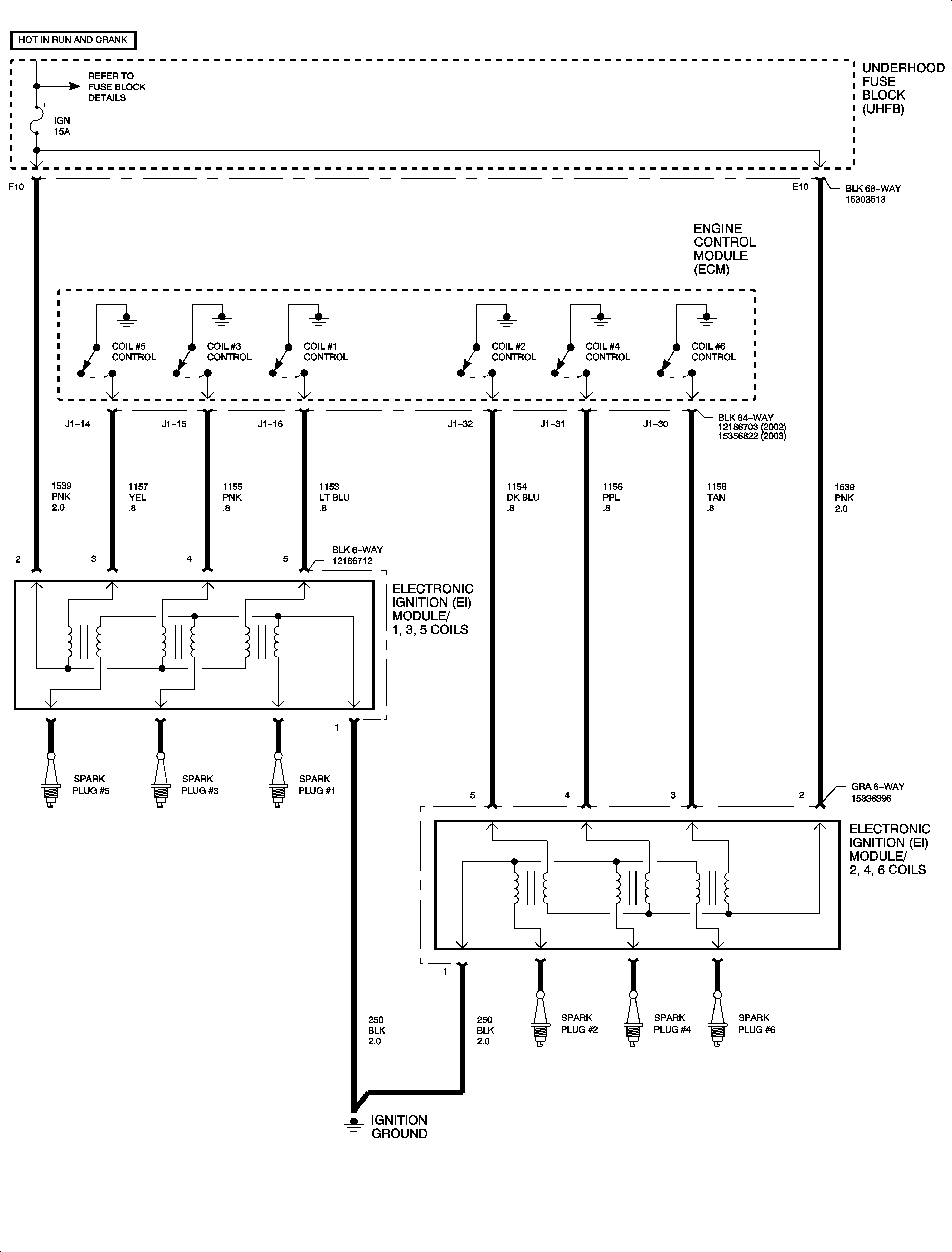
Circuit Description

The crankshaft position (CKP) sensor sends 58 pulses per crankshaft revolution to determine the position and RPM of the engine at various degrees of rotation. The crankshaft reluctor wheel contains 20 notches for every 120 degrees of crankshaft rotation except for 2 missing notches used to detect cylinder #1 TDC. The engine control module (ECM) bases misfire diagnostics on the principal that at a given speed and load, the time to pass 20 notches on the crankshaft between firing events should be below a certain threshold. If the time to pass 20 notches exceeds a calibrated time, a misfire is detected on the previous cylinder. Under certain conditions, the ECM will monitor misfires in both 200 crankshaft revolution tests, catalyst damaging counter, and 1,000 crankshaft revolution tests, emission related counter. If a certain number of misfires, greater than 30 out of a 1,000 revolution test, or greater than 45 out of 4 consecutive 1,000 revolution tests, occur over a certain number of engine revolutions, DTC P0300 will set. The MIL will then be commanded ON after 2 consecutive drive cycles if DTC P0300 fails again. The MIL will turn OFF after 3 consecutive passed drive cycles meeting the same criteria or 80 passed drive cycles if the criteria could not be met. DTC P0300 sets if specific or random cylinder misfires have occurred for a certain length of time.

Conditions for Setting the DTC

DTC P0300 will set if specific or random cylinder misfires have been detected after a 1,000 revolution tests when:

    • The sum of the misfire counts are greater than 30 in a 1,000 engine revolution test or greater than 45 in 4 consecutive, 1,000 engine revolution tests
    • The engine speed is between 520-6520 RPM.
    • The engine run time is greater than 5 seconds, 2000 and 2001 only.
    • The traction control is not active.
    • The intake air temperature (IAT) is greater than -8°C (17°F).
    • The evaporative emission (EVAP) diagnostics are not running.
    • No CKP or TP sensor DTCs have been set.

The ECM must complete the entire 1,000 revolutions before DTC P0300 will set.

DTC P0300 diagnostic runs continuously once the above conditions have been met.

DTC P0300 is a type B DTC.

Diagnostic Aids

Important: If an EGR, EVAP purge solenoid, fuel injector, HO2S sensor 1, or MAF sensor DTC is also set, diagnose that DTC first.

Important: The ECM will set DTC P0300 even if a specific cylinder is misfiring. If a specific cylinder misfire is also set, diagnose that DTC first.

Important: If a specific cylinder misfire occurs for longer than 15 seconds, the ECM will command that cylinder fuel injector OFF for the rest of the ignition cycle even if the fault is corrected.

Use the scan tool to monitor MISFIRE CURRENT CYL. 1-6 while simulating different engine load conditions in the stall. The scan tool active misfire counter should pick up intermittent misfire conditions.

    • The fuel pressure is 269-338 kPa (39-49 psi).
    • The EGR SENSOR closed position value range is 0.5-1 volts.
    • The spark plug gap is 0.045 in. and is not adjustable.

The misfire history counters will only be erased when DTCs are cleared using the scan tool.


Object Number: 895743  Size: FP

Insert graphic sio SMFLW95858AA