GM Service Manual Online
For 1990-2009 cars only

Object Number: 899102  Size: MF

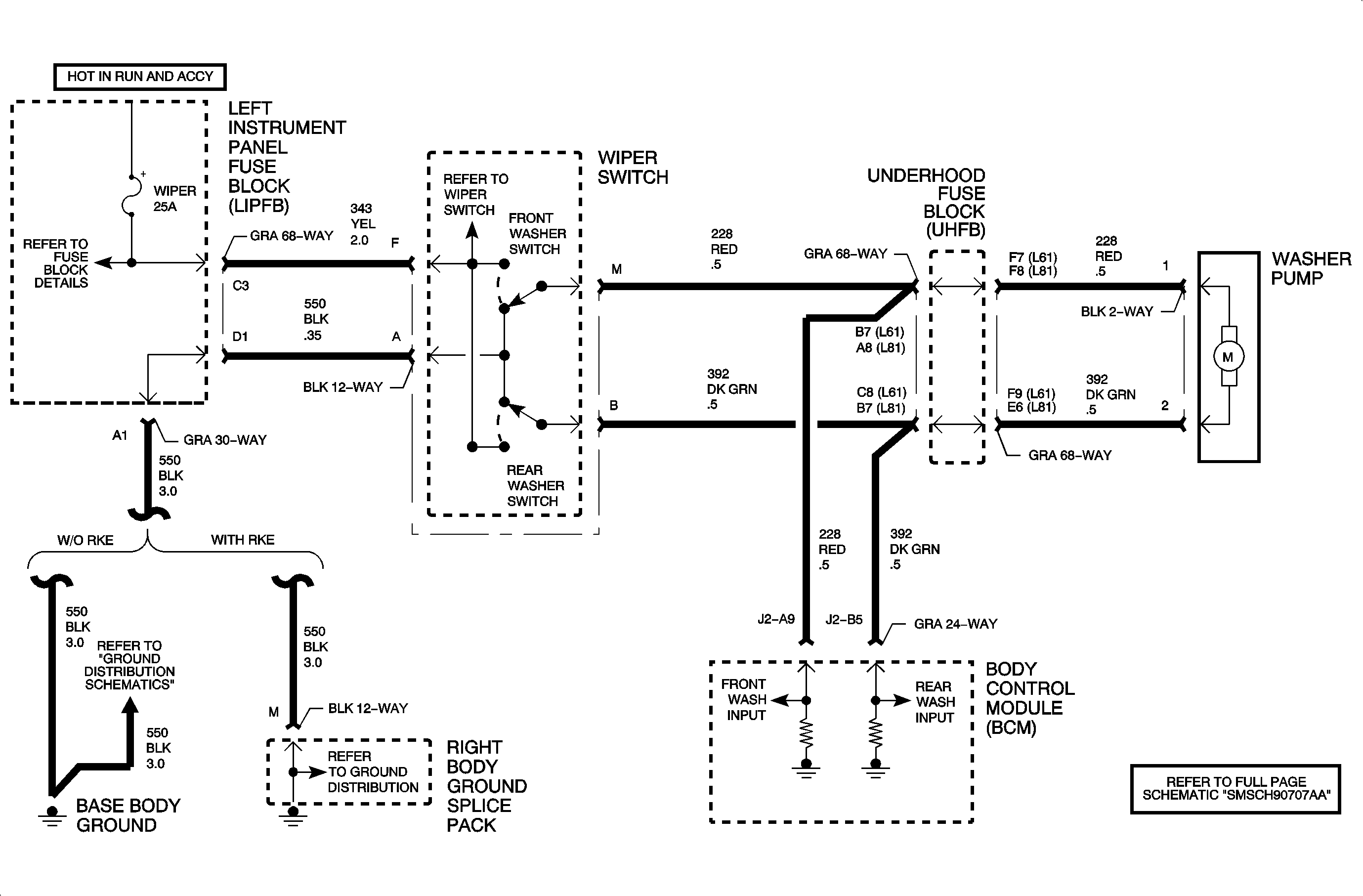
Circuit Description

The body control module (BCM) monitors the front washer motor circuit 228. When a front windshield wash is requested for more than two minutes, circuit 228 at battery voltage, the BCM will turn off the front wiper motor if the front wiper is NOT requested by the wiper switch.

Battery Voltage for the front washer motor (and rear washer motor when equipped) is supplied through the front wiper fuse and wiper switch. Grounding for the front washer motor is through circuit 550 or through the OFF position of the rear washer motor switch (when equipped).

Conditions for Setting the DTC

    • Ignition in RUN or ACC
    • Front washer circuit 228 at battery voltage for two minutes
    • Default turn Off washer motor after failing DTC if wiper input is not active
    • No light will illuminate in I/P.

Diagnostic Aids

    • Inspect wiring harness for damage. Check for broken or chaffed insulation.
    • If fault is suspected to be intermittent, wiggling harness wiring may help in locating fault.
    • Cannot vary wiper speed.
    • Check for poor connection at the BCM. Inspect harness connectors for backed out terminals, improper terminal mating, broken connector locks, improperly formed or damaged terminals and poor terminal-to-wire connection (terminal crimped over wire insulation and not conductors).

Object Number: 898948  Size: FP